在很多仪器里,都采用光敏元件作为传感器。目前普遍采用的光敏元件有各种光电池、光电管、光敏电阻和光电倍增管等。它们当中,除了光电倍增管本身具有放大能力外,其余的都必须另加放大器,把得到的光电信号放大以后才能应用于某些测量仪器和自动控制或调整系统中。
在很多情况下得到的光电信号都是直流的,为了避免使用结构复杂的直流放大器放大这些信号,一般都是把光电信号经过适当调制,使它变成交变的或脉冲形的信号,然后再进行放大。但是如果能够想办法得到脉冲形的光源,而使光敏元件直接输出脉冲形的光电信号,那么将会使设备简化。这里介绍的锯齿形光源就是为此目的而设计的。它是应用电子技术里的削波、限幅等原理,配合灯丝的热惰性,而获得稳定可靠的锯齿形光源。与其他方法相比,它的重量轻、体积小、设备简单、易于装配调整、不易受周围条件(如振动、电压)的影响、有较高的稳定性和可靠性等等。它的缺点是重复频率不能很高,也不能满足较强大的光源的要求。
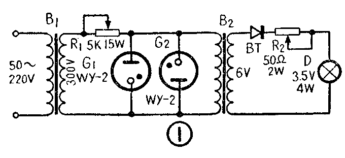
电路的组成和原理

锯齿形光源发生器的电路如图1所示。B\(_{1}\)是电源变压路。B2是脉冲变压器,作降压用。 R1是限流电阻,兼作调整限幅波形用。G\(_{1}\)和G2是一对稳压管,它们在电路中连接的极性相反,作双向限幅和稳定电压之用。BT是硒整流器,作削波用。R\(_{2}\)作调整亮度和照度波形用。D是一只小电珠。

变压器B\(_{1}\)的初级接50赫市电。次级输出的正弦电压(见图2a)经G1、G\(_{2}\)的稳压作用,分别把高于稳压管工作电压的部分削掉,使B2初级获得一稳定的近似于梯形的脉冲电压(见图2b)。由于B\(_{2}\)的降压作用,B2次级获得一个电压有效值约高于小电球工作电压2~3倍的梯形脉冲(见图2c)。此电压加在小电珠电路上,由于BT的单向导电性,小电珠两端仅有正向的脉冲电压(见图2d)。借助于灯丝的热惰性,调整R\(_{2}\)即可获得如图2e所示的锯齿形照度波形。它具有和50赫市电完全一致的频率稳定性,波形也可靠地保持不变。
电路的调整
调整时需要用一部普通的示波器。首先要调整变压器B\(_{2}\)的输入波形,这要通过改变电位器R1的值和置换稳压管G\(_{1}\)、G2来实现。在获得最佳波形时(图2b),最好使G\(_{1}\)、G2的工作电流值落在该型稳压管额定电流范围的中值上,这时有大半圈的辉光出现。如国产稳压管WY-2的额定电流范围是5~30毫安,则最好选17毫安左右。B\(_{2}\)输出端电压波形可能不会完全和输入端波形一致,这是变压器所产生的畸变,只要不很严重,并不紧要。照度波形的调整,应该通过观察光敏元件的输出波形来进行。如果光源所属的整个系统,在正常工作时加有某种滤色片,则进行照度波形调整时,也最好加同样的滤色片,以便准确地获得在某一光谱范围内的最佳波形。当调整R2终不能获得理想波形时,则应更换另一型号的小电珠,以获得适宜的热惰性。为了消除在调整过程中各部分的相互影响,可反复调整几次,直到获得最佳照度波形为止。(向多式)