这架具有两级低放的多用途半导体收音机,用一只半导体二极管作检波,用两只低频半导体三极管作两级低频放大。在上海用普通天线就能用扬声器放音,音量一般令人满意,并能把全市各个电台分隔清楚,还能收听中央台的两套节目;如用耳机听,只要一根两、三米长的天线就可收音。用四节手电筒电池(共6伏),可用数月。

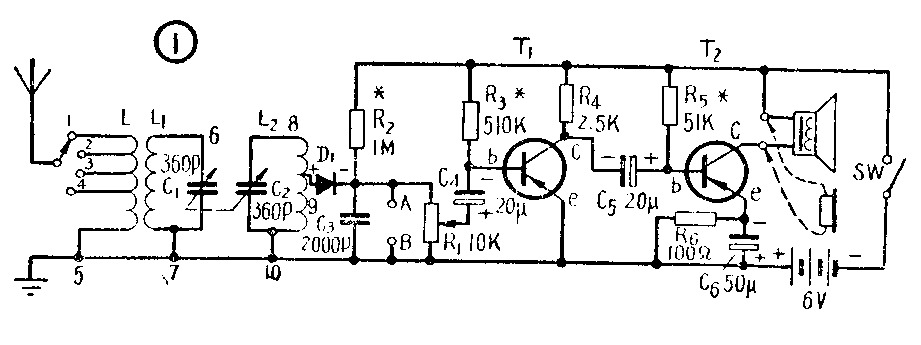
电路见图1。由于有两次调谐,选择电台能力较高,再由两级低放使音量增大,因此能保持优良的选择性及足够的灵敏度。
在A、B处接上上海812型永磁式电唱头,可以放送唱片。
T\(_{1}\)、T2用2G型或3AX(П6)型等低频半导体三极管都可以。R\(_{1}\)用10千欧电位器作音量控制,如不需调节,可改用10千欧固定电阻。R6和C\(_{6}\)的作用是避免半导体管受温度变化的影响。

线圈是用外径0.5毫米(约26号)漆包线在图2线圈筒上绕60圈为L,头为1,在20、40、50圈处各抽一头。用同样线绕75圈为L\(_{1}\),头6尾7。再在另一线圈筒上用同样线绕75圈作为L2,在30圈处抽头为9。L\(_{1}\)L2必须用同号线绕,两线圈筒直径也必须一样。
C\(_{1}\)、C2是同轴双连可变电容器。电容器C\(_{4}\)、C5及C\(_{6}\)的正负极性和半导体管的电极一定要接正确。
全机按图1电路装好后仔细检查一遍,接上电源及扬声器,把天线放在1的位置上。R\(_{1}\)旋到最大,调节C1、C\(_{2}\)可以听到广播声。再调节L1和L\(_{2}\)之间的距离,使各电台分隔清楚,同时把天线放在2、3或4位置上试试,可以选得合适的选择性。
R\(_{2}\)、R3及R\(_{5}\)需要调整。可以分别先用一个固定电阻和一个可变电阻串联起来代替,转动可变电阻找到声音最响、音质最好的位置,测量出这两个串联电阻的总阻值,再用同阻值的固定电阻换入就可以了。这几个电阻可逐个进行调整。
在A、B处接一个电唱机的插口,插入电唱机的插头试听,如发现声音不清楚,可在B到地之间加入一个大约40千欧的电阻。电阻不可太大,否则声音变小。(吴清傅)