业余爱好者自己装制超外差式收音机,即使电路设计是完善的,装成后往往会出现寄生振荡,产生叫声,以至不能正常收音。遇到这种情况,只要我们能够耐心检查,通过细致的调试,问题是不难解决的。
为什么会产生寄生振荡?
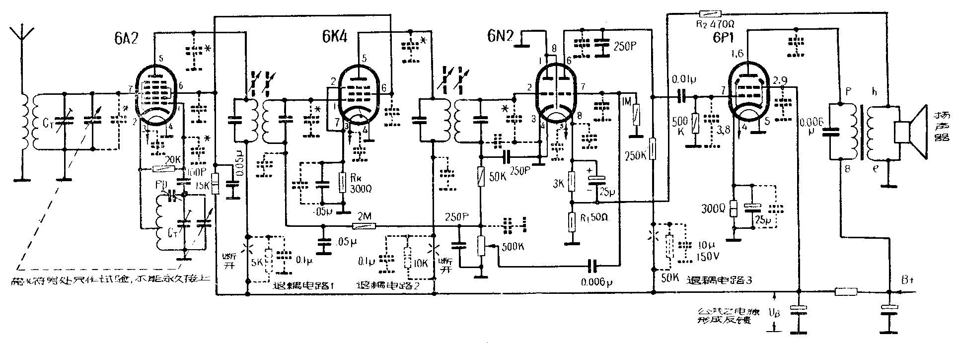
寄生振落主要是由于元件排列和电路布线不合适而形成不应有的寄生反馈所引起的。外差机中的寄生反馈可能出现在一个单级里(如中放级或输出级),也可能出现在两级或更多级的广泛范围里。造成寄生反馈的原因比较复杂,主要有以下几个方面:
1.通过电子管内部的极间电容耦合,使电路输出端对输入端之间产生不需要的反馈。
2.屏极、栅极电路的各个元件及布线之间,由于存在分布电容的耦合,就会把输出信号的基波、谐波反馈到输入端,形成自激振荡。
3.阴极或帘栅等电路虽然已有旁路电容器,但从电子管内部电极到机壳之间的连线(包括电极引出线和电子管内部及管座结构一段),其全部长度一般都超过5厘米,这样长的导线大约相当于0.05微亨的电感量,它在频率为3兆赫时电抗约为1欧,在30兆赫时约为10欧。因此在它的高端必然存在信号电位,而这电位也必将通过电子管的各极间电容的耦合,再加上管脚、管座及电路引线等分布电容的耦合,完成寄生反馈。
4.在使用五极管,特别是高跨导五极管的电路中,由于帘栅极的引线电感或旁路电容器的引线电感,会和帘栅与阴极间的极间电容并联起来,形成超高频的LC谐振电路。栅极引线本身的电感也会和栅、阴间的极间电容形成超高频的谐振电路。这样再通过栅极对帘栅极的极间电容的耦合,恰好相当于一个调屏调栅式的振荡器,产生超高频寄生振荡。
此外,电路中还存在着各管灯丝及高压等共用电源的引线电感及滤波电容器容抗两端存在信号电位(图中的U\(_{β}\))等所引起的反馈。还有收音机金属底盘,由于电或磁场的作用产生涡流,引起各点电位的不同,因而造成不同接地点之间的反馈等等。

以上各种形成寄生反馈的因素是不可避免的,所以我们就要采取相应的措施来克服它,例如:加中和;加屏蔽;尽量减短电路走线;尽量使屏极、栅极电路的元件及走线远离;加退耦电路;通过实验改变接地点;在已有旁路电容器的电路上再并联上几百微微法专为破坏超高频寄振的电容器(如图中有虚线所示的电容器)等等。这些措施都是为了抑制寄生振荡和破坏振荡条件而运用的。
消除寄生振荡的具体做法
1.查清寄生振荡和哪一级有关连 如果拔去中放管叫声停止,说明它和这一级有关。如果叫声不止,说明问题出在低频部分。再插上中放管拔去变频管,如果叫声停止,说明和变频级及输入电路有关。如果叫声不止,说明是中放级本身或者通过它和低频部分的互相作用引起的。这样经过初步摸索情况以后,进一步追查和采取解决措施就容易了。
2.查清和哪一级电子管的哪些电极有主要关连 用一个200~300微微法的电容器,分别接在图中虚线所示的各个点上去试,肯定在有一些点上会能消除叫声。这样不仅可以用来判明寄生振荡都和哪些电极有关连,同时也能断定出这种寄生振荡属于高频或是超高频范围。这只电容器除了接在图中带*符号的各点上将使收音机不能收音以外,在虚线画出的其他各点上,都可以把它长久的焊接上去,以消除寄生振荡,不致影响收音机的工作状态。
对于图上带有*符号的几点如何才能消除振荡,可以通过下面的途径谋求解决。
3.查清问题出在哪个元件或哪条走线 用电容器(如250微微法)在带*符号的点上从后向前再试一次,找出尽可能在前面的可以消除叫声的一点(如变频管输入栅上的一点),然后从与该点有关的级或电路(如输入电路)着手,用镊子搬动各个元件或走线,尤其是栅极或屏极走线。如果搬动时振荡叫声的声调或强弱有变化,说明问题就与这元件或走线有关连。
这样,可以把走线尽量减短;尽量远离搬动时能使叫声增强的方向;远离其它走线;或者推压这条线,使它紧靠在铁底盘上。这样就能减弱或消除啸叫。对于元件,可以改变它的位置和接地点,以试验确定使它安排在能消除寄生振荡的适当位置。
必要时,可以把这些与问题有关的元件或走线,用香烟盒里的铝箔(一般也叫锡纸)包封起来接地(当然要加胶布绝缘,不让铝箔把电路短路),达到屏蔽的作用,这对消除寄生振荡常是很有效的。
4.负反馈电路 如果拔去中放管还在低频部分出现自激啸叫,就可能是出于图中由扬声器音圈经R\(_{2}\)、R1分压取回的两级电压负反馈电路,由于相位相反形成正反馈而造成了音频振荡。这时可用解锥临时将R\(_{1}\)对地短路,取消反馈试试,如果振荡消除,就说明负反馈恰恰相反,成为正反馈了。这时可以把输出变压器初或次级(P、B或h、e)接线对调一下,叫声必会停止。如果取消负反馈还有啸叫,就说明不是由负反馈电路引起的,可按上述第2节的办法并联电容,或如图所示加退耦电路3就能解决。
5.中放级最易产生寄生振荡 一般说中放级增益较高,又多用双调谐回路,屏极比栅极的中频电压高很多(常在100倍以上),所以若元件排列和走线部位稍有不当,就容易形成寄生耦合,出现寄生振荡。尤其是爱好者常是选用定型电路和购用现成的中频变压器等。这样,由于各种售品中频变压器的槽路Q值、耦合系数等参数不一定是相同的,不一定都适用于同一电路。这也是中放级容易产生寄生振荡的原因之一。解决办法除去改善布线及元件排列以外,必要时,可以加大这一级的阴极自生偏压电阻(图中的R\(_{K}\))的阻值(如由300欧改为500欧),使这一级的增益降到临界自激条件以下,便可保证工作稳定。
另外,必要时对变频或中放管的屏压专加一组退耦电路(如图中虚线所示的退耦电路1或2)对消灭寄生振荡也很有效。
总的说来,对于新组装的收音机,出现“啷、啷”、“咕、咕”或“卜、卜”等寄生振荡叫声必须首先解决。只有解决了寄生振荡以后,才能进行好其他的调整工作,使收音机达到完善的地步。(栗新华)