适合装制半导体超外差式收音机用的振荡线圈,现成的商品有华北厂XZP型(四只一套,其中标志XZhQ—01的一只是振荡线圈,其余三只为中频变压器),以及上海厂结构相同小方形的共两种。这两种线圈都是适合与复旦厂9—110PF/10—210PF超小型双连可变电容器配合使用的,电路不加垫整电容器,即可取得跟踪同步。但是采用其它型号的调谐电容器时,上述线圈往往不能直接配用。在这种情况下怎样办?这里谈谈我们的一些经验。
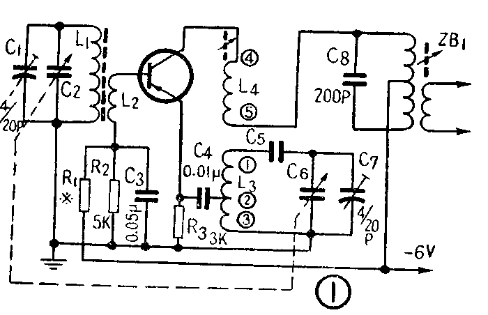
(一)12—250PF/12—290PF双连与XZP型线圈的搭配 按照图1所示的变频电路,如果C\(_{6}\)是12—250PF一连,L3、 L\(_{4}\)为华北厂XZhQ—01或上海小方形线圈,振荡回路里必须加用垫整电容器C5 ,其容量应在180~220PF之间,须选用质量较高、误差较小(10%以下)的云母或瓷介电容器。正确容量可以这样进行选定:全机装竣,各级半导体管工作点及中频变压器都先按一般方法调整好。这时试收几个电台。如果在波段里频率低的一端相邻仅100千赫的两个电台之间就发生不同步现象,则说明C\(_{5}\)容量不合适。例如,先收听中央台第一套节目(640千赫),移动磁性天线上的调谐回路线圈,使输出音量最大,并将线圈固定在这个位置上。然后收听中央台第二套节目(720千赫)。这时如果必须将调谐线圈向磁棒中心移动,才能使这个台的音量最大,说明C5容量嫌小, 必须增大些。反之,如果必须将线圈向磁棒外端移动,说明C\(_{5}\)嫌大,必须减小些。如用高频信号发生器试验,可用胶质电线在磁性天线棒上绕一两圈,一端接地,一端接信号发生器,须使收听600千赫与700千赫两点音量最大时,线圈在磁棒上的位置相同不变,这样C5的容量才是适当的。

(二)采用复旦236大型双连和普通线圈 复旦236型双连,每连最大电容量为365PF,用在图1电路里,振荡线圈可用美通610S型的振荡线圈改制。用0.15毫米(38号)漆包线, 在原线圈的一边,靠紧线圈按相同方向乱绕5圈,并在原线圈另一边, 在隔开2毫米处用同号线按同方向乱绕15圈作为反馈线圈,记清线圈头尾, 然后用蜡封固。具体绕法如图2。电路出必须加用垫整电容,像普通收音机一样,可用600号垫整电容器。

(三) 用复旦236大型双连,线圈自绕 为使线圈体积小、效率高,最好采用华北厂ZPO型(ZPO3—1),或其他同类(如上海411或津无901型)带有高频磁心的小中频变压器骨架改绕。计算圈数需要运用两个简单公式,即(1)计算线圈的电感量
L=\(\frac{1}{(2πf)}\)\(^{2}\)×C…………(公式1),
和(2)线圈电感量变化和圈数变化的关系
………………(公式2)。
式中L代表原线圈电感量,L'代表改绕后线圈的电感量,N代表原线圈圈数,N'代表改绕后的圈数。
ZPO型中频变压器每只线圈都并联配有120PF固定电容器,其原有圈数为220圈,谐振于465千赫。按照公式1算出它的电感量约为1毫亨,即
L=\(\frac{1}{4×π}\)\(^{2}\)×(465)2×10\(^{6}\)×120×10-12≈1毫亨。
再用公式2计算,可得出不同电感量应有圈数如下表:
电感量 100 110 120 130 140 150 160 170 180 1000
(微亨)
圈数 70 73 76 79 82 85 88 91 94 220
绕制前先求出线圈应有的电感量。设最低接收频率为550千赫,中频为465千赫,垫整电容用390PF,则
L=\(\frac{1}{4×π}\)\(^{2}\)×(550+465)2×10\(^{6}\)×(365×390;365+390)×10-12
≈130毫亨。

由附表可查得L\(_{3}\)为130微亨时共需绕79圈。电感量是否合适,绕成后可用谐振法来检验。用高频信号发生器及完好的收音机如图3所示方法接线,其中C'为236型双连中的一连,L'为一610S型振荡线圈。先由振荡器发出1000千赫经400赫调制的调幅信号,开关拨在a点,调谐收音机在1000千赫处收到振荡器信号,再将开关拨至b点,旋动C'调至某一点使收音机的信号声降为最小。然后将610S线圈取下,换上自绕线圈,这时信号声又增大。不要变动C'容量,旋动自绕线圈内的磁心,使收音机内信号声音恢复最小,这说明自绕线圈的电感量已与610S完全一样。若磁心旋至最紧,仍不能达到信号最小一点,表示绕的圈数不够,可增加几圈。反之,磁心调到很松,仍不能到达声音最小,表示圈数太多了,可拆掉几圈。上面的计算方法经过多次试验,证明求出的圈数很准确,实际应用只需旋动磁心已够应用。整个线圈绕法如图4。须注意反馈线圈的绕线方向须和振荡线圈一致。

(四)采用12—250PF/12—290PF双连, 线圈用ZPO型骨架绕制 垫整电容器电容量可选为310PF。设最低接收频率为535千赫,则按公式1计算,L\(_{3}\)电感量应为
L=\(\frac{1}{4×π}\)\(^{2}\)×(535+465)2×10\(^{6}\)×(250×310;250+310)×10-12
≈180微亨。
仍查上表可知电感量为180微亨时,用ZPO型骨架需绕94圈,经实际试验,绕90~96圈都可以。整个线圈绕法如图5。
此外,还有几点附带说明:
1.上面计算得出的只是线圈的大概圈数,由于电路中还有其他因素影响,实际应用中可能还须稍加修正。抽头点及反馈线圈圈数的计算很复杂,这里的数据是从实验中得出来的。
2.上面的绕制数据都适用于图1变频电路。试验时高频三极管为3AG12(П402),工作点调在0.4~0.6毫安,这时振荡效果最好,调在0.3毫安时振荡减弱,甚至低频部分出现停振。振荡线圈安装位置如距天线磁棒较远,可以不用金属隔离罩,直接粘到安装底板上。如有加罩隔离的必要,罩子的直径不宜太小,可用原ZPO型铝壳改制。
3.关于天线输入回路线圈,C\(_{2}\)使用复旦超小型双连的12—290PF一连时,初级L1电感量应为296微亨。若用φ10×140毫米的磁性天线棒,可用φ0.07×7多股丝包线平绕68圈,次级L\(_{2}\)绕6圈。线圈在磁棒上的位置,要根据统调决定。
4.复旦12—250PF/12—290PF超小型双连的两连片数和间距是不一样的。应当注意,其中一连片数虽少(动片为9片),但动定片之间的间隔较密,其容量为12—290PF,应当用在输入回路里(C\(_{2}\))。一连片数虽多(动片为11片),但动定片之间的间隔较疏,容量为12—250PF,应当用在振荡回路里(C6),不可弄错。(郝沽生)