半导体来复式收音机的再生控制多为半调整式,即经过一次调整以后,在收音过程中不再随时去变动它。这样收音时高频端和低频端的再生往往是不均匀的,一般是低频端显得较弱。
我们在装制这种来复式机时,曾经试在磁性天线捧上加绕一个专为提升低频端再生的回授线圈,能很容易地使收音机高低两端的再生达到均匀的程度,实践证明效果很好。

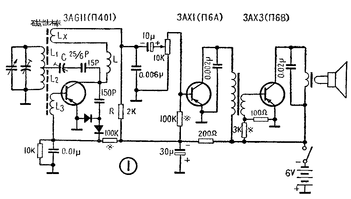
图1是一台三管机的电路图。加绕的回授线圈L\(_{x}\)是串在高频扼流圈L和负载电阻R之间。高频扼流圈对高频端高频信号的抑制,比对低频端高频信号的抑制要强得多。所以低频端的高频信号能比较多地到达Lx起到回授作用,从而使L\(_{x}\)起了提升低频端再生的作用。

线圈L\(_{x}\)在磁棒上的具体位置如图2。实践表明,它对高频端的再生强弱影响很小,而对低频端的再生强弱却非常灵敏,因此调节起来很方便。调节的步骤是这样的:首先调节再生电容器C,使高频端的再生适当。然后调节Lx回授的强弱,即移动L\(_{x}\)的位置,使低频端再生适当。这样反复调整几次,就能达到全机高低端再生均匀适度。在调节过程中,如果Lx回授过强或过弱,移动它的位置不能达到满意时,可增减L\(_{x}\)的圈数。一般圈数为3~5圈即可。高频扼流圈L的电感量对再生的均匀度也有一定影响,它的电感量以在2.5~3毫亨之间为最好。(陈凤鸣)