上海牌104、104-1型电视机是台式多波道的电视接收机,适合于俱乐部及家庭使用。本机共应用18个电子管(显像管除外),具有较高的灵敏度和优良的选择性,采用国产35SX2B型矩形显像管,图像清晰,音质良好,其主要参数如下:
灵敏度(图像及伴音)100微伏左右(300Ω输入)
选择性 20分贝以上
接收波道 5个
Ⅰ: 48.5~56.5兆赫
Ⅱ: 56.5~64.5兆赫
Ⅲ:76~84兆赫
Ⅳ: 84~92兆赫
Ⅴ:92~100兆赫
中频频率 图像 34.25兆赫
伴音 27.75兆赫
音频重演范围 100~6,000赫
不失真输出功率 3瓦
图像尺寸 不小于210×280毫米
图像清晰度 中央垂直及水平线数450线;边缘垂直及水平线数350线
亮度等级 7~8级
图像几何失真 小于3%
图像非线性失真 水平<17%
垂直<12%
消耗电力 不大于190瓦
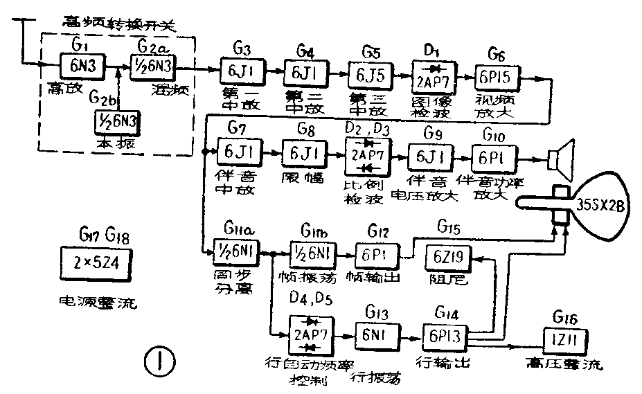
整机的方框图及使用电子管等型号如图1所示。

电路介绍
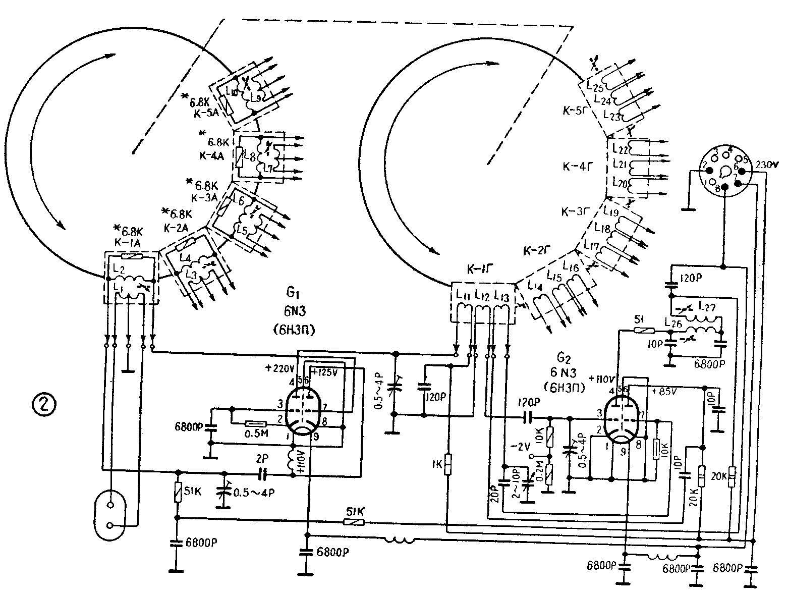
本机的输入阻抗为300Ω平衡式。天线收到的电视信号送至高频转换开关ПTП—1后,在高频开关内经过高频放大,并与本地振荡电压混频后送至中频放大器。高频放大器由一个双三极管6N3(G\(_{1}\))组成级联电路,以保证噪音指数小而放大量大。混频器及本地振荡级各由半个6N3(G2a及G\(_{2b}\))组成,总的增益自第Ⅰ波道至第V波道较为均匀,在30分贝左右。噪音指数在10左右。自混频管板极获得的中频信号(图像34.25兆赫,伴音中频27.75兆赫),经过带通滤波器并经过隔直流电容器(120pf)送至第一级中频放大管 G3的栅极。在高频转换开关中,灯丝及板压电源都有滤波电路,高频放大管的偏压是可以调节的,以控制整机的放大量,这样也就可以调节荧光屏上的对比度。
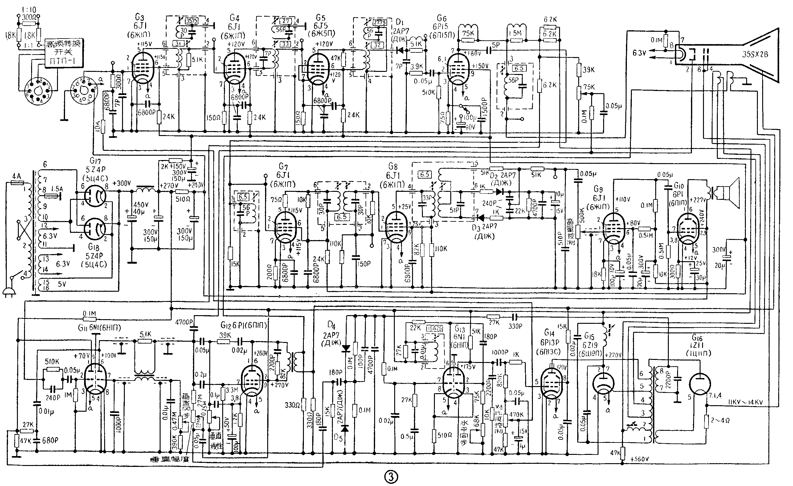
图像及伴音中频经过三级中频放大器G\(_{3}\),G4,G\(_{5}\)连续放大, 这几级中频放大器除了要将图像中频及伴音中频信号放大以外,还需要使伴音中频信号比图像中频低一定的数值,并且在带通、曲线形状等方面都有一定的要求,整个中频放大器三级采用了单回路参差调谐和吸收回路,参差调谐的谐振频率分别为31、33及32兆赫。吸收回路的吸收频率分别为35.75、27及27.75兆赫。整个中频放大器的放大量(图像中频)为60分贝;伴音比图像衰减26分贝以上,以保证二者不会相互干扰。图像中频载波点为谐振曲线的一半,曲线倾斜部份占1.5兆赫,以保证有良好的过渡特性。
图像检波采用半导体二极管D\(_{1}\),除了完成图像检波的作用而外,并且由于二极管的非线性,附带产生出34.25-27.75=6.5兆赫的第二伴音中频信号。检波器的传输系数为1/3。
视频放大器采用6P15(G\(_{6}\)),放大量为28分贝左右,在视频输出电路中采用复合补偿,并经过6.5兆赫的伴音陷波器接至35SX2B的阴极。同时伴音中频信号经过9pf接至伴音中放(G7);经过放大及限幅(G\(_{8}\)),再经过比例检波器(D2、D\(_{3}\))检波后,所得到的就是伴音音频信号,其后面的音频电压放大(G9)与功率放大(G\(_{1}\)0)则与一般的音频放大器没有什么两样。
同步信号也由6P15板极经过电阻6.2K而接至同步分离管126N1(G\(_{11a}\)),在这个管的输入端接有以电阻与电容器并联组成的杂音抑制网络。同步信号经过6N1的一半三极管限幅和降低板极电压的限幅作用后分离出来,分别经过微分和积分电路将行同步脉冲和帧同步脉冲加以分离。帧同步脉冲用来直接触发帧间歇振荡器。行同步脉冲则加到行自动频率微调电路,以控制行振荡的频率及相位。
帧振荡是由另一个1/26N1(G\(_{11b}\))构成的间歇振荡器。它所产生的锯齿脉冲波用来推动帧输出管6P1(G12),经过帧输出变压器使帧偏向线圈产生偏向电流。在6P1的板极和栅极之间, 还接有反馈网络,以改善帧扫描的直线性。
行自动频率微调电路是由二个2AP7半导体二极管(D\(_{4}\),D5)构成的,它将行同步信号与行输出变压器产生的反馈锯齿信号加以比较后,产生正或负的直流控制电压,此电压加到行多谐振荡器的栅极,以调节行振荡(G\(_{13}\))的频率和相位,与电视台的行扫描同步。
行输出管由6P13P(G\(_{14}\))组成。为了提高行扫描的效率,采用由6Z19(G15)组成的升压阻尼电路。显像管所需要的高压是利用逆程中产生的脉冲高压(峰值可达7~8千伏),通过升压线圈再经过1Z11(G\(_{16}\))整流而取得的。
不需经常调节的旋钮位于机旁或机后。经常需要使用的旋钮位于机箱前方:电源开关兼音量旋钮在左边;亮度旋钮在右边。偶或需要调节的旋钮位于机箱前方下侧自左至右依次是行频、帧频及对比度。波段开关及频率微调位于机箱右侧,如当地只有一电视台,则不必转动。
104—1型的电路和104型完全相同,只是电源开关兼音量、行频、帧频、对比度和亮度5个旋钮自左至右排成一列位于木箱的前方。另外扬声器放于前方右侧。
机箱前端的保险玻璃是可卸式的,这样无须拆开机箱,只须将前面保险玻璃取下,即可进行清洁工作。木箱底部盖板拆下,可以接触到全部零件,以便检修。(郑学文)

