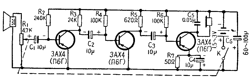
晶体管助听器就是一架利用晶体管多级放大的音频放大器。耳聋程度不同,对放大电路的要求也不一样。本文介绍的助听器是使用三个晶体管,两节电池。对一般耳聋程度的人来说,使用一节电池已能满足要求。其电路如图所示。

这是一个三级共发射极电路。晶体管都选用П6型晶体管中较为优良的型号П6Г,以便保证它有足够的增益。各放大级之间采用阻容交连的形式,可以减小助听器的体积和重量。各级的基极偏流电阻都只用一个(R\(_{2}\)、R4、R\(_{6}\)),这比用分压式偏流电阻可以节省焊接的空间。晶体管的输入阻抗较低,为了减小级间交连的电能损耗,交连电容器C1、C\(_{2}\)、C3要用得大一些,本线路中是用10微法,耐压为4~6伏的小型电解电容器。
助听器经常要连续使用好几个小时,由于电池连续使用时会发生极化作用,或者使用时间长久变旧,而使电池内阻升高。这时各放大级的回路电流便会在这一公共回路内发生不必要的交连回输,引起啸叫声和汽船声,影响收听。把电容C\(_{6}\)并联接于电池,它的电容量很大,因而对音频信号的阻抗很小,起着防止上述叫声的作用。电容器C5可以抑制晶体管的高频噪声,因而也可以使音质得到一些改善。C\(_{5}\)的容量要适当,太大,声音会变低沉,影响语言的分辨度;太小,则不能完全抑制晶体管的高频噪声。
基极偏流电阻R\(_{2}\)、R4、R\(_{6}\)使用的数值都比较大,所以阻值稍有变动,相对来说是影响不大的,这就简化了晶体管偏流电阻的调整工作。C4、R\(_{7}\)也可以不用,而将发射极直接接通。
在这里特别谈一下微音器。线路中采用的微音器是以一个二寸半小型舌簧式扬声器(天津产品)代用的,它的阻抗是300欧,可以不用输入变压器而能够与低输入阻抗的晶体管相匹配。我们不用晶体式微音器,原因是它的阻抗较高,与晶体管的低输入阻抗相匹配,就不能够得到较高的增益。
耳塞(听筒)的阻抗是800欧,也可以用两个这样的耳塞并联作双耳收听,音量可以更大。电源用二节(或用一节)5号小电池。
线路可安装在胶木板上,按照电路的顺序排列安装元件比较合适,避免接线过长或者将前后级的接线相互交叉,引起互相感应回输而产生叫声。制作者可以按其爱好将整机装在一个较大的肥皂盒或其他盒内,但是要注意安装牢固。 (谭仕匡)