在简单的普及型晶体管收音机中,功率放大通常采用单管输出的电路。这种电路一般都是工作在甲类状态下的,它的主要缺点是不论有无输入信号,晶体管集电极电流消耗基本不变,所以放大器的效率较低,一般只有50%左右。
由于晶体管收音机电源电能约80%是消耗在功率放大电路里,因此设法提高单管功率放大的效率,对于延长电池使用时间,具有一定的经济意义。这里介绍一个可以减省耗电的单管功率放大电路,提供大家实验。

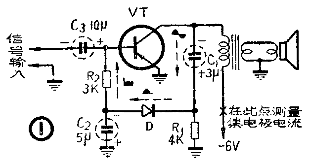
这个电路的具体结构如图1所示,其特点是晶体管的基极偏流是取自晶体管本身放大后的音频电流,经过一只二极管整流后供给的。很明显,在无音频信号时,晶体管基极是无偏流供给的,因此集电极电流很小,只有数十微安,耗电极少,可以忽略不计。当有信号输入时,经过晶体管放大的音频电流输送给二极管整流,使基极偏流增大,于是集电极电流也增大,可达10~20亳安左右。总之,这种电路的工作点在无信号时是处于乙类状态,随着输入信号的增强而变为甲乙类,当信号很强时则变为甲类。
图中电容器C\(_{1}\)是用来隔断直流并将音频电流输送给二极管的耦合电容器。电阻R1是C\(_{1}\)的负载电阻。R1产生的音频压降经过二极管D整流后,由电解电容器C\(_{2}\)滤波变成直流,再经输入端的负载电阻R2加到晶体管的基极上,R\(_{2}\)同时还有限流作用。
(附表)
选用的晶体 集电极电流
管性能参数
h11 β 无信号时 有信号时
(微安) (毫安)
3K 95 100 21
9.7K 87 250 19
1.2K 43 25 9
电阻R\(_{1}\)阻值选用4千欧为佳,实验表明大于8千欧和小于2千欧时都会使大信号时的集电极电流降低。二极管D的接法应如图示方向,接反了电路将不起作用。电容器C1在能满足大信号工作点电流的情况下,应尽量采用容量较小的,一般在1~4微法间选取。晶体管和二极管的型号无严格要求。VT可用一般低频管,但应选其β值较高,最好能用β大于60以上的。在输入信号电压相同的情况下,晶体管的工作电流和β的关系很大,从附表中实测的数据可以看出。当选用β=95的晶体管时,图1电路的灵敏度是:输出功率17毫瓦,所需推动电压为140毫伏,频率为1000赫。
注:①晶体管参数是在集电极电压为-5伏,发射极电流为1毫安时测试的。
②有信号时集电极电流是在输入电压为140毫伏频率为1000赫时测出的数值。

在选用β值较低的晶体管时,为了提高输出给二极管的音频电压,可如图2所示,将输出变压器的次级两端串接在电路里,接时注意相位不要接反。增加的电阻R3可以用来改变晶体管无信号时的集电极电流(即工作点),一般可以调到2~4毫安。

将输出变压器的次级线圈绕成为升压式的,还能进一步提高大信号时的工作电流,具体电路如图3所示。(王本轩)