纺织厂在生产过程中,需要对原棉、半制品和成品的含水量进行测定,并将测定数据和标准值进行比较,然后将比较结果通知生产车间,以便采取相应措施:调整车间的温度、湿度和变更纺织机的转速等等,从而保证大批产品的质量。
由于车间的温度、湿度以及其他生产条件都是不断变化的,因此,一般每八小时就需要测定一次。目前测定这些含水量的方法大都采用电阻恒温烘箱或红外线灯泡烘箱。这些方法是不够理想的,它们的缺点是:利用电阻恒温烘箱,虽然测定水分结果准确性较高,但测定时间过长,需一个半小时,远远不能适应生产上的需要。同时电阻恒温烘箱消耗的功率也大,一般为数千瓦,很不经济。用红外线灯泡烘箱,虽然加热时间可缩短至每一“棉样”(重1000喱,1克=15喱)为8分钟,但由于棉样受热不均匀,测出的结果不够准确。同时红外线灯泡在高热下工作,损坏率很高,也不够经济。此外,这两种方法因为都是从物质的外部进行加热,因此往往遇到结实一些的物质,烘得时间长一些,就会出现外焦里潮的现象。
我们根据高频介质加热的原理,制成了一具“高频烘箱”,通过实际使用,效果较好。其主要优点为:①测定迅速,同时测量两只棉样。仅需8分钟。②物质受热均匀,测量结果比较准确。③节约用电和操作方便等。
高频烘棉的基本原理

如图1a所示,在两极板A、B之间放着被加热介质(棉样),当不接电源时,A、B之间不存在电场,介质分子在其中不受影响。加上一直流电源后(图1b),则极板A将带负电,极板B带正电,在A、B之间就形成了电场,介质分子的电子趋向电极B,并排列整齐。若把电源接头对调一下,则随着电场方向的改变,介质分子里的电子又趋向电极A,因而引起了介质分子的调向运动。若用交流电源代替直流电源,在A、B之间就得到交变的电场(见图1c)。在交变电场的作用下,必定引起介质分子的不断的调向运动,因而也就必然由于互相摩擦而发热。利用这种从介质内部发出来的热量就可以把介质烘干。交变电场的功率越大,频率越高,发热量越大,烘干速度越快。介质加热频率一般在10~50兆赫之间。
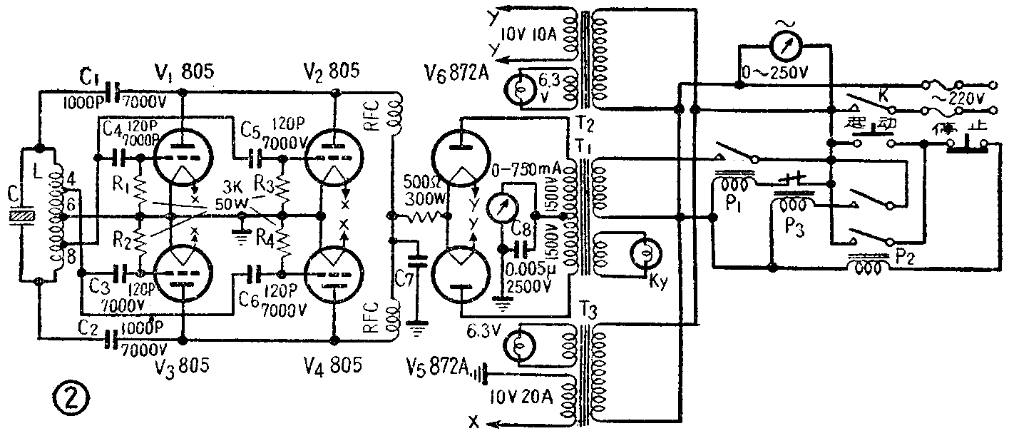
高频烘箱的电路和结构
我们选用4只805管接成电感三点并联推挽式振荡电路(见图2)。振荡回路LC跨接在电子管V\(_{1}\)—V4的屏极上,当V\(_{1}\)V2栅极电压为正,电子管导电时,V\(_{3}\)V4栅极电压为负,使V\(_{3}\)V4管截止,所以这两对管子交替着进行工作。V\(_{1}\)和V2,V\(_{3}\)和V4的并联可增加屏流,提高输出功率。

振荡线圈采用外径为6毫米的紫铜管,先退火,然后绕成内径为60毫米的空心螺旋形线圈,共12圈,每圈间隔为8毫米,分别在4、6、8圈处抽头,第4、8圈的抽头通过电容器分别接至各805管的栅极上,第6圈接地。接线要粗而短,线圈两端支架要用高频瓷瓶固装在底板上,以防止高频漏电。
加热极板(C)采用1毫米厚的铝板,宽150毫米,长260毫米,两铝板之间的距离为30毫米。为便于水分的蒸发,两块铝板均钻直径为3.2毫米的小孔,每10平方毫米面积中大约可钻5个。因为工作时铝板上有高频电压,为了使铝板绝缘,需要另用两块绝缘板(每块板6毫米厚,180毫米宽,290毫米长)分别装在两块铝板的外面。上面一块绝缘板的一边装两只铰链,由铰链与面板连接(见图3面板图),这样,上面的极板就可以翻起来,以便将被加热的棉样放进去。

全部机器都装在一个立式箱子里,共分两层,上面一层为高频部分,底下一层为电源部分。其面板与地面成一斜面。

电源控制部分除有开关K以外,还有两个控制按钮:“起动”和“停止”。“起动”按钮平时总是打开的,只有加高压时才使它闭合;“停止”按钮平时总是闭合的,只有在工作时,由于某种原因,需要临时停机,才把它打开。
电源控制过程如下:在合上开关K以后,灯丝变压器T\(_{2}\)和T3都接通,开始给各电子管灯丝加热。灯丝加热一定时间后,便闭合起动按钮,这时继电器P\(_{2}\)的线圈中有电流流过,于是使它的两个接点闭合。以后便按顺序接通继电器P3和P\(_{1}\)的接点,使变压器T1接通电源,同时高压指示灯 (KY)也亮起来。
P\(_{1}\)和P2均为220伏中间继电器。P\(_{3}\)是一个时间继电器,在它接通以后8分钟,能自动断开,于是停止高压供给。
C\(_{7}\)为4微法、2000伏的油质电容器。两个高频扼流圈(RFC)均用16号漆包线,在直径为25毫米的瓷管上密绕120圈。
操作过程
高频烘箱每次在工作时,必须至少放入一只棉样作介质,否则将不起作用。在每天第一次烘棉时,必须先对加热极板进行预热,以驱除极板在冷态时所吸的潮气。预热程序和正式测定水分时相同,只是预热棉样不作测定的依据。
经过预热处理后,下一步骤即可作正式棉样的含水分测定。取一只或两只棉样放入极板中,先开灯丝电源,后开高压电源。高压接通后,借助于时间继电器P\(_{3}\),8分钟后高压电源自动切断。在确定高压电源切断后,翻起上极板,将棉样立即装入密封罐内,用天平称衡重量,得出数据与标准数据比较,计算出含水率,并通知生产车间。在取出棉样进行计算的同时,可立即进行下一批棉样的试验,以节约各批棉样测定的时间。
操作时应该注意:①必须先开灯丝电源,后开高压电源。每次烘完后取棉样时,应注意高压电源是否切断。停机时,必须先确定高压切断后,方可切断灯丝电源。②高压接通后,不可将手直接碰触铝板,或以手指触入绝缘板上的小孔,以免灼伤。③整个机箱外壳应进行妥善地接地。(姚永达 郭基川)