美多牌65A型交流五灯收音机是上海无线电三厂的新产品,外形小巧美观、性能优越、结构坚固。使用电源为110/220伏、50或60赫的交流市电。输出功率约为1.5瓦。消耗电力约为30瓦。
一、电路特点
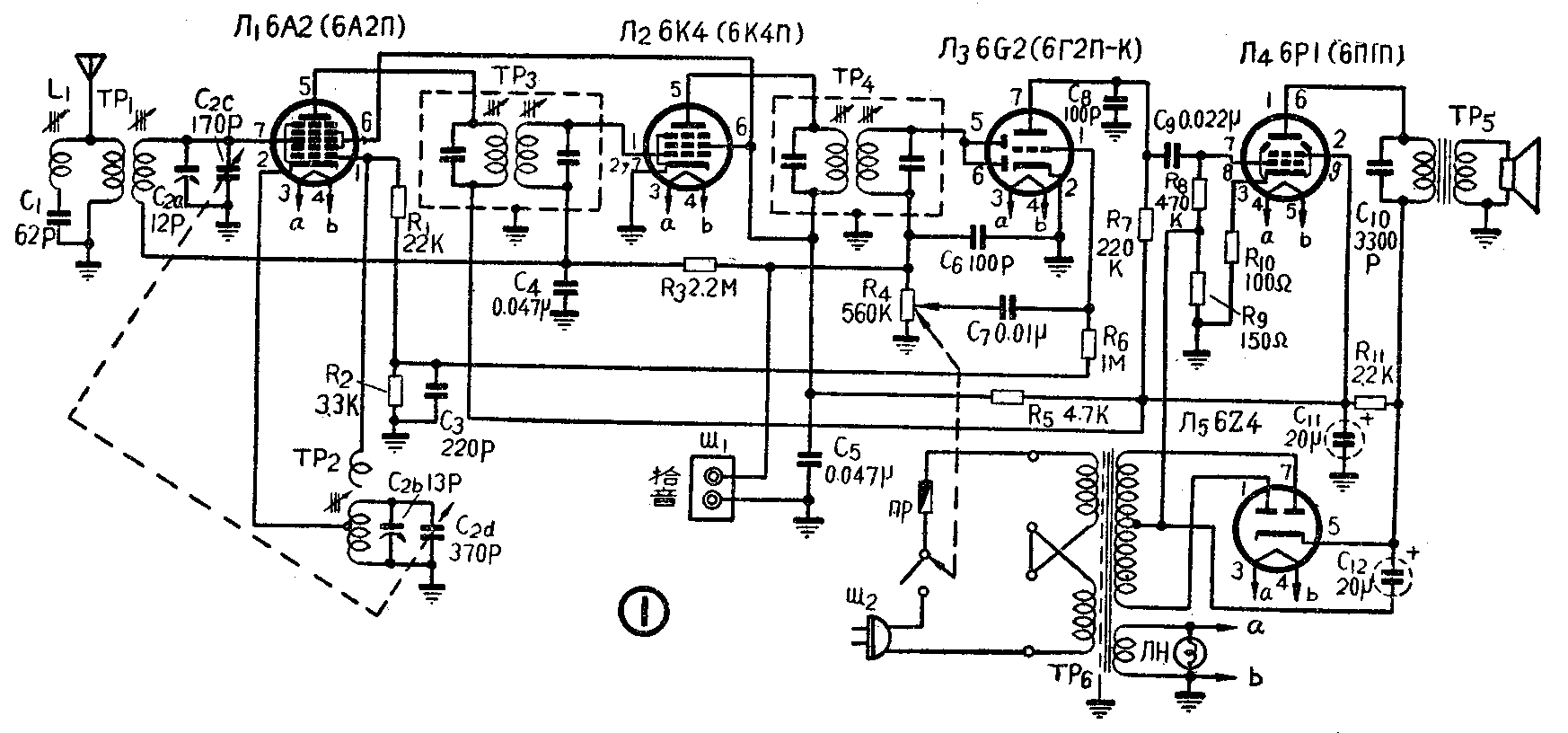
1.65A型机电原理图见图1。它的电路结构比较简单,元件尽量节省,而性能却很优良,其中对像频干扰的抑制性能尤为突出。一般收音机在城市收音时均不使用室外天线,而仅用二米左右的短拖线作天线。此时天线电容C\(_{A}\)仅30~40微微法,初级天线回路的自然谐振频率fA恰好落在接收频率范围内,因之像频衰减随之变劣。65A型机输入电路的耦合设计得小于最佳耦合,线圈绕组间避免了电容耦合,内部接有相当于70微微法的铝箔天线。当接入中频陷波线圈后,天线回路的自然谐振频率仍然小于接收频率范围的最低频率,这就有效地抑制了象频干扰,同时也提高了场强灵敏度。

2.变频级6A2的本机振荡的栅极交连采用间绕的线圈,以替代交连电容器。整个波段内本机振荡栅流均匀稳定,振荡栅负压由R\(_{1}\)、R2、C\(_{3}\)组件取得,并将R2二端分压供给6G2电子管栅负压用,C\(_{3}\)为高频旁路电容器,使6G2电子管工作在直线部分,改善了音频电压放大级的谐波失真。
3.中频放大级6K4在保持稳定的级增益的同时,采用了低屏压工作状态,由于屏压的降低,阴极可直接通地。
4.功率放大级和整流级采用了平衡电桥方法来减小交流声。它的平衡电路可见图2。由R\(_{7}\)、C9、R\(_{8}\)、R9、C\(_{11}\)和Ra(6G2)所组成的电桥达到平衡时,可减低交流声。仅这样还只能消除栅极输入电路所引起的交流声。所以除此而外还将功放级偏压分由两个途径供给,一是R\(_{9}\)上的电压降,用作为固定栅负压,同时又保持了栅极输入电路的平衡条件;另一方面在功放管阴极接入了R10,由此再取得一部分自给栅负压。R\(_{1}\)0两端不接旁路电容器,因此当无信号输入时,在有100赫的纹波电流流经R10时,就产生了电流负反馈作用,有效地抑制了功率放大级内由纹波电流所引起的交流嗡声。在无信号输入时交流嗡声一般可达到-50分贝。当有信号输入时,同样由于电流反馈,还可以使功率放大级的谐波失真和音频频率响应特性得到改善。

二、结构特点
为了经济和实用起见,本机的机心结构设计比较小巧而精简。电源变压器因功率消耗较小。铁心截面积仅为19毫米×28毫米,并直立安装在底板左侧,这样机心内的其他零件不受变压器的温度的影响。C\(_{11}\)和C12二只滤波电容器装置在底板外,对于高温的影响也是可以避免的,因此使用寿命可大为延长。输出变压器安装在电源变压器的上端,而且方向安排得刚好使它们的磁场能相互抵消,从而避免交流声,而且节省地位。底板的面积较小(100×175毫米),加上接线都很短,因此性能很稳定。此外,机心内部还采用电阻、电容器的组件架安装方式;刻度盘采用透明塑料,频率刻度数字由凹凸型模具压制,因此光度清晰,立体感显著。这种收音机经过振动、冲击和长途运输试验, 全机零组件无一损坏和脱落。
三、电性能指标
1.频率范围 530~1620千赫
2.中频频率 465±2千赫
3. 灵敏度 不劣于100微伏
4.选择性 偏调±10千赫时衰减不小于34分贝
5.假象波道衰减 不小于36分贝
6.中频波道衰减 不小于40分贝
7.音量控制范围 不劣于48分贝
8.交流嗡声 不劣于-46分贝
9、整机非线性失真 不劣于6%
10.整机频 150~3500赫范围率特性内不均匀度不劣于10分贝
11.高频机振 不劣于-10分贝
四、部分元件的制作数据

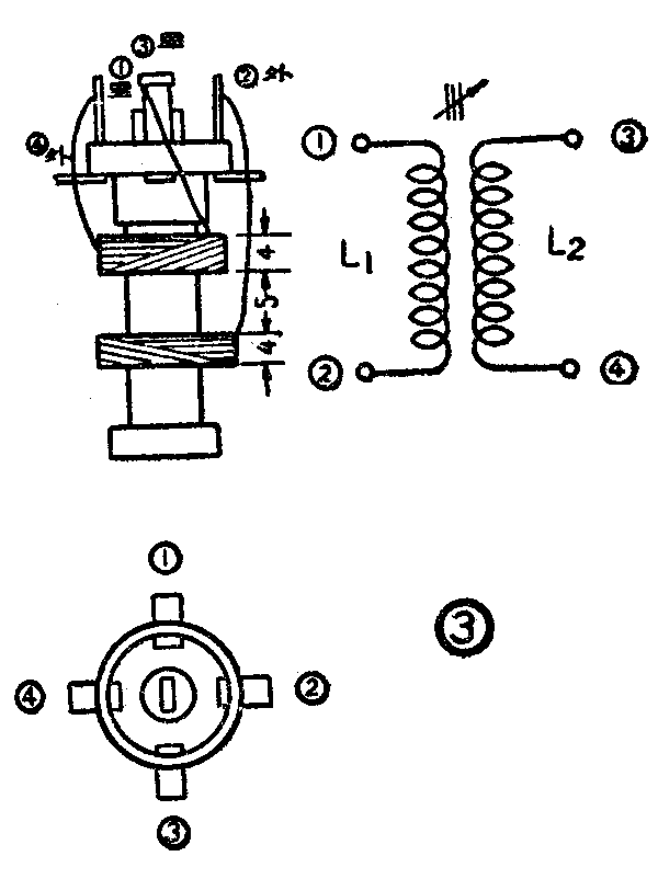
1. 输入线圈(图3)采用M4铁氧体心,线圈管直径8毫米,用蜂房式二转折绕法,初级L\(_{1}\)用直径0.08毫米的丝漆包线绕350圈,宽度4毫米,电感量1.27毫亨,Q值≥35;次级L2用7×0.06毫米丝漆包绞合线绕120圈,宽度4毫米,电感量257微亨, Q值≥130。

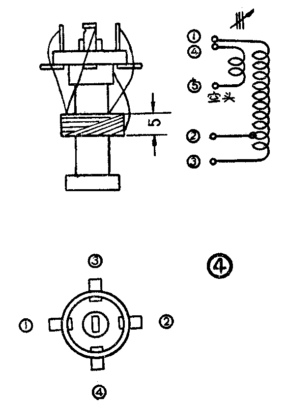
2.振荡线圈(图4)采用M4铁氧体心,线圈管直径8毫米,用蜂房式二转折绕法,宽度5毫米,用直径0.15毫米的丝漆包线二根并绕20圈(④~⑤)及单根绕103圈(①~③),并在91圈处②抽头作三点式哈脱莱振荡。线圈的电感量①~②为99微亨,①~③为131微亨,①~④电容量为70微微法。

3.陷波线圈(图5)也采用M4铁氧体心,线圈管直径8毫米,用蜂房式二转折绕法,用直径0.12毫米丝漆包线绕340圈,宽度4毫米,电感量1.85毫亨,Q值≥100。

4.输出变压器(图6)采用D-21硅钢片,铁心截面积16毫米×16毫米。初级线圈Ⅰ用直径0.12毫米漆包线绕3000圈;次级线圈Ⅱ用直径O.44毫米漆包线绕70圈。初级直流电阻约为386欧姆。
5.电源变压器 采用D—41硅钢片,铁心截面积19毫米×28毫米。初级线圈用直径0.2毫米漆包线绕2×700圈;次级高压线圈用直径0.11毫米漆包线绕2×1260圈;次级灯丝线圈用直径0.83毫米漆包线绕45圈。(孙近士)