半导体点温度计是近代半导体技术发展中的新成就之一。图1是国产半导体点温度计的一种。图中象钢笔似的东西是一个温度探测器,只要将它的顶端和物体的表面接触,物体的温度就能在电表上指示出来。用这种温度计测量温度是十分迅速和方便的。此外,它还能测量普通温度计所不能测量的微小物体和动植物各部分器官的温度,而且十分灵敏和准确。例如,用它来测量植物的根和叶的温度时,能够觉察出0.0005℃的温度变化。这种仪器的性能稳定,经久耐用,结构简单坚固,不易损坏,并且携带也很方便。目前,它已经广泛地应用在工业、农业、医疗以及畜牧业等各个方面。

半导体点温度计为什么会有这么多优异的性能呢?这是因为其中采用了一种叫作微型半导体热敏电阻的元件。

我们知道,半导体有一个很重要的特点,就是它对温度变化非常敏感,它的电阻率十分明显地随着温度的变化而变化。图2中曲线1和曲线2分别表示半导体的电阻率和金属的电阻率随温度而变化的情形。从图中可以看到,金属的电阻率随温度的增加而慢慢地上升,但半导体的电阻率却随温度的上升而急剧地下降。因此,用半导体制成的电阻器的阻值,也就十分明显地依赖于温度的变化,这样的电阻器就是现代科学技术中常用的“半导体热敏电阻”。
当金属受热时,温度每升高一度,其电阻只不过增加0.3—0.5%,而在相同的受热情况下,用半导体制成的电阻则下降3—6%。
在半导体热敏电阻出现以前,人们也使用一种根据金属电阻随温度上升而增加的原理制成的“电子温度计”。但由于金属的电阻温度系数太小,用它做成的“热变电阻”(即温度探测元件),必须用较长的金属丝绕成一定的形状来增加它的灵敏度,这就使元件的尺寸增大,因此它的热惯性也大,精确度,也低结构复杂,使用不便。微型半导体热敏电阻体积很小(直径可小至几十分之一毫米),因此可测定微小物体的温度;同时因为体积小,热惯性也小,因而测量时间很短(只需3至6秒),又由于温度稍微变化时,其电阻值就产生很大的变化,因而其测量准确度较高。

图3表示一种用作点温度计探测器的微型半导体热敏电阻的构造,其中有一个直径为0.5至0.8毫米的半导体小球1,小球中装有两个由0.5毫米粗的铂丝2作成的电极,半导体小球由一层薄的玻璃(厚度约为50微米)密封,4为直径是0.l毫米的镍制引出线,5为小玻璃管,其长度根据不同需要可从3至40毫米,用软性玻璃3与半导体小球的玻璃外壳焊接起来。图4是国产95型半导体点温度计的温度探测器的构造。微型热敏电阻1及其电极(铂丝)2直接封闭在玻璃管的尖端处,3是引出线,4为玻璃绝缘子,用来防止引出线相碰而造成短路。5为外套。

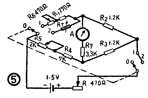
半导体点温度计的电路一般都采用电桥电路。国产95型半导体点温度计的电路如图5所示,图中电阻R\(_{1}\)、R2、R\(_{3}\)、R4、R\(_{7}\)是优质的固定电阻,RT是微型热敏电阻(作为温度探测器),A是刻度刻成温度度数的微安表,R\(_{5}\)和R6是优质电位器。这些元件组成一电桥电路,用一只1.5伏干电池作电源,变阻器R用来调节通过桥路的电流,即调节流过电流表A的电流。当转换开关从位置0转到位置1时,调节变阻器R,使电表指针满度偏转,这时R\(_{1}\)与R6的电阻值之和即等于处在最高被测量温度下的微型热敏电阻的阻值。R\(_{7}\)用来改变流过微安表A的电流,使得在这个仪器所测量的温度范围内,由RT阻值的最大变化所引起的通过微安表的最大电流,等于使微安表指针偏转满度的电流。转换开关转到位置2就是进行测量的位置。注意测量完毕随手将转换开关拨到0的位置。95型半导体点温度计有两种规格,95B型半导体点温度计的测温范围为0~50℃,供医疗、畜牧、植物种植等用。95C型测温范围为0~100℃,供科学研究之用。(斯任)