超外差式晶体管收音机具有良好的灵敏度和选择性,但使用零件较多,线路复杂,尤其是它的高频部分(包括变频及中放二部分),调整时容易出现一些问题。现以图1的线路为例,谈谈这部分的问题及其解决方法。

中频放大部分
中频放大部分是决定超外差式收音机灵敏度和选择性的关键部分。由于晶体管的功率增益较低,一般的晶体管外差机中放均有两级。调整中最容易出现的问题是中频自激振荡。中放级产生了自激,它的振荡频率会与变频级输出的中频信号产生差拍,因而发生啸叫,严重地影响收听。消除中频自激振荡,首先要找出产生振荡的原因。归纳起来,它不外以下四种:①由于中放管集电极——基极的极间电容C\(_{C}\)的作用,使中放级产生内部反馈;②由于杂散电容使中放级的输出与输入电路产生耦合;③由于电池内阻的作用;④中放管的β太大。
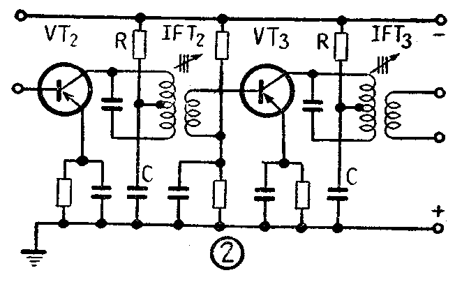
要消除自激振荡,应当针对以上几个原因作出相应的措施。如在电路中增加中和电容器C\(_{N}\)即可消除电容CC的作用(见图1)。 C\(_{N}\)的作用是在电路中产生外部反馈,并使外部反馈电压的相位与内部反馈电压的相位相反,以抵消CC的内部反馈作用,数值由试验决定。方法可先用半可调电容器接到电路里,调节电容器使叫啸声消失,估计一下电容量,再用相同容量的固定电容器换上去。如发现刚开机时无叫啸,工作几分钟后产生叫啸,这是中放管的热稳定性能不好,可在产生叫啸时加以中和。关于减少杂散电容的耦合,解决的办法是:(1)必须把中频变压器的隔离罩接地;(2)振荡级和第一中放级的零件与接线要与第二中放级的零件与接线离远些,不要挤在一起,并且中频变压器与磁性天线之间,也要有一定的距离;(3)走线要合理,尽量避免有往返和交叠现象。关于电池内阻的作用,机内所有晶体管都是由同一电池供电的,各管的电流都流经电池。由于电池有一定的内阻,因而各频率相同的电流在电池内阻上的电压降就会互相影响,有可能产生正反馈而发生自激振荡。虽然电路中的电容器C\(_{14}\)有去耦作用,但电解电容器在高频时并非纯容抗,不能很好的滤除高频电流,因此有时就会发生中频自激。图2表示为了消除这种自激可能性所加的去耦电路,使直流电源经过一个RC滤波网络再接到中频变压器。R的数值一般为300欧~2千欧;C约为0.05~0.1微法。接了去耦电路后,晶体管集电极电压会降低一些,因此管子的工作点须重新调整。电阻R不宜过大,否则集电极电压降低太多,会影响增益。

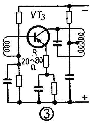
关于中放管的β参数选择,由于超外差式收音机的灵敏度主要决定于中放级,所以这一级的放大倍数愈大,就意味着收音机的灵敏度愈高。但要使一个中频放大器工作稳定,避免发生自激振荡,放大量又必须适当加以限制。一般说来,两级中放的总增益控制在45分贝左右,就可以达到交流三级电子管收音机的灵敏度要求。工作也比较稳定。要降低中放级的增益可采用下面两种办法:(1)在中频变压器初级3、5两端加接电阻,以减低中频变压器的有效Q值。这个方法会降低整机选择性,因此只有在选择性有一定富裕量时才能使用。阻值一般为80千欧~150千欧。加在哪一级中频变压器上可根据试验决定。(2)在晶体管发射极加一个不被旁路的电阻,其阻值一般用20~80欧,可根据试验决定。阻值愈大这一级的增益降得愈低。具体接法如图3所示。所以,在业余制作中,如果所用的两只中频放大管的β太大,对整机的工作稳定性来讲反倒是不利的。一般在保证整机能有适当的灵敏度情况下,中放管用合金型П6Г比用扩散型П401容易获得稳定。

变频部分
变频部分在超外差电路中也占很重要的地位,也是最复杂的一部分。这一部分如果安装不妥或调整不好,就会使整机产生很多问题,其中重要的是同步跟踪问题及叫啸问题。

所谓同步跟踪就是收音机无论调谐在哪个电台频率上,输入信号频率和本机振荡频率之差永远保持等于中频(465千赫)。如果不能做到跟踪,整机的灵敏度就低落,并可能在播音声中混有很大的叫啸声(差频叫声)。在调整跟踪时,如果没有高频信号发生器,一般可以利用电台的播音来调整,即在同一波段中,把高、中、低三个电台的播音声调整到最响,就说明已经跟踪了。但人耳对声音强弱并不十分敏感。单凭耳听有时不容易调整到完全跟踪点。有一个比较简单而又可靠的办法,就是先利用另外一只单管来复机(两管的更好)来确定这只外差机输入回路对不同信号频率谐振的位置,然后再进行调整使本机振荡回路与输入回路同步跟踪。具体步骤如下:图4所示是一个摘掉了输入调谐回路的来复式单管机。把它的输入端A、B接到外差机磁性天线次级线圈L\(_{2}\)的3、4两端(A接4 ,B接3),或在外差机的天线磁棒上再绕一个5~6圈的次级线圈,将其二端接在来复机的A、B端上。接好后,闭合来复机的电源开关,旋动外差机的双连电容器,使在来复机的耳机中听到播音声。在波段的频率低端收听一电台,调谐好以后,不要移动双连电容器,然后,将L2的3、4端从来复机的A、B端拆下接回到外差机上,并接上外差机的电源,看双连在此位置上是否仍能收到用来复机收听到的同一电台。若须把双连旋进或旋出一些才能收到此电台,则说明外差机没有达到很好的跟踪。此时可调节振荡线圈L\(_{3}\)的磁心,来使外差机能在双连是与来复机相同的刻度上收到此一电台。或是增减磁性天线L1的圈数,或移动线圈在磁棒上的位置,并重新接到来复机上校核,以达到上述目的,并使此电台的频率指示与刻度盘上的频率刻度也基本符合。然后在波段的频率高端再找一个电台。同样,如果发现同一电台由外差机收到的刻度与来复机收到的不相重合,则可改变微调电容C3或C\(_{4}\)来使它们吻合。注意,这时不要再改变磁性天线上L1的位置或振荡线圈L\(_{3}\)的磁心,因为它们对高频端电台的作用不大。如果再改动它们,相反地要把已调好的低频端电台搞乱。如果调整时发现C3或C\(_{4}\)的电容量不够,可另行并联上适当的电容再调,直到来复机收到的与外差机收到的能够重合为止。当然高频端的电台也要调到使其与刻度盘的周率基本符合。如果不用刻度盘,则要调整到使收音机能够收到550~1600千赫波段以内的电台才可以。这样把高频端与低频端反复调整几次,就能达到很好的跟踪。此后再在其他电台上用上法试试。如果在频率为1000千赫的电台上也能吻合,则说明整机是达到跟踪了。使用两连电容大小不同的小型双连电容器(如复旦小型双连,图1中用的就是这一种),由于它的两连电容量分配是考虑到跟踪的需要设计的,所以跟踪效果较好。配合这种电容的振荡线圈数据可参阅本刊1962年第9期“问与答”栏。若用360PF大双连的,则电路内的天线线圈与振荡线圈需自行重绕(数据可参阅本刊1963年第5期“简易晶体管超外差机”一文),在使用这种双连时,振荡回路里必须加250PF的垫衬电容,也能调到在高、中、低频段上达到三点跟踪。如果双连是按本刊1963年第9期的方法用单连改成的,配用市售小型振荡线圈时,会发现小的一连在低频端电容量增加太快,因此在低频端难以达到很好的同步。此时可应用上述利用来复机检查的方法,把小连定片在低频端的适当位置用锉刀锉去一些,实验证明经过几次检查、修改,小心仔细地调整,是可以获得完全跟踪的。跟踪调好后,还要把三个中频变压器再仔细调整一次。调整时,最好利用外地电台的播音来进行,否则,因为本地电台产生的自动音量控制作用较强,会使收音机的输出音变化迟钝,因而不易调得正确。
最后,再谈谈变频级产生叫啸的问题。除了因为同步跟踪不好而产生差频叫声外,如果本机振荡过强也会使收音机产生叫啸。有时磁性天线上L\(_{1}\)与L2二线圈靠得太近,或L\(_{2}\)的圈数太多,也会引起叫啸。此外,变频级零件排列不妥或接线不合理,也会产生叫啸。在业余制作中,如果发现变频级产生叫啸,可先按下述方法试试:①仔细地进行同步跟踪调整,以消除差频叫啸,有时微调一下中频变压器也能消除这种叫啸。②如果是由于本机振荡过强而产生叫啸,则可把本机振荡线圈L3的抽头或L\(_{4}\)的圈数减小一些试试。降低变频级的工作点也能减弱叫啸,但这时变频级的增益也会下降。③把磁性天线上的L2与L\(_{1}\)分开些或把L2的圈数减少一些。但不宜减少过多,否则会降低灵敏度。有时把磁性天线中L\(_{2}\)的3、4两端互换一下也能消除叫啸。④把变频级的退耦电阻增加一些(图1中的R4)。但太大了要降低该级的增益。如果使用以上几种方法都无效,那就是变频级的零件排列不妥或布线有不合理的地方。在此情况下,应考虑重行排列。(徐国宝)