1.用万用电表的交流电压档测量直流电压,就会发现测得的电压和用直流电压档测得的不一致,读数总是比较高。你能说出它的道理吗?(肖勤)

2. 在一个低频放大级上,用电压表测量电子管的阴极电阻R\(_{k}\)两端,知道电子管的自始栅偏压为-3伏。但如果把电压表接到电子管的栅极和阴极之间(如图1),却会发现电表指示的只有零点几伏。这样,栅极上的偏压岂不是达不到-3伏吗?是不是经过栅极电阻降低了呢?(张雷)

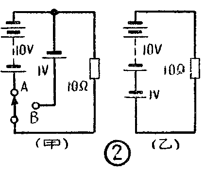
3.在图2甲电路中,把开关放在A时,10伏电压加在10欧负载上,电流为1安,电池供给的功率为E×I=10×1=10瓦。把开关放在B时,1伏电压加在10欧负载上,电流为0.1安,功率则为1×0.1=0.1瓦。现在元件数值未变,接法改变如图2乙,得出11伏电压加在10欧电阻上电流为1.1安,结果电池供给的功率为11伏×1.1安=12.1瓦。按照甲图,10伏电池输出功率10瓦,1伏电池输出功率0.l瓦,合计为10.1瓦,按照乙图输出成为12.1瓦,增加了2瓦,从何而来?(李宝德)