提起矿石收音机或简单半导体收音机,无线电爱好者都会想到如何把它装制得效率又高、选择性又好。这里介绍两种用倍压检波电路装成的收音机,供大家试验参考。经过我们试验,这两种电路效果都很好,在面积35平方米的房间里,用9米长的室内天线再接上良好的地线,能够带动舌簧扬声器,环境安静,可以清楚地听到广播声。用耳机听时,音量很大,各台也都能分隔清楚。
一、电路的简单原理
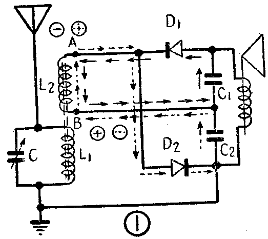
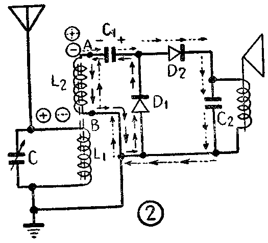
这两种电路分别见图1、2。前一种为全波倍压检波式电路;后一种为半波倍压检波式电路。在全波电路中,高频信号由调谐回路L\(_{1}\)C选出来,感应到次级线圈L2,再加到检波元件D\(_{1}\)、D2组成的倍压检波电路检波。


当外来高频信号为某半周时,假如线圈L\(_{2}\)感应到的电压B点为正、A点为负,则D1导电、D\(_{2}\)不导电,电容器C1充电,电流方向如图中实线箭头所示。当高频信号变到另一半周时,A、B点极性就互换,即A点为正,B点为负,因此D\(_{2}\)导电、D1不导电,电容器C\(_{2}\)充电,电流方向如图中虚线箭头所示。由于电容器C1和C\(_{2}\)是串联的,它们的充电电流方向又相同,所以经过D1、D\(_{2}\)检波后,在C1和C\(_{2}\)上得到的低频信号电压便迭加起来。这种检波电路所得到的音频电压比普通检波电路提高了几乎一倍,而且在高频信号的正、负半周时都能得到音频信号,因此称之为全波倍压检波。检波后在C1和C\(_{2}\)上建立的音频信号电压串联迭加后,加到舌簧扬声器上,结果就听到了广播。
图2是半波倍压检波的收音机电路。当高频信号电压感应到次级线圈L\(_{2}\)时,如果B点为正、A点为负,那么D1导电、D\(_{2}\)不导电。电容器C1被充电,电流方向如图中实线箭头所示。在C\(_{1}\)两端便建立起一个音频信号电压,极性如图示。当高频信号电压变到相反的半周时,A点就变为正、B点变为负,D2导电、D\(_{1}\)不导电,电容器C2被充电,电流方向如图中虚线箭头所示。这时电容器C\(_{1}\)两端的电压与线圈L2上的感应电压极性相同,而且串联,结果就迭加起来,使舌簧扬声器得到几乎提高了一倍的音频信号电压,但只在高频信号的半周内有音频信号送到扬声器,所以这种电路被称为半波倍压检波电路。
二、零件的选用及制作
1.线圈:我们制作的矿石机采用磁性天线。磁棒用作为线圈的心子,由于磁棒是用导磁率高的材料制成的,所以在它上面绕上圈数不太多的线圈,就能得到很好的效果。我们采用国产M4型直径10毫米、长55毫米的磁性瓷棒,以7股0.07毫米丝包绞线绕49圈作为L\(_{1}\),绕21圈为L2。线圈绕法和在磁棒上的位置请看图3。

2.检波元件:用作检波的元件D\(_{1}\)和D2可以采用活动矿石或固定矿石。也可以采用晶体二极管(或称半导体二极管)。晶体二极管的效率比矿石高得多,所以我们选用了它,但价格比矿石贵。究竟用哪一种,可以根据个人经济情况考虑选择。无论矿石也好,晶体二极管也好,应当选择它的正、反向电阻相差比较大的,也就是先用万能表电阻档量一次它的电阻,把正、负表笔互换后再量一次,这两次量到的电阻值相差越大越好。
3. 电容器:电容器C选用360微微法的单连电容器,只要电容量一样或相差不多,各种式样的都可用。电容器C\(_{1}\)和C2兼有倍压和滤波的作用。它们的电容量,若从倍压的角度要求,最好选得能使它充电到高频电压的峰值;但从滤波的角度要求,最好选得使它对高频信号阻力最小、使传到耳机的音频信号为纯音频。那么电容量多大才能兼顾这两种要求呢?参考一些电路和试验得知,可以在500~1000微微法之间选取。这两电容器对收音机音调的高低也是有影响的。电容量选很大些,高音频的绝大部分就被电容器旁路,不通过扬声器,声音听起来就显得低沉一些。电容量选得小些,则高音频只有一部分通过电容器,还有一部分通过扬声器,声音就比较尖。因此电容器C\(_{1}\)、C2的选择也要根据各人对音质的爱好来决定。
4.扬声器或耳机:扬声器采用8寸1000欧的舌簧扬声器。耳机可以采用1000欧的耳塞机或2000欧的双耳机,型号不限。
三、装置和调整
采用小体积的元件,整个收音机就可以装得很小。我们本着经济适用易作的原则,利用装奶粉的纸筒剪短制成收音机盒,耳塞机听完后可以存放在盒里。
线圈L\(_{1}\)与L2之间的距离对收音机的性能有影响。这两个线圈靠得近,灵敏度就高,也就是接收电力弱的电台和远地电台的能力强,但选择性差;线圈离得远,灵敏度降低,但分隔电台的选择能力,即所谓选择性要好些。因此提高灵敏度和改善选择性之间是有矛盾的。为了兼顾这两个要求,一般把它调在临界耦合状态。调整的方法是先把线圈L\(_{1}\)在磁捧上的位置固定,收听一个电台的广播,改变线圈L2的位置,使它和L\(_{1}\)的距离变化,扬声器(或耳机)中就有一个最响的地方,调到这里暂时不动L2,再调单连电容器,看相邻电台有无混台现象,如果没有就把L\(_{2}\)的位置固定在这里,如有混台现象,就需要再移动线圈L2的位置,如此反复试验,到灵敏度最高又没有混台现象为止。
焊接完毕,接上天、地线,或用人体作天线(把天线含在嘴里),如能收听到电台,说明接线正确,收音机工作正常。(纪良义 黄如璨)

