电视接收机的电源部分包括:(一)灯丝电源;(二)低压电源;(三)高压电源;(四)负偏压电源。灯丝电源用来供给各电子管的灯丝电流。低压电源用来供给各电子管的屏极和帘栅极,一般电压值约在250伏左右,而电流值则在200~300毫安之间。高压电源用来产生高达一万多伏、电流约100微安左右的直流高压,加到显像管第二阳极。负偏压电源产生一个直流负电压,作为视频放大器或其他一些电路级的固定负偏压之用;此外,有时还加到高频部分作对比度控制用。一般电视机中的高压电源照例是在行扫描输出级中把返程中所产生的脉冲高压整流而得,这点在“电视接收机的扫描部分”一文中已经叙述过(参看本刊今年第4期11页),因此这里从略。
电视机电源供给型式有三种:(一)电源变压器式电源;(二)无电源变压器式电源;(三)低压电源不使用电源变压器,但灯丝电路仍使用电源变压器。

电源变压器式电源现在使用得最普遍,它的基本电路如图1所示,这里不论低压电源或灯丝电源都使用了变压器,它的最大优点就是安全。但由于存在大的电源变压器(包括滤波扼流圈),它的泄漏磁场会使光栅产生几何失真,严重影响图像的质量。减少这种泄漏磁场的方法有:(1)用铁板和硅钢片等将变压器(或扼流圈)完全屏蔽起来(图2,a);(2)使用短路铜圈或铝圈把变压器外部如图2,b那样包起来。这时泄漏磁场会在短路圈上感应出一个大电流,这电流又会产生另一个方向相反的磁场把原来的泄漏磁场抵消掉大部分;(3)变压器和扼流圈远离显像管,并尽量放在底板下面,而且还要选择恰当的位置。


无电源变压器式电源的基本电路例如图3所示。其低压电源和灯丝电源都不经变压器而直接取自市电。灯丝是串联的。比起前者来说,由于它省去电源变压器,所以能降低成本,减小电力损耗,减小电视机的重量和尺寸,而且没有电源变压器所产生的泄漏磁场影响。它的缺点是:(1)由于电视机底板带电,设计机箱时要认真考虑安全问题,机器底板绝对不能有任何一点暴露在外面。修理时尤应特别小心。为了安全起见,最好在电视机和市电之间插入一只1:1的双圈隔离变压器;(2)因为一般电子管阴极均大致处于零电位,而在串联灯丝系统中有些电子管灯丝的电位却很高,故易发生交流杂波,同时阴极和灯丝间容易被击穿;(3)因为这时多数整流电路的输出纹波频率为50周,比起使用全波整流电路的要低,故需要用较大的滤波电容。另一方面,这时整流电压调整率较差,故需加大电容量来补救。
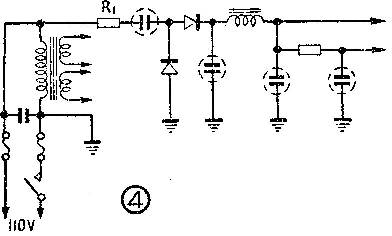
为了避免上述第(2)个缺点,有些电视机采用了另一种设计方案,即仍采用灯丝变压器供给各管灯丝电源,从而使各管灯丝都处于零电位(灯丝一端接底板)。但低压电源则采用无变压器式,于是就出现了上述第三种电源供给型式(图4)。

灯丝电源
和收音机比起来,电视机所消耗的电力要大得多,光就电子管的灯丝供电功率就在50~70瓦之间。灯丝电源的供电有并联和串联两种方式。并联方式用于具有灯丝变压器的电视机中(图1和图4),所有的灯丝均并联于灯丝绕组上,灯丝互相并联时当然需要有相同的电压值。由于电子管很多,灯丝电流大至8~10安培。为了防止过热和过份降压,同时也为了避免使用太粗的导线绕制困难,通常灯丝绕组不是用一只,而多是分开成几只。
显像管的阴极一般处于很高的直流电位,为了防止阴极和灯丝间被击穿,它的灯丝不应接底板,因此其灯丝电压通常另外用单独一只绕组来供电,并且通过一只隔离电阻连接到阴极去。
在高频部分的灯丝供电电路中,应串有由高频扼流圈和电容器组成的去耦合滤波器(见图1),以避免级间耦合,防止高频信号经公共灯丝电路产生反馈。
串联方式用于没有灯丝降压变压器的电视机中(图3)。电子管的灯丝都互相串联起来跨接在市电电源上。显然,串联时各灯丝都应有相同的电流值,如果有的电子管灯丝电流较小,就要在这个灯丝上加分流电阻。一般串联灯丝使用的电子管灯丝电流可分300毫安和600毫安两种。
在串联运用时,应该注意下面几点: (1)易于感受50赫交流杂波影响的电子管,例如音频前级放大管,高频部分的电子管和中频放大管等的灯丝应该尽量放在离底板较近的一端;(2)显像管因比较贵重,为安全起见,它的灯丝应该置于最低电位处,即其一端应接底板;(3)串联电子管的加热时间应该相等;(4)由于电子管的灯丝电阻在冷时较小,为了防止在电源开关刚接通时流过的电流过量,常串入一只电阻作降压兼保护之用。在一些机器里,这一电阻常常是一只具有负温度系数的热敏电阻。这样在未加热时其阻值是高的,而在加热后阻值将下降,于是有稳定灯丝电流的作用;(5)所有的串联灯丝电压加上降压电阻(图3中的R\(_{2}\))上电压降的总和应等于市电电压。
低压电源
在具有电源变压器的电视机中,低压乙电的获得照例是使用电子管全波整流电路,如图1所示。因为电流比较大,所以一般多使用两只整流管。其中较高的电压和较低的电压各用一只整流管整流;并且从变压器次级同一绕组的不同抽头取得交流电压。为了避免在扫描电路和信号电路上存在过大的交流纹波电压而使重显图像出现光栅几何失真和亮度背景失真,直流乙电要有较好的滤波,纹波成份对直流电压的比值应在1%以下。一般都采用电容输入π式滤波器,用较小的扼流圈(或电阻),而且用相当大的电容器。现在更有许多电视机采用所谓“调谐式扼流圈”的滤波电路,如图1所示。这里L和C是并联的,并且在纹波频率上调到谐振,因之其阻抗很大,使得滤波效能大大增加。
在无电源变压器的电视机中,乙电整流电路在市电电压为220伏时多采用半波整流式(图3),但也有少数是采用全波桥式整流电路。其整流元件可以采用半导体整流元件(硒堆、锗整流二极管、硅整流二极管)或电子管,但前者使用较多。因为它们有很多优点:(1)效率高;(2)寿命长;(3)电流容量大;(4)体积小;(5)易于装置。在市电电压为110伏时,为了获得大约250伏左右的乙电输出,就要使用半波倍压电路(图4)或全波倍压电路。
在电源开关接通时电容器的充电电流是非常大的。为了保护整流元件可串入阻值在数欧姆至数十欧姆之间的限流电阻(图1、3、4中的R\(_{1}\))。
最后,在使用倍压整流电路(包括半波整流电路)的电视机中,其底板不应接地线。
负偏压电源
负偏压电源通常采用独立的整流电路供电(见图1)。交流电压取自灯丝绕组或其升压线圈,整流电路采用半波整流,滤波器则为阻容式。另一种方式是在乙电回路的负端和底板间接入一套电阻和电容的并联组合,利用它上面的对底板来说为负极性的电压降作为固定负偏压之用。
实际电路

图5是北京牌电视机的电源供给电路,它是属于电源变压器式的。这里用了两只电源变压器(Tp\(_{1}\)和Tp2)。电源变压器Tp\(_{1}\)有两个初级绕组,并且通过一只八角插头进行电源电压变换。在市电为220伏时,八角插座的“4”和“5”短路,两只绕组相串联。在市电为110伏时,插座的“3”和“4”,“5”和“6”分别短路,结果两只绕组并联。
Tp\(_{1}\)的次级有三个绕组,第一个绕组用来供给两只整流管Л14、Л\(_{15}\)的交流屏压。第二个绕组电压为5伏,用来供给Л14的灯丝电压。第三个绕组一端通底板,中间有一个6.3伏的抽头,用来供给信号放大部分 (视频放大器除外)和场同步分离级电子管的灯丝电压;另一端电压约十余伏,供给负偏压整流元件Д\(_{4}\)的交流电压。
Л\(_{14}\)(5Ц4С)接成全波整流电路,采用阻容滤波器,R24、R\(_{25}\)、C19、C\(_{2}\)0和C21为滤波元件。输出电压分别送到高频部分、中频放大器、视频放大器、伴音通道,以及场同步分离级去。
Д\(_{4}\)(硒片)为负偏压整流无件,采用半波整流电路。阻容滤波器由C62、R\(_{7}\)0和C18构成。负电压(-8v)一路输出到视频放大器和行扫描输出级,另一路通过R\(_{72}\)和R71送到高频部分去,由于R\(_{72}\)是一只电位器,因此转动它就可以改变送到高频部分中去的负偏压的大小。因而起着对比度调节的作用。
电源变压器Tp\(_{2}\)的初级绕组通过开关B2a接到Tp\(_{1}\)初级的一个绕组上去,因此初级输入电压是110伏。当接收电视节目时,B2a被接通,故Tp\(_{2}\)工作。当接收调频节目时,Tp2初级绕组被B\(_{2a}\)切断,因之Tp2不工作,扫描部分和显像管无电压。
Tp\(_{2}\)次级有三个绕组,第一个电压为6.3伏,一端接地,用来供给扫描部分(场同步分离级除外)和视频放大器电子管的灯丝电压。第二个绕组也是6.3伏,但不接地,它是专门供给显像管灯丝用的。第三个绕组电压为5伏,用来供给整流管Л15(5Д4С)的灯丝电压。Л\(_{15}\)也接成全波整流电路,滤波器采用“调谐扼流圈式”,滤波元件为Дp3、C\(_{64}\)、C63、C\(_{65}\)和C66。其中Д\(_{p3}\)和C64形成谐振于纹波频率(100赫)的并联谐振回路,因此可以大大减少纹波电压。输出直流乙电被送到扫描电路(场同步分离级除外)和视频放大器末级的屏极。
此外,B\(_{3}\)为电源开关(它附在音量电位器上)。Пp1为总保险丝,容量为4安培;П\(_{p2}\)为乙电保险丝,容量为0.75安培。电容C1、C\(_{2}\)跨接在电源线和底板之间,用来减小经过市电网路进入电视机的干扰。Дp1和Д\(_{p2}\)都是通到高频部分去的高频去耦扼流圈:Дp1是灯丝电路的;而Д\(_{p2}\)则是乙电电路的。(黄锦源)