简单的矿石收音机或半导体收音机是一般十二、三岁小朋友最感兴趣的东西。但在制作中,对某些地区来说,往往会碰到一个强电台干扰旁边的弱电台或远地电台,混音很厉害;另外,也可能做出来的收音机声音小,灵敏度不够理想。
这里向小朋友们介绍用大线圈做的矿石机和半导体收音机。它的音量宏大,分台清楚,效果很好。
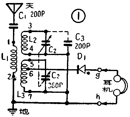
电路图见图1。天空中各个广播电台的天线电波由天线收下来以后,就变成了许多高频率的信号电流,它们通过电容器C\(_{1}\)流过线圈L1,到地下去,完成回路。通过电磁感应的道理,这些高频信号又传到线圈L\(_{2}\)里,再传到L3里。电容器C\(_{2}\)—C2′是一个双连可变电容器。L\(_{2}\)和C2组成了一个回路,它能选出我们需要的电台信号。同样,在L\(_{3}\)和C2′组成的回路里再作一次选择。这样就把一切不需要的电台信号和杂音干扰都去掉,只剩下我们需要的电台信号。这就好比我们用筛子筛去灰土杂物,剩下纯净的豆子一样。经过这两次选择,混台现象基本上消除,用技术术语说,就是音机的选择性提高了。然后把选出来的高频电流,再用检波元件D\(_{1}\)(矿石或晶体二极管)检波,变成低频电流,送进耳机,就能发出广播声。

线圈L\(_{1}\)、L2和L\(_{3}\)是采用100毫米直径的大线圈。最好用多股(7~13股)的丝包或纱包漆皮线来绕制,效果比较好。如果用单股漆皮线,那么可以用三、四股或更多股一起绕制。必须注意在接头处要把每根线的漆皮都刮干净,焊接好。如果用0.5毫米直径以上的漆皮线,也可以单根绕制。线圈可以密绕,也可以间绕。我们作了多次实验,成绩都不坏。L1绕20~30圈;L\(_{2}\)绕50~70圈;L3绕50~70圈,在20或30圈处抽头。在上述圈数范围内,如果采用多股线,可以少绕几圈,单股线则多绕几圈;或者要接收的电台在较低频率一端可以多绕几圈,在较高频率一端可以少绕几圈。三个线圈都要顺一个方向绕,如图2。L\(_{1}\)可以做得大一些,使它能在L2上滑动调节。L\(_{3}\)可以与L1、L\(_{2}\)串放,也可以并立竖放。放置的距离可以调节。距离近,收音机的灵敏度高,发声大,选择性差些;距离远,选择性好,灵敏度降低。如果L1不做成滑动式,也可以在距L\(_{2}\)10~15毫米处绕L1。

为了提高线圈的品质因数(Q值),或是说改善它的工作效果,最好把线圈做成脱胎式,可以利用装一斤奶粉的玻璃瓶或洋铁罐,四周竖立八条或六条5~10毫米宽的马粪纸条(最好先浸蜡),再插进八只或六只竹筷子,然后绕上线圈,并在马粪纸条上涂一层万能胶,使线圈粘牢马粪纸条。绕好后,抽出竹筷子,就成脱胎式线圈了。
电容器C\(_{1}\)用200微微法,可以清楚地分隔出强、弱电台。如不加C1, 就很准分隔清楚。电容器C\(_{3}\)也是为了使分台更好,如已能分清,可省略不用。
检波元件D\(_{1}\)可以用活动矿石,但需经常调节,用固定矿石效果又差,不如采用晶体二极管好。晶体二极管(或称半导体二极管)只要买价低的就可,型号不限,最好选择正向电阻小些、反向电阻大些的。
对耳机没有什么特殊要求,差不多任何耳机都能用。我们试用1000欧的耳塞子、2000欧的双耳机、4000欧的双耳机等都能收听得很好。如果用晶体耳机,则耳机上要跨接一只20~40千欧的碳膜电阻。
上面介绍的矿石收音机或晶体二极管收音机,只能用耳机收听,接舌簧扬声器虽然也能发声,但声音不够大。下面再介绍一种简单的晶体管收音机。这是在原来的基础上添一只晶体三极管加装一级低频放大器做成的。接上舌簧扬声器,可以很满意地在小房间里收听本地的广播电台播音。
它的电路见图3。制作也很简单。只要添加一只低频晶体三极管和三节小干电池。晶体三极管可以买次品,虽然它们的特性不一,不能满足正规机器设备的要求,但业余用来装收音机却是既价廉,效果也好。

干电池可用4.5伏~6伏,取三节或四节小干电地串联起来就行。整天收音,电池可用三个月。
晶体二极管的方向不能接反,接反了没有声音。电路图上有点子的—端就是二极管上有红点子的一端。 舌簧扬声器用1000欧的就行。500欧的也可以。如果要更响一些,可以将1000欧的舌簧扬声器线圈拆开,拆去大约一半线圈(稍多些少些无大影响),再在剩下的线圈的一半处抽出一个头。这样相当于把剩下的线圈又柝成两个线圈,并联以后,电阻就成为250欧。还可以从这两个线圈引出四个端子,既可接成并联,又可串联,以适应不同阻抗的需要,使放声最响。如果是500欧的扬声器,也同样可以柝成125欧的并联线圈。

上面介绍的两种收音机的实体布线图可参看图4。在图中g、h两点接上耳机,把晶体三极管T\(_{1}\)、干电池、扬声器和开关去掉,就成为上述第一种收音机。如在g、h两点不接耳机,就得到第二种收音机了。

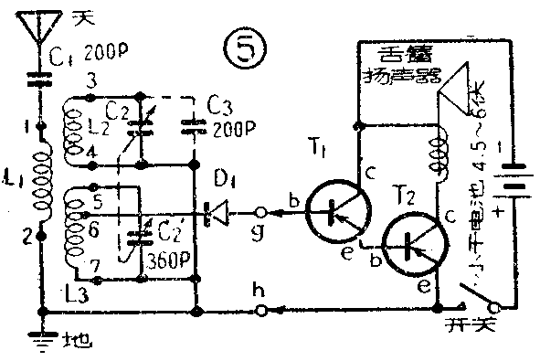
如果要想声音再大些,还可以再添一只低频三极管,接成图5所示的电路。经我们实验证明,这种电路放声很大,而且声音也好听。青少年朋友们如果有兴趣的话,不妨试试看。

如果采用永磁电动式扬声器,放声会更好。接法如图6。原来的舌簧扬声器还可以保留,接成并联,使两只扬声器同时放声,高、低音都很丰富。为了避免舌簧扬声器通过直流容易失磁,并配合阻抗起见,可以串接一只0.02~0.1徽法的电容器C\(_{5}\)。
安装时要注意晶体三极管的焊接,一不小心就会烫坏。因此,建议采用活接法,利用小接线柱或平头螺丝来固定晶体三极管的引线,这样既便于调换校试,又不会损坏,接头也可靠。

为了在雷雨时仍照常收音,可以改用屋内辐射式天线。在屋顶距天花板50厘米左右,用多股铜绞线绑在陶瓷或玻璃绝缘子上,拉三根辐射式天线,如图7。经过实验,在二楼上拉成这种辐射式天线效果很好。如在楼下,可以多拉几根。如在农村或郊区,架设室外天线也可以得到良好的效果。地线可借用自来水管,在自来水龙头上焊一根铜线,接到收音机地线端子就行。如果有条件的话,能埋下好地线效果也一样。(韦立)