编者按:上海无线电九厂出品的636型单管半导体收音机(本刊1964年第3期有专文介绍),美观适用,携带方便,收音效果也比较好,受到广大群众的欢迎。最近我们收到几位读者来信,提出一些改进建议,现发表于下供大家参考,以便进一步改进。
关于提高工作稳定性的建议
上海无线电九厂出品的636型单管半导体收音机价廉物美,携带方便,很受广大群众欢迎。不过在使用中由于地区关系,环境温度变化对收音机的灵敏度和音量就有影响。温度自零下5~6℃变到零上15~17℃时,晶体三极管集电极电流约自1.5毫安变到0.5毫安左右。起初以为这是由于晶体三极管的温度特性不良,但现象却与晶体三极管的一般温度特性相反。经过进一步测试研究,觉得在晶体二极管检波电路上可作进一步改进。

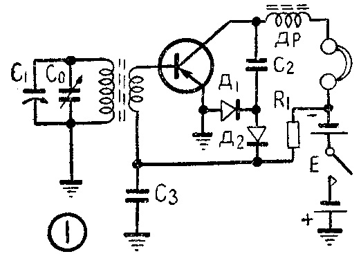
分析该机的电路图(图1)可知:晶体三极管的基极偏压等于是由电池负极经由一个以电阻R\(_{1}\)及两个二极管串联组成的分压器供给的。所以当温度变化时,二极管的正向电阻文化,从而使晶体二极管的偏压发生变化。实际测到的数值是:当温度自零下5~6℃变到零上16~17℃时,二极管的正向电阻大致自500欧变到400欧左右。如果所用晶体三极管质量愈好(β愈大),R1用得愈大,这时二极管内阻变化对偏压起的影响也愈大。这样,当环境温度变化时,在不加再生的情况下,本机的收听效果将有显著变化。但如加上再生,则又会随着温度变化产生啸叫,再生不好。
改进的建议是将C\(_{1}\)改作再生电容器;并切断检波电路与晶体三极管基极电路间的直流耦合,改用一个超小型电解电容器C5作音频耦合(见图2)。另外再用一个10K左右的电阻R\(_{2}\)作检波直流负载。耳塞机上并联一个0.01微法电容,以改善收听效果。注意,这时R1′,要用得比原来的R\(_{1}\)大得多,以使集电极电流仍保持在1~1.5毫安范围内。这样基本上已解决了上述因温度变化而引起的收音机性能不稳定的问题。但是收听当地强功率电台时失真较大,且有时引起啸叫,因而又在C5两端并联一个约10~30K的电阻R\(_{3}\)(见图3)。加添这个电阻有两种作用:①一部分检波后的直流成分通过此电阻反馈到高频晶体三极管基极,当收到的信号增强时,检波后的直流分量也增大,它将使偏流减小,管子的放大率减低,从而起了自动控制音量的作用;②另一方面,当温度升高时,由于二极管正向电阻减小,晶体三极管的偏流也减小。若这个电阻选择得合适,可以稳定三极管的集电极电流,使它不随温度变化而变化。


经过这样改装,收音机的性能已相当稳定,在零下7~8℃到零上20℃左右范围内基本上没有多大变化。但是经过实际试用,发现对弱场强的电台接收能力还较差。原来这是由于二极管的工作点还不合适,因为一般晶体二极管的特性曲线在零点附近很平坦,检波效率很差。为此又在二极管上加了一个不大的偏压,由电阻R\(_{4}\)供给,使二极管工作点移到检波效率较高的位置(R4一般在20~30K范围内选取)。
改装后,白天在北京收听河北省台声音很大,晚上可以听到山东、河南、辽宁等台,工作很稳定。(沈成衡)
关于进一步提高灵敏度的建议

1.提高灵敏度:把原机的补偿电容器C\(_{1}\)从原来的地方断开,一端改接到晶体三极管的集电极;另一端在L1、C\(_{0}\)的并联引线上绕一、二圈(图中虚线为原接情况)。这样就使集电极C输出的高频信号中有一部分又回送到输入回路,从而产生再生,使本机的灵敏度得以提高。注意不要直接将一头焊到原调谐线圈L1的上端,否则再生太强,无法收听。C\(_{1}\)的安装位置不必动,只要改一下接线就行了。改接后,需要调整C1的电容量,以取得合适的再生强度。调整的方法是先把C\(_{0}\)完全旋出来,然后调C1,使本机即将产生尖叫声(即临界振荡)为止。
2.提高本机接受微弱信号(外地电台)时的稳定性和改善音质:加了再生后,为了防止振荡,尤其是接收弱电台时容易产生尖叫,在耳机两端并联上一个0.01微法小型电容器,以旁路高频信号。这样改接后音质也好了,声音不那么尖了。
3.在电池两端并联一个6伏20微法小型电解电容器。收音机听了几个星期以后,电池电压降低,内阻增加,容易引起寄生振荡,使音质不如新电池时清晰悦耳。加电容器后,使信号不再通过电池。这样电池旧一些也还可以继续收听,延长了电池的使用期。
通过以上三点改进,本机收听效果得到显著改善。经试验,集电极电流从1.5毫安降到700微安还能继续收听。白天在北京可以收到河北人民广播电台的播音,晚上收听山东、河南、陕西、安徽等地电台也没有问题。在离开城市较远的乡村使用本机,采取上述第1点改进措施尤为需要。以上几点建议仅供大家参考。 (王庆荣)