扬声器是收音机、扩音机和电视机等各种仪器设备的放声系统中的主要元件。这些设备发音音质的好坏,扬声器起着重要的作用。怎样才能知道扬声器的质量好坏呢?除去实地作主观试听外,还要用一套完备的仪器和设备,经过细致准确的测试后,才能给出确切的答案。扬声器的各项测试过程是比较复杂的。这里只能简要地介绍一下测试的方法和有关的知识。
扬声器的质量好坏可以从三方面来检查,下面将逐一介绍。
一、外观检查
对于被测试的扬声器,首先要经过外观检查。外观合格的扬声器应当是:商标完整;涂复均匀无损伤;铆接牢固;磁体完整;纸盆和定心支片压制均匀,无损伤,胶粘牢固;压条及防尘罩整洁,胶粘牢固;盆架及上、下夹板加工良好无毛刺等。
二、电气、电声性能测试
1.纯音监听:在扬声路上加上与标称值功率相当的标称电压(根据标称功率和标称阻抗算出)的纯音频信号(见图1)。在规定的频率范围(对不同口径有不同规定,一般65毫米口径扬声器规定为300~4000赫)内来回变化频率,倾听是否夹杂有咔哒声。如分辨不出不能肯定时,可将信号加大到150%标称电压来监听。如果听不到咔哒声,证明性能良好。否则即是该扬声器音圈装配不正或气隙内有杂物,不能使用。

2.阻抗测量:测量阻抗有两种方法:即代替法和比较法。这里着重介绍代替法测量。
代替法测量电路见图2。把扬声器放在2米以内无反射物的地方。馈到扬声器上的信号电压应为相当于输入功率为0.1伏安时的电压。对于口径在130毫米到250毫米的扬声器,测试信号频率选取400赫;100毫米以下的则选用1000赫。这时电压表有一指示。然后将开关(K)扳到可变电阻箱的位置。调节可变电阻箱,使电压表指示等于前一指示值为止。这时可变电阻箱上的数值,就是扬声器的阻抗值。图中串联电阻R的数值应大于扬声器阻抗与信号源输出阻抗之和的3倍以上,以便于比较电表读数。电阻箱应是无感的。

3.谐振频率测量:
测量谐振频率所要求的环境和测试信号,都和测量阻抗时相同,只是在测量电路上去掉了电阻箱,电子管电压表跨接到扬声器两端。测量时,改变音频振荡器的频率,同时注意电压表读数的变化。当电子管电压表指数最大时,振荡器调到的频率数,就是该扬声器的谐振频率。
4.频率响应曲线测量:把电压或电功率保持不变的测试信号送进扬声器,改变信号的频率,扬声器的声压或声强将随着变化,把这种变化情形描绘成曲线,就叫做扬声器的频率响应曲线。

测量方法是把被测扬声器安装在标准助声板上。在扬声器轴线上离开它1米远放一个测试用传声器(即通称的话筒)。按照图3电路接好全部测试仪器。馈送给扬声器以相当于输入功率0.1伏安的信号电压。扬声器放出的声音送进传声器,又变为电信号,再经测试放大器放大后,送到自动电平记录仪,自动记录出该扬声器的频率响应曲线(例如图4所示)。

如没有自动记录仪,也可以逐点测量。这时测量电路应稍作改动,即将自动记录仪改换为电子管电压表,其余部分照旧。测量时可按照图4横坐标上所注几个频率数变换测试频率。结果将测出各个频率时的电压值,再按照下列关系式换算成声压级(分贝数),便可画出与上述自动描绘的曲线类似的频响曲线。换算关系如下:
U\(_{f}\)=VfK\(_{f}\)
式中:V\(_{f}\)——某频率时测试放大器输出端的电压;
K\(_{f}\)——测试放大器的放大倍数;
U\(_{f}\)——该频率时的实际电压。
根据求出的U\(_{f}\),再用下式求出扬声器在该频率时的声压Pf(微巴),即
P\(_{f}\)=UfE\(_{f}\)
式中E\(_{f}\)——传声器在该频率时的灵敏度。
最后根据下式算出声压级(分贝)
db=20log\(\frac{P}{_{f}}\)2×10\(^{-}\)4
式中2×10\(^{-}\)4——参考声压值(微巴),这是人耳对1000赫信号刚刚能听到的声压。
频响曲线一般利用消声室测量。测量时扬声器和测试传声器放在消声室内(图中虚线方框表示消声室),离地面吸声材料高度应大于1米。其它测试仪器放在消声室旁边的一般测量室内,通过电缆来输送测试信号。消声室内四壁和天花板、地面都布满了吸声材料,如玻璃丝、棉花等所构成的凹凸面,布置形式很多,本期封面所示就是用吸声材料做的许多楔形体布置起来的。测量过程中消声室关闭,外界噪声被隔绝,不能进消声室,内壁对声音的反射也很小,这就使测试的完全是扬声器发出的声音,没有其它噪声和反射声干扰。
如果没有消声室,在露天室外也可进行测量,但必须满足下列条件测试结果才可靠,即:测试场地四周15米内无反射物;扬声器与测试传声器离地面高度不低于6米;环境噪声水平应在45分贝以下,或至少低于声压水平30分贝。

5.谐波系数测量:测量谐波系数所需要的环境与测量频率响应曲线一样。测量线路见图5。把标称电压馈送到扬声器。在如前述规定的频率范围内使频率连续变化。电压保持恒定。观察示波器。如果发现在某一频率上波形有失真(即呈现非正弦形),即用谐波分析仪测量。先测量出基波的声压数,再测量出第二、第三、……到第n次谐波的声压数。然后用下式计算出该频率时的谐波系数,即
K\(_{f}\)=\(\sqrt{P}\)2\(^{2}\)+P\(_{3}\)2+P4\(^{2}\)+…+P\(_{n}\)2P1\(^{2}\)+P\(_{2}\)2+P3\(^{2}\)+P\(_{4}\)2+…+Pn\(^{2}\)×100%
式中:P\(_{1}\)——基波的声压;
P\(_{2}\)、P3……P\(_{n}\)——各次谐波的声压。
扬声器有谐波存在,声音将失真,音质有变化。除去谐波失真以外,还有互调失真和瞬态失真,对音质的影响也很大,粗浅地说,这是由于扬声器纸盆等声系统对不同音频的惯性不同而引起。一般很少测量这两种失真,这里就不多介绍了。
6.指向性图案测量:把某种频率的信号送进扬声器时,它向各个方向辐射的声音强度不同。通常是用指向性(也叫“方向性”)来说明扬声器的这种特性。指向性在某些场合很有用,例如我们只要向某个方向发送广播声音时,可以利用指向性强的扬声器,它能把绝大部分声音集中向一个方向辐射,这就大大提高了工作的效率。各种扬声器的指向性都不同。例如高音号筒式扬声器的指向性很强。我们正对着它的时候,听到的声音很大;刚刚偏离一点角度时,就会感到声音减弱很多。又如常见的收音机上用的纸盆扬声器就不同了,我们在它四周听到的声音都差不多大。这说明它的指向性较弱。
此外,把不同频率的信号加给扬声器,它在各种频率时的指向性也不同:可能低频时指向性较弱;而高频时指向性就强(参看图6)。

为了说明一个扬声器的指向性如何,可以用直角坐标画曲线表示,就得到指向性曲线。更直观的表示法是用极坐标图来表示,就得到如图6的所谓“指向性图案”。
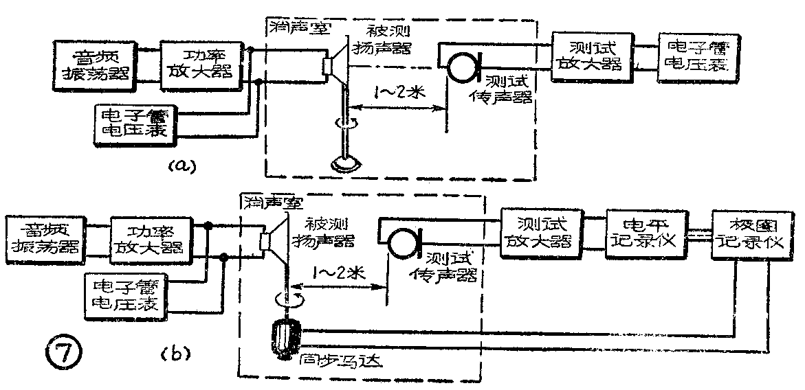
指向性图案的测量方法有两种:一种是人工转动扬声器进行测量;另一种是自动测量法。测量时对环境的要求和测量频率响应曲线时相同。

人工测量电路见图7a。测试传声器放在扬声器轴线上,离开扬声器1~2米远。将单音频信号送进扬声器。信号电压等于扬声器标称功率时的电压。用人工在垂直地面的轴线上单方向转动扬声器。以扬声器对准传声器时为零度。每次转动15°或30°,转360°后回到原位。每转一次,记一次电压表的读数。测量完毕就得到各个角度时的电压值(U\(_{α}\))。把它们与零度时电压值(U0)的比值分别用下式换算为分贝数(db),即
db=20log\(\frac{U}{_{α}}\)U0
就可以得到各不同角度上的许多分贝数,在极坐标上得到许多点,把这些点连成曲线,就画出了指向性图案。
自动测量电路见图7b。在测试放大器后面连接自动电平记录仪,再通过软轴,连接上自动极图记录仪。然后通过软轴带动扬声器转动;或送出一遥控电信号使同步马达启动,从而带动扬声器转动(图中所示便是后一种方式)。测量之前先调整好扬声器的方向(扬声器对准传声器时为零度)。测量时,启动电平记录仪,打开极图记录仪开关,它上面的极坐标指向性图案记录圆盘和记录纸跟着转动起来,同时送出信号控制扬声器与它同步地转动。这时从自动电平记录仪伸过来的记录笔尖就在极图记录纸上画出指向性图案。
三、可靠性试验
扬声器产品要经过不同运输工具运输,而且要在各种不同气候条件下使用,因此扬声器的质量好坏也需要从它耐受各种环境影响的能力方面进行检验。
1.振动试验:在加速度为4g、频率为20、30、40和50赫时的情况下,把扬声器分别以垂直位置和水平位置固定在振动台上各振动20分钟。振完后,给扬声器输入标称电压的纯音信号或语言、音乐信号,在规定工作频率范围内,扬声器不应有咔哒声。振幅S(毫米)由下式计算:
S=g0.004f\(^{2}\)
式中:f——振动频率,赫;
g——重力加速度。
2.高温试验:扬声器放在烘箱内,输入给扬声器以标称电压的语言、音乐信号。规定烘箱内温度以每分钟上升3°~4℃的速度升到±55℃±2℃时扬声器开始工作,4小时后,将扬声器从烘箱中取出来作纯音监听,应该无咔哒声。然后再在温度为+20°±5℃、相对湿度为65±15%的条件下搁置4小时(扬声器自烘箱内取出时起算)后,进行外观检查和绝缘电阻、耐压试验,都应合格(这两次试验内容见下述)。
3.潮湿试验:扬声器放在温度为+20°±5℃、相对湿度为95±3%的环境中,加上标称电压的语言或音乐信号,工作24小时后,再在温度+20°±5℃、相对湿度为65±15%的条件下搁置4小时后再进行外观检查、纯音监听、绝缘电阻和耐压试验,应该合格。
4.低温试验:扬声器放在低温箱内进行。箱内温度以每分钟3°~4℃的速度下降到-40°±2℃,扬声器在这个温度上搁置4小时后,将扬声器取出来。再在温度为+20°±5℃、相对湿度为65±15%的条件下搁置4小时后进行外观检查和纯音监听,应当合格。
5.绝缘电阻试验:在温度为+20°±5℃、相对湿度为65±15%的条件下,用100伏直流电压测试,扬声器音圈出头与磁路或盆架问的绝缘电阻应该不小于10兆欧。
6.耐压试验:将220伏交流电压加在扬声器的音圈引线与外壳之间,历时1分钟,不应该有击穿或跳火现象。
7.负荷试验:将频率50~1000赫连续变化的标称电压信号加给扬声器,电压值要保证不超过标称值的25%。振荡器频率每分钟变化一次,每次从50赫连续变到1000赫,再变回到50赫。这样工作72小时后,检查振动系统有无因振动而产生的机械损伤或开胶等现象。
8.冲击试验:将包装好的扬声器,仿照运输时的情况,固定在冲击台上进行试验。扬声器应能承受频率每分钟30~60次、加速度为15g的冲击1000次,无松胶或机械损伤。(张启海)