按键式开关新颖、美观,使用方便,所以在一些新式收音机中广泛采用。最近我们制作了一种小型的按键式开关可以作多种用途,例如,把它装在袖珍式晶体管收音机上,可以转换几个固定调谐的电台。这个开关是利用手头废旧材料自制的,结构简单、小巧玲珑,材料来源容易,加工也不困难。考虑到一般简易晶体管收音机大都只收两、三个本地电台,并且为了体积不致太大,这个开关装有三个控制电台的键钮和一个关机用的“释放”键钮。如需接收较多的电台,可以根据情况增多键钮。
一、结构说明
为了便于理解,下面先对开关的结构和动作原理大致作一些介绍。图1是总的示意图。开关由框架、四个键钮、锁板、锁板轴、拉簧和弹性极片等几部分组成。键钮可以在框架顶板的圆洞内上下活动。锁板一端固定在锁板轴上,另一端用拉簧拉着。锁板轴和拉簧都固定在框架的左、右侧面上。弹性极片固定在框架的底板上。

开关的静止状态如图1所示。几个键钮被锁板顶住,下不去,不能和弹性极片接触。四块弹性极片向上弹起。工作时,按下一个键钮,克服锁板的阻挡,一直向下接触并压住弹性极片(作为电路的一个接点),键钮顶端粘有一小金属电极片(作为电路另一接点),于是电路被接通。当按键手指松开后,锁板会卡住这个键钮,使它的电极片和弹性极片保持接触,电路一直接通,除非按下另一控制键钮或释放键钮,它是不会回到原位的。这是开关动作的大致情况,关于按键以及换键、释放等动作下面再分别细谈。
二、开关的各部件制作
(1)“控制”键钮:“控制”键钮的制作见图2甲。它是由键身和电极片组成。键身是用直径5毫米、长22毫米的塑料圆棒(从废塑料衣架的横梁上截取。也可利用塑料筷子等)加工成图中的形状。在键钮稍粗的下段锉有卡槽,键的底面为倾斜度很大的斜面。电极片用万能胶水牢粘在键底,它是用紫铜片剪折并焊接上引线制成。

(2)“释放”键钮;“释放”键钮的制作与“控制”键钮大体相同。所异有二:①没有键底的电极片和键腰上的卡槽。②在键钮底部的斜面上嵌有一段6毫米长的细铅丝(如24号),其中有一小部分伸出键外,且在顶部呈弧形弯钩(见图2乙),其作用是在释放时易于被锁板弹回,减小阻力。
(3)锁板:如图3所示。它是将铁片(薄一点的加工比较容易一些)细心弯制成图中的形状。取一段长48毫米的18号铅丝,锤直后作为锁板轴。拉着锁板用的拉簧是利用收音机度盘走线用的小拉簧,要求弹性强一些,这样效果要好一些,不过也不能拉得过紧,不然又会影响开关的灵活性,可以由实验决定。安装时一端拴在锁板上,另一端被铆在框形支架右侧面上(见图1)。

(4)弹性极片:弹性极片的制作见图4。取一块面积34×10毫米的金属薄板,要求弹性和导电性能俱佳。我们用的是磷铜片。先用剪刀在图中的短线处剪开,然后再按虚线弯折,最后焊上引线。安装是用万能胶水固定在框形支架底板上的。

(5)框架:制作框架用的构件如图5所示。用2毫米左右厚塑料板按图中尺寸割妥,钻好孔后再用万能胶水胶合而成。钻孔时若没有摇钻,也可以利用加热的方法烫穿,待冷却后再将不规则部分用锉锉齐。

三、开关的动作
(1)按键:在没有按键以前,开关的各个键钮的底斜面都被锁板挡住,因此它们顶端的电极片都与弹性片脱开。
在按下一个“控制”键钮(例如键钮“1”)时,这个键钮就通过其底部斜面推动锁板的可旋边下沉。这时其余各个键钮将随锁板旋边的下沉而自由下落,当它们接触到下面的弹性极片后,就被托住不再下落了。被按的键钮却继续克服锁板对它的夹持力和弹性极片对它的弹力一直向下推进。当这个键钮按到一定程度时,锁板的旋边会滑过斜面滑进它的卡槽。在拉簧的拉力作用下,锁板立即恢复原状(图6,甲),于是没有被按的各键钮被锁板向上推回到原位。当按键的手指松开时,弹性极片将被按的键钮向上弹起,但此时锁板已经滑进它的卡槽,所以被锁住不能回到原来的位置。因此它的电极片与弹性极片能保持住紧密的接触,从而使它所控制的电路保持接通状态(见图6,乙)。

(2)换键:当按下另一个新的“控制”键钮(例如按键2)时,这个开关可以自动完成电路的转换工作。新键钮的按键动作及控制过程皆如上述“按键”一节。在新键钮的推动下,锁板之旋边不断下沉,并且沿着键钮2的斜面逐渐向最上端的K点(图7)滑移。与此同时,被锁板锁住的前一被按键钮1在锁板的旋边被迫下降过程中也随着下降,并使锁板逐渐滑到它的卡槽的边缘,到按至一定程度时,将脱离卡槽,键钮1失去控制,于是被弹性极片弹起,继而又在键钮2释手,锁板弹回时被弹回原位。新按键钮2则被锁板锁住。被键钮2控制的电路接通,原来的电路断开。

(3)回键:回键时,须按入“释放”键钮(键钮4)。这个键钮的任务是推开(向下)锁板的旋端以释放被按入的“控制”键钮。放手后“释放”键钮本身连同开关的各“控制”键钮在锁板及弹性极片的双重弹力作用下,自动回到原来位置。
四、应用举例
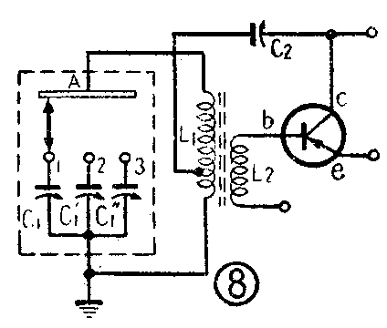
将这个开关用在晶体管收音机上,可以进行固定式调谐,也就是按下按键1、2、3,可以分别控制三个电台。电路接法见图8。图中A点接到弹性极片上,接点1、2、3则分别接到三个键钮底端的电极片上。按下某键钮,例如“ l”,将使A点和接点“l”相接(如图中粗箭头所示),于是电容器C\(_{1}\)和线圈L1 并联,接成一个调谐回路,频率与这个回路的谐振频率一致的电台信号便顺利地通过它进入收音机。同样按下其它键钮,将使不同的电容器(C′\(_{1}\)或C″1)和线圈并联,构成不同的调谐回路,从而便于不同频率的电台信号进入。这样就达到挑选电台的目的。

图9是这个开关装在小型晶体管收音机上的外貌。

上面介绍的开关只能作为爱好者自制时参考。在制作上可能还有许多缺点,希望与大家共同研究改进。(张世弘)