在电视机中,显像管光屏上的光栅是由电子束同时沿水平方向及垂直方向扫描而形成的。使电子束产生扫描运动的任务,由扫描部分来担任。扫描部分包括场(垂直)扫描电路和行(水平)扫描电路,分别用来控制电子束的垂直方向(上下)运动和水平方向(左右)运动。无论是场扫描电路或是行扫描电路,其方框图均如图1所示。扫描输出级以偏转线圈为负载,在线圈中产生一个锯齿形电流,使电子束随之作等速扫描运动。为了输出锯齿形电流,就要在输出级的栅极加上一个锯齿脉冲形或锯齿形控制电压。这个控制电压是由一个所谓控制电压发生器的电路来形成,并且这个电路要受到同步脉冲的控制。

偏转线圈

在电视机的显像管中,不采用示波器中常见的静电偏转,而是毫无例外地采用电磁偏转。为此就要在显像管管颈上套上一副偏转线圈。整副偏转线圈中包括场偏转线圈和行偏转线圈两部分。每部分又各有两只互相串联的单独绕组,分别贴于显像管管颈两侧。图2a就是场偏转线圈立体图,它置于管颈的左右侧,在ab间输入电流后,两个绕组在水平方向上产生方向相同的磁力线,使电子束上下移动。同样,行偏转线圈也有两只绕组,分别贴在管颈的上下侧,其磁力线方向则是垂直的,使电子束左右移动。一只流行型式的整副偏转线圈的截面图如图2b所示。下面我们介绍有关偏转线圈的一些特点:(1)在电视广播中是采用直线性扫描组成矩形光栅。为了保证直线扫描,需要电子束在光屏的垂直和水平方向都作等速运动,这就要求在偏转线圈中通过线性的锯齿形电流。否则将使图像产生亮度、清晰度与非线性畸变。(2)为了减小光栅的几何失真(即光栅不为矩形而为桶形或枕形的畸变),应该正确设计偏转线圈的绕法,使得线圈内(也即是显像管管轴内部)有一个均匀的磁场。另外,为了减少磁场边缘效应对电子束聚焦的影响,往往把偏转线圈前后两端往外翘起(图2a)。(3)由于行扫描频率较高,所需的偏转安匝数就较大。为了尽量减少所要求的安匝数,就把行偏转线圈放在最里面,贴近管颈,因为这样可以提高偏转灵敏度;至于场偏转线圈则放在行偏转线圈的外面。它们之间还应互相垂直,以免使光栅发生平行四边形状畸变。(4)为了避免偏转磁场对外部发生影响,同时为了提高偏转系统的灵敏度,一般在线圈外面包上一只铁淦氧磁环如图2b所示,其导磁率在400~800之间。实际成品常常还在外面加一只铝罩,以屏蔽其静电场对外界的干扰。(5)行偏转线圈在工作时,其两端脉冲电压可高达数千伏,所以应该用高绝缘强度的漆包线绕制,并且和场偏转线圈及铝罩之间的绝缘要求也需较高。(6)当输出级电路形式(包括匹配)及显像管第二阳极高压相同时,具有相同偏转角的不同显像管可以采用同一规格的偏转线圈,而与光屏尺寸的大小无关。当偏转线圈型式一经确定时,则偏转量就和所通过的锯齿电流振幅成正比。目前流行的标准化通用70°偏转角的偏转线圈的数据列于表(1),它可用于35SX2Б或43SX3Б中。
表 1
线圈参数 行 场
每对线圈电感(毫亨) 13 8
每个线组电感(毫亨) 5 3.2
直流电阻 8×2 4×2
导线直径(毫米) 0.35 0.44
(行线圈在频率为15千赫场线圈在1千赫
时测得)
控制电压发生器

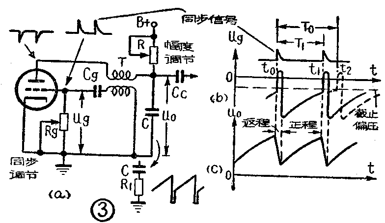
产生锯齿形电压的控制电压发生器如图3a所示(参看1963年12期7页),而其输出波形则如图3C所示。它实际上包括一个间歇振荡器(参阅1963年10期4页)和一个RC放电电路(在有些电视机中,不用间歇振荡器,而用阴极耦合多谐振荡器)。如果我们在图3a中放电电容C的下面接入一只电阻R\(_{1}\),那末,输出电压将为锯齿脉冲电压(参阅1964年1期3页)。这些控制电压经过耦合电容器C后,便除去其直流成分而加到扫描输出级的栅极。
间歇振荡是自激式的,即使天线中没有信号输入,它也能工作,因而光屏上也会出现光栅。但一旦接收到电视信号后,它的频率便要受到外来同步信号的控制,即所谓“同步”。同步的作用可由图3b来说明。这里正的同步信号应加到振荡器的栅极。设在时间为t\(_{o}\)时振荡器受到第一个同步信号的同步而导电,这时输出锯齿形电压就迅速开始返程,电子管再次处于截止状态。以后电容器Cg就通过R\(_{g}\)缓缓放电,栅压沿指数曲线渐渐趋近截止线。假如没有第二个同步信号来到,栅压将会沿虚线上升,在时间为T2时到达截止线而使锯齿形电压开始返程,这时振荡周期为T\(_{o}\)。但是,由于第2个同步信号在比t2稍前一些的时刻T\(_{1}\)到达,正的同步信号电压迭加在栅压上使总栅压超过截止线,于是电子管提前于时间为t1时导电,使锯齿波返程提早开始,周期变为T\(_{1}\);也就是和同步信号同步。
由上面所述,我们可以得到下面几点结论:(1)振荡器电子管的栅负压的峰值虽然很大,但在电容器放电的最后阶段(即接近截止线时)。甚至几伏的同步信号便可触发振荡器,使它锁定在同步信号的频率上。(2)加到栅极的同步信号应该具有正的极性。反之,如果是负的,那就要加到屏极去(见图3a),因为这时它可以被转换为栅极电路中的正脉冲,因而得到上述的相同作用。(3)由图3b可以看出,间歇振荡器的自由振荡频率应稍低于同步信号的频率(即T\(_{o}\)>T1),才能得到稳定的同步作用。如果它高于同步信号频率,那么在同步信号未到来之前,振荡器就已经自动触发,而使返程开始,同步信号将不起作用。即使这两个频率相同,那也不会获得良好的同步作用。因为振荡器的频率有时可能漂移到比同步信号频率高一些,这样同步就失灵了。为此,电阻R\(_{g}\)通常是可变的,它就是通称的“同步调节器”,利用它可以把振荡器的自由振荡频率调到稍稍低于同步信号频率的最佳状态。图3中的电阻R也是可变的,调节R的阻值,可以改变电子管的屏压;用以调节输出的锯齿脉冲电压幅度。
场(垂直)扫描输出级

场扫描输出线的基本电路如图4a所示,它的负载是场偏转线圈。由于场扫描的频率很低(50赫),所以它的输出功率较小,而且分布电容的作用影响很小,因此它实际上是一个小功率低频放大器,一般可以采用小功率三极管或五极管。三极管直线性较好,五极管则互导较大,在输入电压较小时可以得到较大的电流振幅,故效率较高。由于输出功率不大,故在场扫描输出级中效率问题是次要的。因为偏转线圈既有电阻成分(r\(_{k}\)),又有感抗成分(Lk),因此场扫描输出线的栅极控制电压应该是锯齿脉冲电压,才能在这个线圈中产生一个锯齿形电流。又由于偏转线圈是低阻抗的,因此需要用一只降压比的变压器来进行匹配。
在返程时输出管栅极电压急剧下降。使输出管的内阻急速上升,甚至截止了电子管。于是大大减弱了对电路电感和分布电容所组成的回路的阻尼作用(即使在场扫描输出级中,由于逆程时间很短,所以逆程时还不能完全忽略分布电容的影响),这样就可能会使回路中发生衰减的正弦振荡,迭加到偏转电流上去(图5),这样就会使光栅失真。因此通常在偏转线圈上并联一个阻尼电阻,来消除这种振荡。考虑到偏转线圈参数的对称性,把阻尼电阻分为两半,并各自并联到一只绕组上去较好(图8a中的R\(_{1}\)、R2)。

大家知道,在低频放大器中,存在低频畸变的问题。在场扫描输出级中,也存在同样的问题。低频畸变将使输出锯齿电流直线性变坏。因此,在场扫描中如何改善扫描直线性的问题是最主要的。
场偏转线圈在50赫这样低的频率时电阻分量比感抗大得多,因此可以简单地把它的阻抗看作是一个电阻。所以场扫描输出级的等效电路将如图4b所示的形式。这里R\(_{2}\)为电子管内阻(包括初级绕组电阻),La为变压器初级电感,r\(_{k}\)'为场偏转线圈的电阻分量(包括次级绕组电阻)反射到初级的等效电阻;由于频率很低,所以这里忽略了漏感及公布电容。从等效电路可以明显地看出,由于初级电感La总不能做成无穷大,所以对负载rk′有分流作用。假定电子管的特性是线性的,并且输入端加上一个线性良好的锯齿脉冲电压,那么,由于电感分流作用,在偏转线圈中的锯齿形电流的失真波形将如图6所示。这个波形表明,在周期的起始部分,电流急速上升,相应于图像的上部拉长;然后在周期末端。电流上升得非常慢,相应于图像下部被压缩。电感越大时,这种失真也越小;电感越小时,分流作用越大,故失真也就越大。


为了降低成本和减小重量,通常输出变压器的初级电感不可能做得很大,因此就必须想法来补偿这种低频失真。图7中先假定输出锯齿形电流是理想直线上升的,然后在这一前提下来研究补偿的可能性。图7a是偏转线圈中的理想电流波形i\(_{k}\)′,图7b是线圈两端的折合电压Uk′,它也是线性的。图7C则是在初级电感的两端的电压为U\(_{k}\)时,电感中流过的电流iL,它是下凹的抛物线状。电子管屏流i\(_{a}\)等于这两个电流之和,因此它的波形就应该也是向下凹的,如图7d所示。于是,我们就得出这样的结论:只要我们设法使输出管屏流有一个适当的下凹抛物线分量,那未偏转线圈的电流就是线性上升的了。这一点也很容易理解,因为为了抵消图6电流向上凸的畸变,使屏流预先有一个相反方向的畸变是有益的。
垂直线性的补偿方法


常见的补偿方法有三:(1)输出管的栅极加入一个直线性的锯齿脉冲电压,而利用输出管特性曲线的弯曲部分来进行补偿。图8a就是这样的电路。为了抵消变压器所引起的畸变,常选用具有合适特性曲线的三极管,图8b说明由于特性曲线的非线性而使输出管屏流具有下凹的抛物线性分量,这正合乎补偿的要求。改变R\(_{k}\)的数值就可改变输出级的工作点,因而可以改变偏转电流的线性。这种补偿法最简单,但它的补偿范围不能很大,所以要求变压器的电感要相当大,而且当输出管老化或更换,以及电源电压变化时,直线性要受到较大影响。(2)在输出级与放电电路之间加入一个由RC元件所组成的积分电路,使加到输出极栅极上去的电压含有抛物线分量,如图9所示。于是在电子管特性近于直线时,便可获得具有抛物线分量的屏流,调节R1便可改善线性。这种电路有许多种形式,它的缺点是由于积分后输入电压减少很多。故前面的输入电压要求很大,但这样又会使锯齿脉冲电压中有更大的指数性畸变(向上凸)。(3)利用负反馈进行补偿。这种方法不但可补偿变压器引起的畸变,而且还补偿输出管特性曲线的非线性,因此可以使用效率较高的五极管或电子注功率管。这种电路的形式也很多,图10是从变压器初级反馈的电路的一个例子,其中C\(_{d}\)、Rd、R\(_{f}\)和Rg组成反馈网络,使得栅极输入电压产生一个下凹的抛物形分量,如图中所示。实际上,为了改善反馈电压的波形,反馈电路往往还更复杂一些。负反馈补偿法的重大优点在于具有自动调节作用和工作稳定的性能。当电源工作不稳定、电子管老化或受热而产生参量的变化,使得偏转电流发生变化时。反馈能自动校正电流波形。

此外,有些厂家还生产了专门为场扫描输出级用的电子管,例如PCL-82。这种电子管具有下凹的抛物线形特性曲线,因而在栅极输入线性锯齿脉冲电压时,可以给出线性的偏转电流。(莫锦源)