本文介绍一只体积小、耗电省的音频信号发生器制作方法。它很适合业余爱好者用于实验、装配和检修收音机、扩音机等无线电设备。对于无电地区或流动工作的专业无线电修配人员来说,携带使用也很方便。

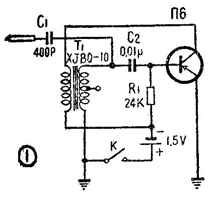
这只音频信号发生器是由一个单管电感反馈的振荡电路构成,具体电路如图1。晶体管可用任一种П6或其同类型的低频管。当开关K闭合电源接通后,晶体管的集电极电流要经过耦合变压器T的初级线圈流到电源电池的负极。这样由于电感耦合,变压器T的次级便产生感应电流,经过隔直流电容器C\(_{2}\)注入给晶体管的基极。由于变压器线圈的耦合形成正反馈,所以整个电路就会连续自激产生振荡,它的频率由变压器T次级线圈电感和电容C2决定。图中R\(_{1}\)是供给基极的偏流电阻,C1是音频信号电压输出的耦合电容器。
仪器的全部元件装在一块厚2毫米、长宽为160×20毫米的层压胶布安装板上。制作时首先将切好的胶板按元件位置打上小孔,铆上空心钉,以便焊接电路之用。元件的具体排列和实体接线见图2。1.5伏电源小电池系装在有弹力的夹子上,可以随时接入或取下,所以实际上电源开关K可以不用。在装配中应当注意的是:电容器C\(_{1}\)选用介质优良的云母电容器,以防外路电压打穿。变压器T用华北厂产品晶体管收音机用XJBO—10型输入变压器。自行绕制用截面积6×6毫米的日字形铁淦氧磁心,初次级用0.1毫米漆包线各绕1000圈。实验证明采用XJBO—10型产品变压器如图示接法,可得1000赫左右的音频频率。如果需用更低的频率,可以从增加C2的电容量来获得。测试本仪器是否起振工作,可将耳机一端接至电池“+”端,一端接到探针上。如果仪器正常,耳机内可以听到清晰的音频信号。如果不振,可将变压器初级或次级线圈的接线两端对调一下。(王本轩)
