美多28A型晶体管收音机是一架可以收听中、短波两个波段的便携式八管超外差式收音机。它是上海无线电三厂正在大批生产的新产品,适合在无交流电源条件下,或供出差旅行携带,随地收听远地广播之用。收音机所用晶体管及小型元件全部是国产品,机器的性能优越,工艺精巧。
本机全部机件及电池装在一只彩色塑料机壳内,其外形及内部结构见封底附图。机壳正面左上部为电源开关及音量调节器,右上部为选择电台的调谐旋钮。波段转换开关装在机壳右侧面。机内中、短波段都采用磁性天线。两个波段的线圈同绕在一根磁性瓷棒上。机上还附有可以伸缩的杆状天线(装在机壳上侧左端),供收听短波时使用。另外,为了便于边远地区使用,还备有外接天线插孔(在杆状天线插孔旁边),在需要时可接入外接天线,提高接收短波的能力。

本机内部接线,除波段转换部分外,全部采用印制电路。扬声器为铝镍钴五类磁钢制的100毫米径8欧0.5瓦永磁式,放音效果优良。电源为直流6伏,只需音通手电筒用的2号小圆干电池四节即可工作。机器的最大功率输出约为200毫瓦,但最大电流消耗仅为65毫安左右。如果每天使用二小时,一套干电池可使用一个月以上。
电路简介

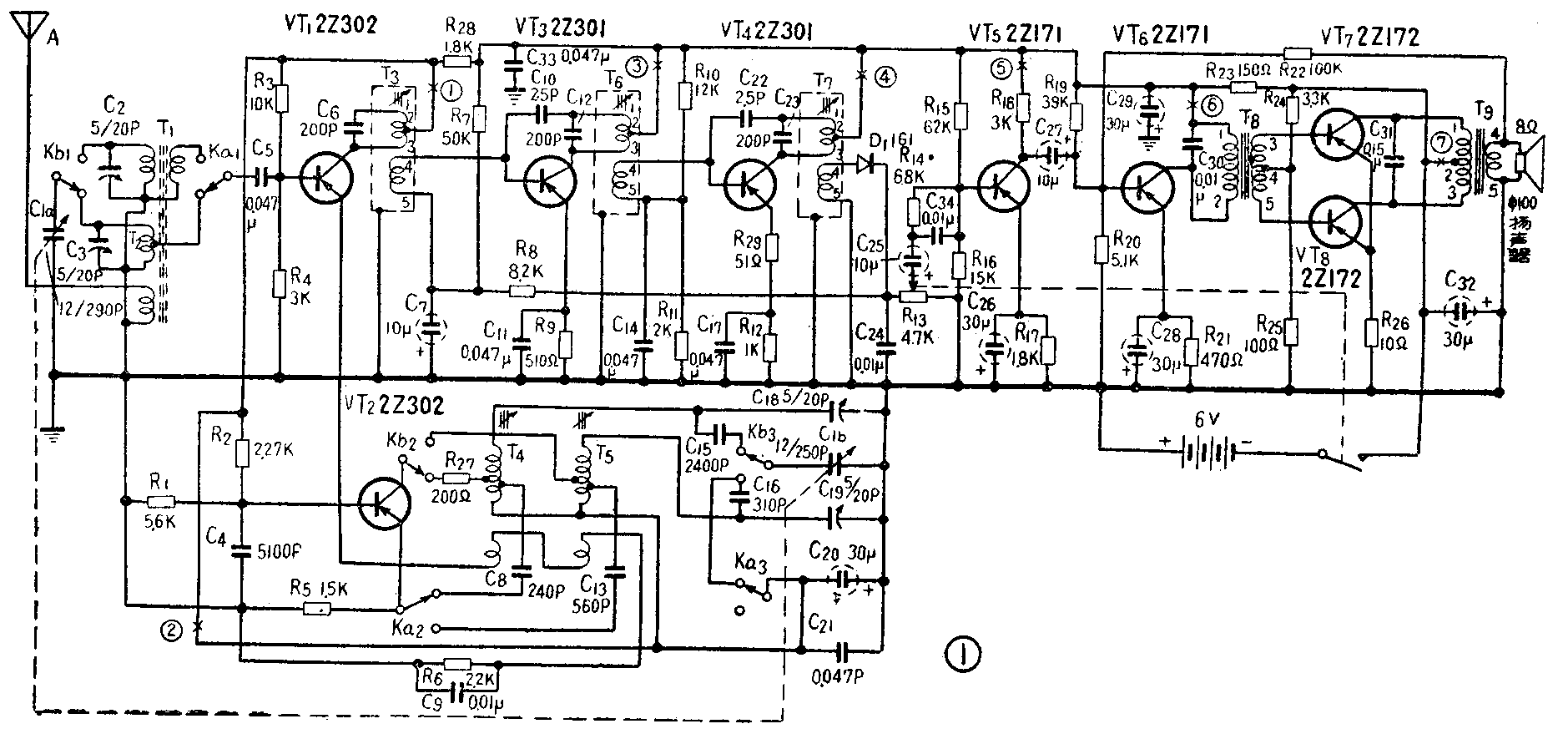
本机采用八只晶体三极管和一只晶体二极管组成超外差式电路,其原理图如图1所示。为了保证收音机在不同波段的工作特性都能稳定,混频和本机振荡分由两管担任。VT\(_{1}\)为2Z302(或2SA102),用作高频输入及混频管。VT2为2Z302用作本机振荡。VT\(_{3}\)及VT4为中频放大级,采用两只2Z301(或2SA101)。D\(_{1}\)为1G1型二极管,用作检波及自动增益控制。VT5为2Z171(或2SB171),作音频前置放大器。VT\(_{6}\)为2Z171,作音频激励放大级。VT7及VT\(_{8}\)均为2Z172(或2SB172),接成为乙类推挽输出功率放大器。本机振荡信号注入VT1的发射极,进行混频。短波段在加用杆状天线时,它的等效电容约相当于10微微法。两级中频放大中的中频变压器采用单调谐紧耦合匹配,初级回路无载Q值大于110,中频灵敏度在VT\(_{1}\)基极输入量,为10微伏左右。在这两级中,晶体管系在高频放大工作状态下,由于集电极与基极之间的结电容所形成的反馈,会使中放级呈现不稳定,甚至产生自激振荡,因此必须予以中和。C10、C\(_{22}\)即为两级中放级的中和电容器。自动增益控制作用是利用C1检波后产生的偏压,经过R\(_{7}\)及R8组成的分压电路,控制第一级中放管VT\(_{3}\)的基极电流,以完成改变VT3的增益作用。为了解决单调谐中频变压器选择性与通频带间的矛盾,在第二级中放管VT\(_{4}\)的发射极串接了一只电阻R29,以取得电流反馈,这样可使选择性与通频带兼顾,同时也加强了自动增益控制的作用。
低频方面,前置放大级VT\(_{5}\)的基极音频输入端串接有电阻R14,这样可以减少检波级负载过重时形成的失真现象。功率放大器的输出阻抗为140欧。为了改善整机频率响应特性,降低失真度,从功放级的输出端,通过电阻R\(_{22}\)将6分贝的负反馈加至VT6的基极。
无信号时电流消耗约为5毫安左右,工作时电流消耗多少与音量大小有关,音量最大时为65毫安左右。
性能指标
1.频率范围 中波 535~1605千赫
短波 4.5~12兆赫
2.灵敏度 中波(电场测试)不劣于2毫伏/米
短波 不劣于300微伏
3.选择性 在1000千赫偏调10千赫衰减不小于 20分贝
4.假像波道衰减
中波不小于 26分贝
短波不小于 6分贝
5.自动增益控制作用 当输入电压变化26分贝时,相应输出电压变化不大于 10分贝
6.中频波道衰减不小于 14分贝
7.额定功率输出 100毫瓦
8.整机频率特性(在300~3000赫内)
电压不均匀度 10分贝
声压不均匀度 18分贝
9.整机输出非线性失真系数
电压失真系数 10%
声压失真系数 15%
10.高频部分机震抑止特性<+3分贝
使用维护
本机的机械结构牢固紧凑,出厂前都已经受过震动、冲击,以及温、湿度的考验,能在-5℃到+40℃的温度和98%高湿度环境条件下正常工作。虽然如此,但在实际使用时能避免高温、高湿的影响,对延长机器寿命是有好处的。磁性天线的线圈,由于中短波都绕在一根磁捧上,调试时已经校整,其地位不能移动,即使引线也不宜变动位置。机壳的后盖板用一只螺钉紧固,只须利用一枚2分硬币,即可旋动开启。
在更换电池时,电池的正负极性必须严格按照机内的标示连接,不可接反。电池反接会使机件损坏,这是必须注意的。
电池装好后,只须将机壳上电源开关向左开启,收音机即能工作。收听时音量以适度为佳。音量过高,电池的消耗也按比例增大。不收听时,电源要立即关掉,由于机上没有指示灯,这点应当特别注意。本机装用磁性天线,收听中波时方向性较强,收到电台后,应徐徐将机器左右转动,以取得对接收电台的最佳收音效果,这时干扰噪声也最低。
本机电源正常工作电压为6伏。使用一段时期后,电池电压会下降。在下降到4伏时,机器仍能收音,如低过4伏,则须更换新电池。电池用尽的现象是收音效果降低,音量小,甚至扬声器发生“扑扑”声。收音机如果长期不用,最好将电池从机内取出,以免电池由于内部放电,日久溢出电液,损坏机件。

检修时,应注意机内电解电容器是否失效或漏电。如果电解电容器完好,再进一步检查各级晶体管的工作电流是否正常。各管的正常工作电流容许范围如附表所示,侧试点为图1电路中标有“X”记号的各部位(封四电路接线图上有红色线连接的地方)。这些点在印制电路中都是用焊锡连接起来的(图2)。测试时先将连接点的焊锡烫开,将毫安表接入测量。电表的量程应销大于各极电流的规定范围,其正负极接法为电路的近供电端接电表的负极。这样逐级测量即能发现故障所在。机件修复以后,被开路的接点仍应以焊锡连接复原。在印制电路上进行焊接时,加热时间不宜过久,温度也不宜过高。否则会使导电铜箔与绝缘板发生剥离。附表所列各管电流数值应在静态下测试,而且高频部分亦应处在无强信号电台的部位。此时机内的自动增益控制也可以视作没有起作用。检测时如果是在夏季室温为35℃左右进,其容许值不宜赵汶表列数值的上限;在冬季0℃左右时,不宜超过表列数值的下限。如果晶体管损坏,必须调换新管时,由于晶体管的参数也有一定的误差范围,更换新管后,也可能需要更动相关的偏流电阻,重新调整工作电流。例如更换VT\(_{1}\)管后,工作血流偏大,则应稍为降低其相关偏流电阻R3的阻值。反之,电流偏小,应当稍为提高R3的阻值,至符合表列容许范围的规定为止。如果调换VT\(_{3}\)或VT4后,收音机发生啸叫或振荡现象时,还要适当改变中和电容C\(_{1}\)0或C22的数值,以取得完全中和为止。

元件数据
下面列出本机的中频变压器和输入、输出变压器的绕制数据,以供维修参考:
1.中频变压器 第一级(T\(_{3}\)、识别颜色为无色透明)初级线圈1至3端共130圈,2端抽头为32圈。次级4、5 两端为5圈。第二级(T6、识别颜色为红色)初级1至3端共130圈,2端抽头为42圈,次级4、5两端为5圈。第三级(T7、识别色为绿色)初级1至3端共130圈,2端抽头为42圈。次级4、5两端为12圈。
2.输入变压器(T\(_{8}\))铁心硅钢片舌宽7毫米,叠厚21片,线圈初级(1至2端)用0.08漆包线绕2100圈,其直流电阻为275欧。次级(3、4、5端)用0.13漆包线绕600+600圈,其直流电阻为90欧。
3.输出变压器(T9)铁心同上叠厚32片。线圈初级(1、2、3端)用0.18漆包线绕184+184圈,其直流电阻为1.6欧。次级(4至5端)用0.41漆包线绕88圈,其直流电阻为0.8欧。(沈予征 陈达斌)