电容器在收音机里是一项重要元件。它在不同的电路里,除了可以完成调谐、耦合等作用外,在更多的地方是用来起旁路作用的。所谓旁路,一般的说,是把电容器和一个电路相并联,使电路中不需要的、有害的交流电压或电流通过电容器,不致影响与电容器并联的电路。
电容器在电路里的旁路作用,主要是由于以下性能:
1.对直流电来说,电容器的电阻很大,直流电流不容易通过,所以它在电路里有隔直流的作用。但是交流电或脉动直流中的交流成分却能够比较顺利地通过电容器。
2.交流电流通过电容器时,电容器对它也呈现阻碍作用,称为容抗。容抗的大小是按以下公式计算的:
容抗X\(_{c}\)(欧)=\(\frac{1}{2π×f(赫)×C(微法)×10}\)\(^{-}\)6,
交流电的频率愈高,容抗愈小;频率愈低,容抗愈大。
3.电容器有充电、放电作用。实际上,在任何一个电路中都有电阻存在,电容器充电或放电时都要受到电阻的限制,所以需要一定的时间。电容器充电到最后值的63%,或放电到最初值的37%所需的时间,称为时间常数,它等于电路中电阻R和电容器电容量C的乘积,单位和计算公式如下:
时间常数T(秒)=R(兆欧)×C(微法)。
根据以上电容器的几个基本性能,便可以分析了解收音机各个电路中电容器所起的旁路作用和它失效后产生的故障情况。
一、在音频放大电路中
图1是最常见的音频放大典型电路。这里的C\(_{1}\)是旁路音频电流用的。我们利用电子管的阴极电流在R1上产生的电压降作为\(\frac{l}{2}\)6N2栅极的自给负偏压。如果没有C\(_{1}\)和R1并联,随音频而变化的阴极电流将使R\(_{1}\)上的电压降也随之变化,影响了栅负偏压的稳定。当输入信号电压增大时,阴极电流增大,R1两端电压降增大,栅负偏压也增大,形成负反馈,使放大量降低。有了C\(_{1}\)和R1的并联,R\(_{1}\)两端的音频交流成分就可以通过C1而旁路,但是R\(_{1}\)两端的直流电压却不受影响,保证了栅负偏压的稳定。C5起着和C\(_{1}\)同样的作用。

这两个旁路电容器的容量依阴极电阻的大小以及需要旁路的最低频率等来确定。由于音频的最低频率要达到几十赫,R1和R5也都只有200~3000欧,所以C\(_{1}\)和C5一般都要用到30微法以上,以保证它对最低频率的容抗只有数十欧以下(约等于它并联的电阻阻值的1/10),否则旁路作用在低频端就显著降低。
C\(_{1}\)或C5失效了,故障的现象是:音量降低,低音频放不出来。如果C\(_{1}\)短路了,音质将略有失真。C5短路了,则6P1屏流过大,非常烫手,影响电子管寿命,声音失真也较严重。而且因为B\(_{+}\)耗电增多,电源滤波质量变坏,交流声也将增加。
C\(_{2}\)和C6是旁路高音频用的。在一般的收音机中,由于希望音调柔和一些,减少一些噪声,有时也因为要避免装配布线不良而可能引起的高音频振荡,就常常增加了这个电容器。
C\(_{2}\)并联在\(\frac{1}{2}\)6N2的屏路中。它对高音频呈现了较低的容抗,所以高音频输出的电压将降低,而低音频却不会受到影响。C6的作用也是一样的。因为1;26N2的输出负载是高阻抗,而6P1的输出负载是较低的阻抗,所以C\(_{6}\)的容量要比C2用得大一些,才能起到同样的作用。一般C\(_{2}\)用到0.001~0.005微法,而C6可以用到0.005~0.01微法。
C\(_{2}\)和C6有时只用其中的一个,有时和一个10~50千欧的电位器串联作为音调调节之用。
C\(_{2}\)或C6失效了,故障现象是音调尖,噪声大,有时还会产生啸叫声。
C\(_{3}\)的作用要依它的容量大小来分析。如果容量在2微法以上,R3用在10K以下,则它的作用一方面是形成一节RC德波器,进一步使B\(_{+}\)电源接近于纯直流。另一方面它是与R3串联后再跨接到B\(_{+}\)电源上的,这时它们又成为一个退耦滤波器,可以消除一些不必要的,由公共电源电路引起的耦合作用。这在有三级低放的电路中显得格外重要,使后级输出的交流电压,不致经公共电源电路反馈到前级去,形成正反馈,而引起间歇振荡,产生“卜卜”的汽船声。
如果C\(_{3}\)的容量只有0.01~0.1微法。R3约为10~100千欧,那么它的作用是低音频补偿电路。在高音频时, C\(_{4}\)的容抗较小,\(\frac{1}{2}\)6N2的输出电压可以认为全部加在6P1的输入电阻R4上。而在低音颇时,C\(_{4}\)的容抗增大,C4一R4的交流分压作用显著增加,R\(_{4}\)两端的电压就降低了,这就影响了放大器的频率特性。C3和R\(_{3}\)并联后(对交流成分而言)再与R2串联做为1;26N2的屏极负载。在高音频时,C\(_{3}\)的容抗降低,屏极的总负载阻抗减小,输出减小;在低音频时的情况则相反。这个对频率的响应作用与C4、R\(_{4}\)的作用可以互相弥补,以获得较为平坦的频率特性曲线。
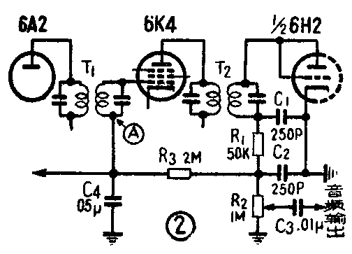
二、在检波和自动增益控制电路中
超外差收音机中使用的二极管检波电路如图2。C\(_{1}\)、R1和C\(_{2}\)组成一个检波后的高频滤波器。这个滤波器的作用是从经过检波后得来的单方向的、被音频成分调制的脉动电流中滤去高频成分(在这里就是465千赫的中频)而保留其音频成分。因此C1、C\(_{2}\)的容量不能用得太大,一般用100~250微微法。

C\(_{1}\)或C2失效了,收音机里将出现啸叫声或者嘶嘶声的高音频振荡。
R\(_{3}\)、C4为自动增益控制电压的滤波电路。自动增益控制需要一个随高频信号高低而变化的负压,它利用检波器负载电阻R2两端的直流电压降来供给。但是R\(_{2}\)上除了有随高频信号而变化的直流压降之外,还有音频成分,因此要把音频滤除掉。接了R3、C\(_{4}\)后使音频电压绝大部分降落在R3上,C\(_{4}\)起旁路的作用。由于受控制的中放和混频管栅极没有栅流,R3上几乎没有直流电压降,所以R\(_{3}\)可以用到2兆欧,这样C4就可以用得小一些。当C\(_{4}\)用0.05微法时,它对1000赫音频的容抗为3.2千欧,只有R3(2兆欧)的1/625,这样在图2的(A)端音频电压就很低了。
C\(_{4}\)还担任中频变压器T1的旁路电容,使T\(_{1}\)次级的(A)端形成对中频电压的地电位,以使中放管栅极获得正常的中频电压输入。
C\(_{4}\)如果失效了,明显的现象是T1次级的可调电容器(或者是可调铁心)不起作用,音量也有所降低。
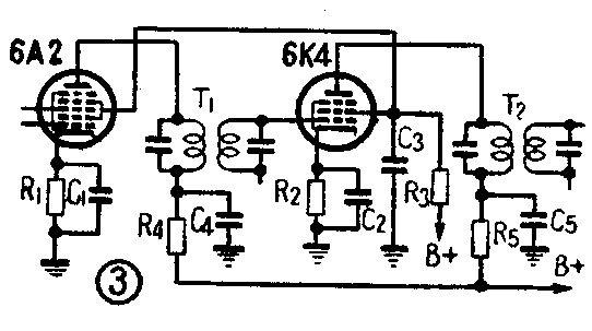
三、在混频和中放电路中
在混频和中放电路中,常用的旁路电容有阴极电容器C\(_{1}\)和C2(图3)。它们的作用和音频放大级的阴极旁路电容一样。但是这里旁路的是高频或中频的交流成分。因此电容量就可以用得小的多,一般只有0.01—0.05微法。在一些简单的收音机中,由于它们所旁路的交流电压比较低,负反馈现象不严重,有时就把它们省略掉。

C\(_{3}\)是帘栅极旁路电容器。它一方面作为电源电压的退耦电容,防止电源电压变化时对帘栅电压的影响,另一方面主要的是使帘栅极对交流成分来说,相当于地电位,保证了帘栅压的稳定,避免输入信号增大时,产生帘栅流增大,帘栅压降低,从而使放大量降低的负反馈现象。它的数值,一般应用为0.05微法,有时为了防止调制交流声,容量可以加大到8微法以上。
C\(_{3}\)如果失效了,明显的现象是本机振荡停振,音量降低;如果中频变压器T1的初次级接头的方向形成正反馈的话,还要产生汽船声或啸叫声的寄生振荡。
另外,在混频级和中放级的屏回路中,还接有由R\(_{4}\)、C4和R\(_{5}\)、C5组成的退耦滤波器。它们的作用和图3中的R\(_{3}\)和C3是一样的。在这里要旁路滤除的是中频电压,电容量常用0.05~0.l微法。这两处的电容器失效,会引起中频级产生自激振荡的故障。(郑宽君)