飞乐2J1型晶体管收音机是上海无线电二厂今年的新产品,它是一架台式中波段六管超外差式收音机,具有与电子管超外差式收音机相同的优点,即灵敏度高、选择性好,——在普通钢筋水泥建筑物内,不接机外天线,也能获得良好收听效果。它适合于城市家庭及农村地区使用。在机座后部附设有外接电源插孔,可外接使用其他直流电源,或者另备交流变换器,利用交流市电供电。
电路原理及结构特点
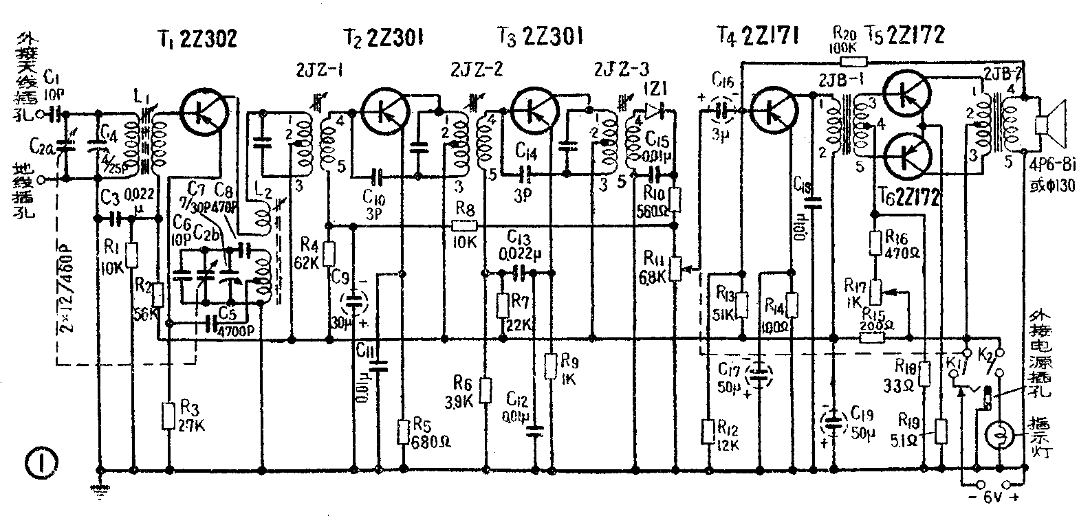
本机采用的是标准的晶体管超外差机电路,它包含一级变频、二级中放、一级二极管检波及自动增益控制、一级低放、一级推挽输出。全机总增益在120分贝左右,满足了对灵敏度的要求。机箱采用木质结构,使收音时低音较丰富。考虑到价廉及修理方便起见,机内的电阻、电容均采用一般电子管机所用的大元件。使用电源为直流6伏,用一号手电筒干电池四节,电池安装方式采用并列插入式,结构灵巧,接触良好,同时调换电池方便。度盘照明指示选用间隙工作方式,由左侧内层大旋钮控制。收音机工作时,指示灯一般不亮。必要时将控制旋钮按逆时针方向旋转,开关闭合,指示灯亮,手松开后,开关接点自动断开,这样可以减少不必要的电流消耗。左侧小旋钮为电源开关兼音量调节,右侧小旋钮调节电台。机座后部的外接电源插孔,当接外接电源时,可自动将机内干电池断开。此外并附有外接天、地线插孔装置。

图1为电路原理图。变频级T\(_{1}\)采用国产漂移型高频管2Z302,振荡部分接成共基极调发射极反馈振荡器。中放级T2和T\(_{3}\)选用高频管2Z301,两级中放的增益将中频465千赫信号幅度放大至足以使二级管检波器(1Z1或1G1)处于直线段工作状态,减小了检波级引起的非线性失真。由于晶体管存在内部反馈,因此中放级需要有适当的中和装置,线路中两个3微微法的中和电容(C10和C\(_{14}\))保证了这两级的工作稳定性。中频变压器的设计除了获得良好选择性外,并要有一定的通频带,这样使整机放音音域较宽又能分隔电台清楚。检波后的音频信号一部分经R8、C\(_{9}\)滤波后,其直流成分控制第一中放级的直流工作点,起自动增益控制作用。另一部分经低放级T4(2Z171),将音频信号放大,使它足以推动推挽级。功率放大级T\(_{5}\)及T6(2Z172)采用推挽输出,其优点是无信号时电流小、效率高、电源消耗小。低频管全部采用的是国产合金型晶体管。为了适当改善音质,减小非线性失真系数,低放和功率放大级里还采用负反馈线路,信号电压由输出变压器次级经电阻R\(_{2}\)0(100千欧)反馈至低放管的基极。低频部分还有由R15、C\(_{19}\)组成的电源平滑滤波器,用以防止低频级间的耦合,避免产生工作不稳定和振荡叫声。
收音机外形、内部结构及主要元件位置的排列见封底。

电性能指标
本机性能指标与一般三级电子管广播收音机接近,输出功率亦能满足家庭收听之用,其主要指标如下:
频率范围 535~1605千赫。
灵敏度 不劣于2毫伏/米。
选择性 ±10千赫时大于26分贝。
整机频率特性(电压) 小于10分贝(150~3500赫)。
整机非线性失真系数 小于10%(200~3500赫)。
最大输出功率 400毫瓦左右。
电流消耗(额定输出功率时) 68毫安左右。
稳定性 电源电压降至60%时,无啸叫现象。
信号杂音比 大于20分贝。
元件数据与制作
1.磁性天线 采用Ф10×140毫米磁棒,输入线圈L\(_{1}\)用28股0.07毫米绞合漆包线在塑料线圈管上绕48圈,相隔2毫米处用0.19漆包线绕3圈为变频级输入线圈,绕好后涂以聚苯乙烯胶或万能胶(见图2)。

2.振荡线圈L2 用4×0.08丝包线在10毫米线圈管上按蜂房式绕法顺时针方向绕66圈,在起始第8圈上抽头。再用0.19丝包线在距离主振线圈4亳米处按蜂房式绕法顺时针方向绕19圈作为振荡反馈线圈,绕好后涂以聚苯乙烯胶或万能胶。
3.中频变压器 三个中频变压器均采用电感调谐式单调谐回路,回路中的电容选用200微微法。三个中频交压器的制作数据有所不同,第一个中频变压器(ZJZ-1)的初级用0.11高强度漆包线在Ф5毫米线圈槽管内乱绕190圈,在第63圈处抽头,匝数比为3:1;次级用0.1丝包线绕在初级外层共14圈。第二中频变压器(2JZ-2)用同样线径在上述线圈管绕160圈(该级回路电容用300微微法),在第31圈处抽头,匝数比5:1;次级用0.1丝包线绕12圈。第三中频变压器(2JZ-3)的初级圈数据同第一中频变压器,但次级圈数为24圈。中频变压器的设计与直流工作点有很大关系,本机中放级直流I\(_{c}\)为0.5毫安。
4.输入变压器(2JB-1)选用厚0.35毫米的D41硅钢片,铁心舌宽10毫米、叠厚13毫米。其阻抗匹配对低频失真很重要,T\(_{4}\)管的输出阻抗约为10千欧,推挽级的输入阻抗约为1千欧,这里我们采用1.5:1的圈数比。初级用0.15漆包线分层平绕1200圈,次级用0.13漆包线双线平绕2×400圈。
5.输出变压器(2JB-2)铁心尺寸和硅钢片牌号同输入变压器。推挽输出时每管的负载阻抗约为60欧,扬声器音圈阻抗为3.5欧,因此输出变压器用4.5:1的圈数比。初级用0.29漆包线双线平绕2×170圈,次级用0.41漆包线绕75圈(关于晶体管收音机用的输出变压器设计可参阅本刊1962年第8期的介绍)。
调试说明
晶体管超外差式收音机的调试,其直流工作点的调整与一般简易式晶体管机相同。本机在装配前对晶体管的参数不一致已作了选分与配套工作,故线路图中无调整电阻值。推挽级基极部分的电位器R\(_{17}\)是用以调整该级波形的对称性,在校验完毕后已将它封住。至于高频部分的调整与一般电子管收音机的调整方法相同,故在这里从略。(之伦)