晶体管超外差式收音机和电子管收音机一样,一般都装有自动增益控制电路,使收音机在接收强弱不同的信是时,输出的音量大小不致差别过大。
晶体管自动增益控制电路的原理和电子管自动增益控制电路基本相同,即利用检波器输出电压的直流成分加到被控管的基极,来控制它的基极偏流,从而改变其增益的大小。这个控制电压的极性应该和被控管基极原有偏置电压的极性相反。这样才能随着外来信号的加强而使被控管基极偏流减小,从而降低其增益。如果被控管是PNP型,它的基极偏置电压原来是负的,那么控制电压的极性就应该是正的,检波二极管应该如图1a的接法;如果被控管是NPN型,它原来的基极偏压是正的,控制电压的极性就应该是负的,检波二极管则应该如图1b的接法。从图中可以看出,控制电压的极性是由检波二极管的接法来决定的,因此二极管的极性不能接错,否则就会起到相反的作用。


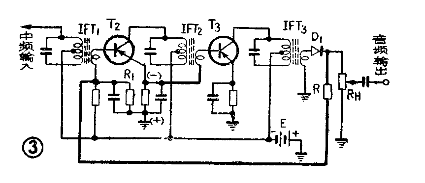
一般常用的晶体管自动增益控制电路如图2所示。图中绘出了晶体管超外差收音机的两级中频放大器和检波器的有关电路。自动增益控制电压是从检波负载电阻RH上端通过一个RC滤波器加到第一中放管T\(_{2}\)的基极上,只控制第一中放级的增益。电阻R除了具有沟通晶体管T2和检波器的作用外,同时还供给检波二级管D\(_{1}\)一个起始偏压,以保证二极管能够在其线性部分检波,以减轻小信号时的失真。这种电路由于自动增益控制电压滤波电阻R和检波负载电阻RH是并联的,所以又叫做并联式自动增益控制电路。
在晶体管电路中,除非本地振荡采用另外的晶体管(即采用混频电路)自动增益控制电压通常都不加到变频级,因为在变频级加自动增益控制电压,会使其集电极电压发生变化,从而使晶体管内集电结的电容发生变化,引起本地振荡频率的漂移。另外自动增益控制电压也不宜加到第二中放级,因为在第二中放级的输入端信号的振幅已经较大,控制的结果将会使信号发生很大的失真。
和电子管自动增益控制电路的质量要求一样,晶体管自助增益控制电路也应该具备下列三个基本要求。
(1)控制作用只能与输入高频信号的载波振幅成比例,不能与音频调制电压有关。
(2)控制作用不能引起音频信号的失真。
(3)控制速度要快,要跟得上输入信号强弱变化的速度。
对于第一点来说,要求对控制电压有完善的滤波电路,以便彻底滤除检波所得的音频成分,这就要求电路中的RC时间常数要大一些;但是对于第三点来说却要求RC时间常数要小一些,以便在接收信号强弱发生剧烈变化时,控制作用能够跟得上,才不致于将微弱信号漏掉。一般在中波收音机中RC时间常数多采用0.1~0.3秒,在短波机中则采用0.1~0.2秒。和电子管收音机不一样的是,在晶体管电路中所用R较小、C较大(电子管电路中则为R较大、C较小)。R一般为10千欧,C为10微法,其乘积为10×10\(^{3}\)×10×10-6=0.1秒。这是因为自动增益控制电路中的R同时作为晶体管基极偏置电路的一部分,为了保证晶体管必要的稳定性系数,R不能采用过大的阻值。否则晶体管的热稳定性就不好。
上面所介绍的是一般常用的自动增益控制电路。由于它只是控制了一级中放管的增益,在接收强信号时,有时还会感到控制效果不足。为了增强自动增益控制的效果,晶体管收音机中常采用补偿的办法。下面是两种具有补偿作用的自动增益控制电路。

图3电路除了控制第一级中放增益而外,对第二级中放的增益也具有一些控制作用。这里第二中放级T\(_{3}\)的基极偏压是由T2的发射极来供给。当外来信号增强时,从检波器输出的自动增益控制电压通过R送至T\(_{2}\)基极,使T2基极偏流减小,集电极电流因而减小,增益降低。与此同时,由于T\(_{2}\)集电极电流减小,R1上的压降减小,T\(_{2}\)发射极电位趋正,因而也使T3基极偏压趋正,T\(_{3}\)的增益也随之减小。这样就增强了自动增益控制作用。

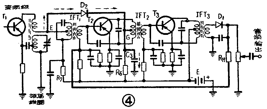
图4是利用二极管单向导电性能的高频旁路式自动增益控制电路。它在一般的自动增益控制电路以外,另在中频变压器IFT\(_{1}\)和IFT2的中心抽头E点和G点之间接有一个二极管补偿电路。此电路应适当选择R\(_{6}\)和R7的阻值,使无信号输入时,G点直流电位略高于E点,这时二极管加有负偏压,阻抗较大,对高频信号旁路作用小。当外来信号增强时,检波管D\(_{1}\)输出的自动增益控制电压使第一中放管T2基极偏流减小,T\(_{2}\)集电极电流也相对减小,在R6上压降也较小,因此G点电位趋负。这时二极管D\(_{2}\)处于通流状态,阻抗也随之降低,一部分高频电流将通过D2、C\(_{3}\)旁路到地,因而在降低第一中放级增益的同时也降低了变频级的增益,这样就加强了自动增益控制的作用。(丁启鸿 王本轩)