电视机中的视频检波器位于图像中频放大器和视频放大器之间。它的作用是从图像中频信号中取出图像视频信是(严格地说是全电视信号),并送到视频放大器去放大。视频检波器的工作原理和其他调幅检波器是一样的,图1把它的工作和收音机检波器的工作作一对比。除了检波的功用外,在单通道式电视机中,视频检波器还要使伴音中频信号和图像中频信号发生差频,产生6.5兆赫的第二伴音中频信号。在某些电视机中,还利用它来产生自动增益控制电压。

良好的视频检波器应能满足下列一些要求:(1)输出的全电视信号的极性应当合适。(2)对负载上出现的中频信号应有足够的滤除作用。(3)应有足够宽的频带。(4)非线性失真小。(5)检波效率高。
由于栅极检波器和屏极检波器的非线性失真较大以及其他缺点,在电视机中很少使用这两种检波器。用得最多的是二极管检波器。使用的元件是真空二极管或半导体二极管。半导体二极管比起真空二极管来有许多优点,如体积小,极间电容和分布电容小,可靠性好,不消耗灯丝功率,内阻较小以及不会引进50赫的交流杂波等,所以被广泛地使用。为了把非线性失真减到最小,对于热阴极真空二极管来说,输入信号应该大于1伏。对于半导体二极管来说,则这一电压可以小到几百亳伏。
检波器的特性
二极管视频检波器的电路形式基本上与收音机的相似,但是它具有以下一些特点。
(1)要考虑检波输出电压的极性。在收音机里不存在这个问题,因为在音频系统中,音频信号的相位对声音的重发是无关紧要的。但是在电视系统中,这个问题非常重要,如果图像视频信号的相位反转,那么在显像管屏幕上重显图像的黑色要变白,白色要变黑,因而会出现一个“负像”(和照片的底片一样)。

图像视频信号有所谓“正极性”和“负极性”之分。正极性的图像视频信号如图2a所示,当把它加到显像管的控制栅极上时,相应于最白色部分的电压是将控制栅极向正的方向激励。这时它能在屏幕上产生一正常图像。负极性的图像视频信号如图2b所示,当把它加在栅极时,相应于最白色部分的电压是将控制栅极向负的方向激励,这时它在屏幕上产生一负像。应该注意,虽然负极性信号加到栅极会出现负像,但如果把它加到显像管阴极,却会得到正常的图像(图2c)。
检波器输出电压的极性决定于电路的连接。在检查极性时,应该记住全电视信号的发送是采用负极性调制的,即在已调制的图像中频信号中,同步脉冲具有最大的振幅,而最大的白色则相应于最小的振幅(图1)。

在图3a中,负载电阻R接在二极管的屏极(和机壳之间)。因为输入的中频信号接入阴极,所以只有在输入信号的负半周,二极管才导电,如果以接机壳的b点为零电位点,则输出点a的电压是负值,其波形如图所示,这时同步脉冲是最大的负值,但最白色部分却是最小负值,所以这时输出电压是正极性。图3b中负载电阻R是接在阴极(和机壳之间),在输入信号正半周,二极管导电,因此a点的输出电压是永远为正的,但这时同步脉冲具有最大正值,而图像白色部分却是最小正值,所以输出电压是负极性。

由此可知,视频检波器的负载电阻的连接不是随便的,它和后面视频放大器的级数、以及输出是加到显像管的栅极还是阴极有关。图4中画出几种可能的连接法。图4a中图像视频信号是加到显像管的栅极,需要正的极性。因为前面的一级视频放大器能将信号相位反转180°,因此视频放大器的栅极输入电压极性应和显像管上的相反,是负的,所以检波器的负载电阻应接在二极管阴极(同图3b)。图4b情况则相反,信号是加到显像管阴板,也使用一级视频放大器,因此检波器的输出电压应具有正极性,负载电阻是接在二极管屏极(同图3a)。图4c和图4d是使用两级视频放大时的情况,因为信号相位经两次反转,所以检波器输出电压极性和加到显像管的电压的极性是相同的,检波器接法如图示。
(2)宽的通频带、低的负载电阻。视频检波器的输出信号必须具有5~6兆赫的频带才能保证得到最清晰的图像。由于电路上的分布电容在高频端对负载电阻呈很大的旁路作用,所以为了避免高频过多地衰减,应该使用阻值很小的负载电阻,它的数值通常在3—4千欧左右。
(3)检波效率较低。在收音机里,检波器的传输系数是比较高的,接近于1。但在视频检波器里,由于使用了阻值这么低的负载电阻,所以传输系数相当小。为了提高效率,应该使用内阻很低的二极管。用在视频检波器的真空二极管的内阻约为400~500欧。半导体二极管的内阻与此相近或更小一些。在这样的条件下,传输系数约为0.6左右。
(4)输入电阻很低。在视频检波器里,输入电阻略小于负载电阻,但因负载电阻仅为3—4千欧左右,所以输入电阻的数值也是很低的。它会使得中频回路的谐振阻抗大大下降。但因为中频放大级的频带是很宽的,所以关系还不大,仅在设计时需把它考虑进去。
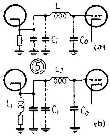
(5)使用的滤波器要较好。前面已经谈到,在检波器的输出端,应将中频信号成分滤除。当然,光靠电路上存在的分布电容(约5~10pf),也是能把中频信号傍路掉的。然而图像视频信号的最高频率高达6兆赫,和图像中频频率(34.25兆赫)相比,彼此相差仅是5倍左右,因此一只简单的旁路电容不能在二者之间给出足够的鉴别能力。电容量大时对中频的滤除固然好,但图像视频信号的高频部分却同样遭到很大的衰减。电容量小了则情况相反,这时视频信号高频响应衰减虽不多,但中频的滤除却不好。为了解决这一矛盾,可采用LC滤波网络。图5a是п式低通滤波器,它和视频放大器中的高频串联补偿是一样的。图5b则在负载电阻上也串上一个电感,它相当于视频放大器中的高频复合补偿,效果比前者更好些。采用了LC滤波器,不但可以有效地把中频滤除掉,而且还因为它的电感在视频信号高频端和电路电容谐振而获得对图像视频信号的高频补偿功用。

第二伴音中频信号的产生
视频检波器还有一个很重要的功用,就是使伴音中频载波和图像中频载波发生差频,产生一个6.5兆赫第二伴音中频信号,其工作过程和接收电报中的差频检波是相似的。

在电视机的视频检波器里,输入端有两个电压,一是27.75兆赫伴音中频(图6a),振幅较小,另一是34.25兆赫图像中频,振幅较大(图6b,为简明起见,该图像视频信号完全为最大白色),由于差频作用,总合电压就具有一频率为二中频之差即6.5兆赫的振幅变化(图6c,这种过程实际上在输入端以前就已发生了)。经检波作用后,于是在检波器的输出端可以得到如图6d的电压波形。这时除了全电视信号外,还叠加了一个6.5兆赫的差频信号(后者在前面各图的输出电压中都未曾画出)。由于伴音中频原是调频的,即伴音信号的频率是在27.75兆赫上下摆动着的,因此,输出的差频信号的频率也是以6.5兆赫为中心而摆动的,亦即保留了原来伴音的频率调制特性,这就叫做第二伴音中频信号。在这里,图像中频就起了第二本地振荡的作用。
然后利用调谐电路,把这个差频信号取出送到伴音通道去。取出地点可以在检波器的输出端,也可以在视频放大器的屏极电路。后者的优点是可以得到一定的放大量,缺点是可能使伴音中的哼声干扰较大。
由于图像中频信号是调幅的,因之它会使得6.5兆赫第二伴音中频信号上出现一些寄生调幅,结果在伴音中表现为特有的50赫哼声和15625赫咝音干扰(后者不易听出)。但是,只要在中频放大器里将伴音中频的放大量压低到5%左右,那末,这种寄生调幅就减低到相当小,再经伴音通道的限幅作用后,这种50赫哼声干扰就能基本上消除。
基本电路

图7是常用的电容耦合式视频二极管检波电路,它用于并联馈电单回路中频放大级的后面。L是中频线圈,和分布电容以及极间电容形成谐振回路,C\(_{c}\)是耦合电容。检波器负载电阻R接在Л1的阴极,所以输出的图像视频信号是负极性的,C是输出电路的分布电容,对中频信号起着滤波作用(或采用LC滤波器)。图3所示的则是变压器耦合式电路,多用于双线并绕变压器耦合中频放大级的后面。除了输入电路不同外,其余和图7是一样的。
实际电路

图8a是北京牌电视机的视频检波器电路,这个电路实际上就是图7的电容耦合式电路,其中C\(_{13}\)是耦合电容,L6是中频线圈,检波元件使用半导体二极管Д\(_{1}\),负载电阻R12为3.3千欧,接在二极管的阴极,所以输出电压是负极性的。经后面两级视频放大器放大后,其极性不变,因此应加到显像管的阴极以获得正常图像。滤去中频的作用是由与R\(_{12}\)并联的分布电容担任。电阻R13是用来给第一级视频放大器加入适当的栅偏压,R\(_{17}\)和C14是偏压的去耦滤波电阻和电容。6.5兆赫第二伴音中频的分离点是在视频放大器屏极。
图8b是记录牌电视机的视频检波器电路,也就是图3所示的变压器耦合式电路,它的输出电路连接方法和北京牌的差不多,不同的只是这里多了一只外加旁路电容C\(_{17}\),并且采用了串联补偿电感ДP1(参看图5a),来改善滤波性能和加宽通频带。电容C\(_{19}\)是在接收调频广播时用来引进第二本地振荡电压,以便产生6.5兆赫调频信号用的。(黄锦源)