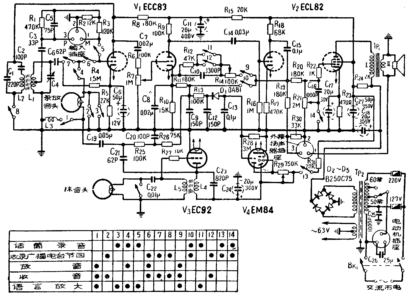
这里介绍一架多用录音机的电路,它除了可作录音、放音外,还可作收音、扩音、电唱等多种用途,并可直接收录广播电台的节目。全机仅用四只电子管,电路如附图。

电路工作原理的分析
1.录音(用话筒录音)这时接点3、4、5、10、11、13、14闭合。R\(_{2}\)、R3为V\(_{1}\)左管的栅漏电阻。由话筒送来的信号经M插头、接点5加至V1左管的栅极,放大后又经过V\(_{1}\)右管及V2三极部分放大。放大后的信号一路经接点10、R\(_{26}\)、R25、C\(_{19}\)而加至录(放)音头,进行录音。一部分自R11加至V\(_{1}\)右管的阴极,作负回授用。另一部分经R20、R\(_{22}\)而加至V2五极部分,输出作监听放音。R\(_{21}\)此时作监听音量控制,使扬声器放音不致太响(或不放音),以避免声回授而产生自激。
另一路的信号则在经过接点10和R\(_{13}\)后,为D1二极管所整流,并加至指示管V\(_{4}\)的控制栅,作录音音量指示。此时由于接点13闭合,V3、V\(_{4}\)均加有屏压。
V\(_{3}\)产生超音频振荡,经由C22和C\(_{21}\)分别送至抹音头及录放音头,作抹音及偏磁用。抹音头不用时有开关可以短路。录音音量则由R7来控制。
2.收录广播电台节目这时接点2、6、7、8、10、12、13、14闭合。由于接点6、7的闭合,从L\(_{1}\)、C4调谐回路检拾到的高频信号经C\(_{6}\)加至V1左管的栅极,这时V\(_{1}\)左管就作为检波管,栅漏电阻改用1.5兆欧的R4。另一方面由于接点8接通,L\(_{2}\)也就起再生作用。其余低频放大,指示及超声频振荡部分与话筒录音时相同。
3.放音 这时接点1、4、6、9闭合。录放音头一端通过接点1、消交流哼声线圈L\(_{3}\)接地,另一端通过接点4及6接至V1左边三极管的栅极。信号经过V\(_{1}\)两个三极部分以及V2的三极和五极部分放大后送至扬声器放音。这时R\(_{21}\)作为音量控制。另外,自V2左管输出端经接点9、R\(_{14}\)、C10至V\(_{1}\)右管的阴极构成一负回授电路,作放音音响补偿,R14也可作音调控制。
4.接收无线电广播节目 是按接收本地中波广播电台设计的。这时接点1、2、6、7、8、9及12闭合。调谐回路L\(_{1}\)、C4经接点6、7而接入V\(_{1}\)左管的栅极,由V1左管作栅极检波。同时由于接点8闭合,将再生线圈L\(_{2}\)接入。录放音头经接点1、2短路入地。后面几级除了由于接点12的闭合,在负回授回路电容器C10上并联一只47K的电阻R\(_{12}\)以改变负回授电路的频率特性而外,其它部分和放音时相同。为了提高收音机的灵敏度,可在插座P处加接外天线。
5.作语言放浩或电唱 这时接点1、3、4、5、9及11闭合。由于接点1、3闭合,录放音头短路并接地。因接点5闭合,话筒即自M点(电唱头则自P点,经过一个衰耗网路)接入V\(_{1}\)左边三极管的栅极。这时V1左边三极管作话筒放大级。后面几级的工作情况和收音时相同。
图中共有三个插座。左上角的一个为输入插座,1、2端插高阻抗话筒,3、2端可插高阻电唱头。另一个是外接扬声器插座,1、2端接外加扬声器,3、2端可接监听耳机。右下角一个插座插接电动机。C\(_{26}\)是改善电动机功率因数用的,另备有倒换开关K,使电动机能适用于50赫或60赫的交流电源。
主要零件规格及数据
调谐线圈L\(_{1}\)——用ф0.1漆包线在10毫米直径的线圈架上绕136圈,在距上端55圈处抽头,线圈中插入铁淦氧磁心。
再生线圈L\(_{2}\)—用ф0.1漆包线在L1上平绕32圈。
消交流声线圈L3—在25~30毫米长,4~5毫米宽的坡莫合金片上(也可用稍大一些的硅钢片),用ф0.1漆包线绕80圈。在绕线之前用绝缘纸包上几层。它应安装在录放音头的旁边。且用试验的方法改变它的方向,以达到交流声最小为止。
超音频振荡线圈L\(_{4}\)、L5—绕在9×19毫米的铁淦氧磁心上。绕时先用硬纸做一个10毫米径的骨架,两端胶上两片直径20毫米的硬纸夹板,夹板的距离为22毫米,先用ф0.09~0.1的漆包线绕1100圈为L\(_{4}\),包上几层绝缘纸,然后用ф0.12~0.15的漆包线绕300圈作L5。
输出变压器Tp1—用4.5~6平方厘米截面积的硅钢片心,初级用ф0.12漆包线绕2400圈,次级用ф0.57漆包线绕98圈。配6欧的扬声器。如果扬声器用3.5欧的则次级改为75圈即可。
在调整收音部分时,C\(_{1}\)的数值应仔细选择,减小这个电容器的电容量能加强再生,提高接收灵敏度,但容量过小时会产生再生叫声。
图中电子管V\(_{1}\)(ECC83)、V2(ECL82)三极部分和V\(_{3}\)(EC92)可换用两只6N2,V2五极部分可改用6P14,V\(_{4}\)(EM84)可改用6E1。整流二极管D1可用Д\(_{1}\)、Д2、Д\(_{9}\)任一型号的晶体二极管代替。D2~D\(_{5}\)可用Д7Ж代替。(承恒编译)