晶体管收音机多数都装有磁性天线,通常不用外接天、地线,即可收听省内和邻省电台的广播。但在山区和地形复杂及偏远地区,只靠磁性天线收音,即会感到灵敏度不足,有些地方甚至白天还可能收不到广播。这时就有必要加接机外天线来提高灵敏度。


机外天线的接法,一般常用以下两种方式:(1)电容输入式(图1);(2)电感输入式(图2)。这两种输入方式的缺点是在整个波段内灵敏度难以达到均匀一致,有的因为与天线耦合太紧,还会使选择性降低。即便是在超外差式收音机中,由于外接天线,也会引起输入回路严重失谐。使用长短不同的天线时,收音效果也会相差很大,尤其在晚上收音时,加了外接天线,常常会是几个电台混在一起,分隔不开。
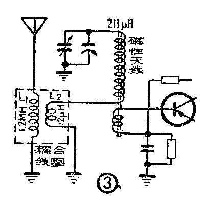
这里介绍一个更为合理的方法。它是用一个有初级和次级的空心线圈来作耦合,初级L\(_{1}\)是高阻抗的,电感量约为1~2毫亨。次级L2为12微亨左右。耦合系数约为0.5。把原来磁性天线线圈通机壳的一端串联到这个线圈的L\(_{2}\)上再通地(图3) 这样接法在整个波段以内灵敏度比较平均,虽然耦合系数不大,因为机外天线和输入线圈之间达到了较好的匹配,所以灵敏度和选择性都很高。不用机外天线时,对于磁性天线的影响不大。用外接天线时,输入回路的失谐程度比其他方法小。它可以适用参数不同的天线,在外接天线端只接天线,或只接地线,或是天、地线都使用(地线接机壳)时,都有良好的效果。安徽合肥无线电厂试制的黄山牌晶体管超外差式四管机就是采用这种线路的,在皖南、皖北山区使用,成绩很好。

线圈的具体做法是在直径8毫米的骨架上用0.09毫米(43号)单丝漆包线绕成厚为3毫米的蜂房线圈350圈做为L\(_{1}\),相隔1毫米再以七股0.07的多股单丝漆包线绕15圈做为L2。自制的话可以利用交流收音机用的美通M-81型线圈的天地线圈改制,把线圈中原有的磁心拆去,初级线圈不动做为L\(_{1}\),把次级拆到只剩15圈时,再推到靠近L1即可。也可以用美通610等型的天地线圈改制(振荡线圈不用)。骨架直径较大的,L\(_{2}\)圈数要少些。L2圈数多时灵敏度虽高,选择性将下降。反之选择性要好一些。

另外,还有一个简单办法,用1米左右长的多股胶质线,在一端除去1厘米左右的胶皮,露出金属部分,然后把金属部分紧紧地压在磁棒的一头,越紧越好。为了保持这样状态,可以在磁棒上用一圆夹子夹住一段橡皮带把铜线紧紧压住(图4) 。夹子和磁棒之间要套上一段套管,使夹子和磁棒绝缘。铜线另一端引出外接天线就行了。根据几台装有磁性天线的收音机试用结果,这个方法既简便,效果又好,大家不妨试试。(赵本固 王乃魁)