(石锐)干电池式直流超外差收音机的检波级包括检波和自动增益控制两个部分。现在分别说明这两部分的故障检修方法。
甲、检波部分的故障
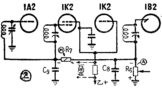
检波的功用,是把接收进来的调变高频电流中所寄存的音频成分分离出来。在这类收音机里,检波是和电压放大级合在一起,由一只二极、五极复合电子管1B2来担任,以它的小屏极和丝极组成的二极管作为检波器,电路结构如图1所示。整个电路的元件包括有二极管的丝极和小屏极、第二中频变压器次级(G—F)、高频旁路电容器C\(_{8}\),以及音量控制电位器R6。

一般说来,检波部分产生故障的可能性是不多的,而且易于处理。大部分是由于电子管损坏,失去检波效用,只要调换一只新电子管就能够解决问题。但是在渔区用的干电池式收音机中,因为电路受潮漏电,元件日久变质,也会大大减低收音效果。这部分可能产生的故障现象如下:
(1)电子管损坏 用小螺丝刀触碰电位器R\(_{6}\)(B)点,以及1B2小屏极(L)点均无声。遇到这种情况,可以结合电压放大极,一并处理,调换新管一试。
(2)检液管衰老失效 检波管失效后,收音机发音微弱,即便收到本地电台广播,也感到失真不清,并有交流嗡嗡之声。
检查检波管的方法,可以根据测试电子管放射能力的原理,简便鉴别一下。把万用表扳到高阻一档,正试棒触机壳,负试棒触检波管小屏极,然后把收音机电源接通,电位器开到最大,以1B2为例,小屏及丝极间放射情况正常时,电表指数约为30KΩ。再将试棒互调测量,电表指数应为500KΩ。测量时两者反相阻值差数不大,或者由表起动很小,则说明电子管失去放射作用,可以另换新管一试。
(3)中频变压器次级开路 中频变压器次级是串接在检波级电路里,一端开路后便不能收音。用小螺丝刀触碰小屏极无声,但触磁电位器A点仍有咯咯之声。检查时,把万用表扳到低阻一档,测量中频变压器G、F二脚时电表指针不动。发生这种故障,可把中频变压器拆下来检修。如果是线圈在焊接之处脱落或霉断,需要用细砂布将线头轻轻擦去漆垢,同时要注意将所有线头都一并焊牢。因为中频变压器多是用多股细绞合线绕制的,假若漏焊一根,就要影响中频变压器灵敏度。有些中频变压器可能断在内部,那就难以修复,只好调换新的。
(4)中频变压器次级短路 短路后,用小螺丝刀触碰小屏极无声,同时触磁电位器(A)也无声。检查时仍用万用表测量小屏极对地电阻,如果电表指针起动到底,则说明与地短路。这时,可把中频变压器从铝壳内拆出来,检查接线脚是否与铝壳相碰,并检查小屏极管脚和与其有关的接线是否与地短接。
(5)中频变压器内小调整电容极间短路 使用空气式中频变压器,日久以后,它的小调整电容器可能受潮发铜锈损坏绝缘,造成相碰,使中频变压器短路失去作用,不能收音。但用小螺刀触碰小屏极仍有声音。检查步骤,仍用万用表测量G、F两端阻值。如无阻值(电表起动到底),要把中频变压器从铝壳内拆除下来,把小调整的螺丝转出来,清洗一下,即能修复。如果其中云母绝缘损坏严重,应当另调新品,因为即使勉强修度,也要影响收音效果。
(6)高频旁路电容器漏电 图中C\(_{8}\)为检波级后的高频旁路电容,是与R6电位器并联的。它的作用是利用充电放电能力,使落在R\(_{6}\)上的脉动电压中的高频成分得到旁路。这只电容器,在渔区干电机里,使用日久就有可能受潮而漏电,以致R6上电压减低,随之声音低而闷沉。检查时,可将C\(_{8}\)一端开路,如果声音突然增高,并夹杂有啸叫声,则说明是它漏电无疑。可用一只100~250微微法的新电容器调换上去。
(7)高频旁路电容器开路 这只电容器如果开路,检波后在R\(_{6}\)上所产生的脉动直流电压,其高频成分就失去了旁路。这样一来,就要串扰到低频级电压放大管。因此,扬声器里发出的声音就不悦耳。同时,调节第二中频次级微调电容器,也会感觉它的作用迟钝。遇到这种现象,要检查这只电容器有无脱焊和漏接。可以用一只100~250微微法电容器,并联在R6二端一试,即能解决。
(8)中频变压器次级失调 第二中频变压器的次级是串接在检波级输入电路里的,如果失调,加到检波管小屏极上的增益就随而减低,声音轻弱。处理的手续,可用小螺丝刀略微调整中频变压器中的微调电容器,使输出声音达到最响为止。
(9)电位器R\(_{6}\)变值 电位器R6使用日久以后,内部炭精片磨擦受损,以致造成接触不良,旋动时就会产生杂音。如果R\(_{6}\)的B点和A点短路, 收音机就会发生强烈的失真。检查电位器的好坏,可按以前介绍的方法测验(参见本刊1963年第1期“直流收音机低放级的检修”一文)。如两端阻值不平衡,或者电表指针忽高忽低,这就说明接触不良,不宜勉强应用。
(10)电位器R\(_{6}\)的A点与地端短路 电位器R6的A点与地短路后,检波以后的电流直接入地,就收不到播音。这时用小螺丝刀去触碰A点无声。遇到这种情况,要沿线路寻找各接线支架有无与地短接。如果接线是用隔离金属线的,就要把线头焊开,用欧姆表检查有无内部短路。
乙、自动增益控制部分的故障
自动增益控制电压,是取自检波以后在R\(_{6}\)上所产生的电压降。但是这种电压还是脉动的,不能直接用来作为控制前级增益的负偏压。因此在电路中还要经过一个由电阻和电容所组成的滤波网路,才能保持电压稳定。在干电池式超外差收音机里,所采用的控制电路如图2所示。

图中R\(_{7}\)和C9就是一个滤波器,一般数据电阻R\(_{7}\)用2兆欧,电容器C9用0.05微法,检波后从R\(_{6}\)上得到的负电压,经过这个滤波器后加到中频放大管和变频管的控制栅极,就起自动控制作用。
检查自动增益控制部分是否失常。可以用万用表测量检波以后的电压和加到前级去的控制电压。也可以用触碰的方法来试验。
测量自动控制电压的步骤,是把高频振荡器调到900千赫,加上百分之三十调制度400赫的调制信号。将振荡器输出线接在收音机的天线端,调谐收音机接收到最响度,将万用表扳到测量直流电压一档,正试棒接收音机底板,负试棒测量A端电压,以观察信号的强弱差别。一般数据,若在A点测出电压为2伏,测量M点,大约在0.2伏左右。如果,测量A点有电压,M点完全无指数,这样就是不正常的现象。
用触碰的方法探试比较简便。以小螺丝刀先触A点,扬声器里会发出很响的咕咕之声。然后再触碰M点,在正常情况下,应有较轻的咕咕声。假使完全无声,就说明有不正常之处。
经过以上方法初步鉴别以后,检修手续就简便了。一般说来,自动增益控制部分发生故障的机会是比较少的。下面把电路中由于零件变值可能产生的故障现象说明一下。
(1)滤波电容C\(_{0}\)断路 C9是自动增益控制电压的滤波电容,同时也是中频级和变频级的高频旁路电容。它开路后,前级的高频回路就要通过R\(_{7}\)经C8旁路。这样因为电路里串接上了一个高阻值R\(_{7}\),灵敏度就随之降低。电池式收音机多数有一级电阻交连的固定中放,C9开路以后,产生振荡啸叫的现象还是很少的,一般是收音低落,只能收到本地电台或者一两个强力电台。检修时可以用小螺丝刀把M点与地短路,如果收音立即恢复正常,便是C\(_{9}\)开路的故障。这时要进一步检查C9有无脱焊,引出铜线是否断了。调换新电容器时,要选择规格与原来相同的,以免影响自动控制的时间常数。
(2)电容器C\(_{9}\)漏电 这只电容器漏电,便等于一只电阻与R7串联后与R\(_{6}\)并联,分去一部电压。漏电情况严重时,自动增益控制便失去作用,收听本地电台和强力电台时,音量开大和开小都有失真现象,同时杂声也随着增高。检查时可将C9一端焊开,用万用表测量它的漏电电阻。判断自动增益控制是否是由C\(_{9}\)漏电而失效,可以测试中放管的帘栅电流来判别。将万用表扳到直流电压50—100伏一档,正试棒接乙正,负试棒接帘栅极,也就是帘栅降压电阻的两端,如图2虚线所示。用高频振荡器放出百分之三十调制的900千赫信号,调谐收音机到发声最响度,或者收听本地和强力电台,记下帘栅极降压电阻两端的电压值。再用小螺丝刀把R7的M点与地短路,当自动增益电压正常时,帘栅极降压电阻上的电压,应有增高。以五灯干电池机为例,输入最大信号时,帘栅极降压电阻上的电压降约为28伏,将R\(_{7}\)在M点与地短路后,就升高到32伏左右。经过上述测试,如果电压降差别甚微,就说明自动增益控制电压不够正常,必须检查C9的漏电情况,并检查帘栅极降压电阻焊接支架有无因受潮以及霉污等造成漏电现象。
(3)滤波降压电阻R\(_{7}\)开路 滤波电阻R7发生故障的可能性是少见的。但由于机件使用日久,经过多次修理,也有开路的可能。R\(_{7}\)开路以后,自动控制电压便失去作用,收音机的杂声和啸声随而增高。这时要检查焊接R7的一只三眼支架两端有无脱焊。重新焊接时要注意除去支架上焊油沾染的灰尖,以免造成漏电。