(丁方善)供收听欣赏音乐节目和唱片用的高传真度收、扩音机结构一般都比较复杂,主要是它的低频放大和放声系统部分质量要求很高。这种收、扩音设备,制作起来往往需要借助专门的仪器设备校验测量,例如测出它的频率特性曲线、发声辐射方向图等等,机器才能达到较高的电声性能指标,这对一般爱好者来说是难以实现的。但是,经验证明,在一般业余条件下,装制一台优质的收、扩音机,事实上并不十分困难。除了电路选择适当以外,制作中要对输出变压器、扬声器、助音箱等重要元件重视选用。只要这些元件选配得当,机器的效果就可能是优良的,收听起来就会给人以高音清新明朗、低音丰满圆润的优异感觉。本文介绍的就是笔者在这方面所作的一个尝试。

这台收、扩音机是根据笔者手头累积存有的元件情况设计装制的,整机原理线路如图1所示。机身全部元件安装在一付旧的Ty250/1000A扩音机前级增音器的底板上(见封四附图)。下部分是一个助音箱,它的正面是二只7×10寸椭圆扬声器以放送低音频。其下方有一个100×200毫米的低音开口,左右侧面各装一个4×6寸椭圆扬声器,以放送高音频。中音扬声器接在外面。所有扬声器均为上海利闻厂飞乐牌产品,质量很好。

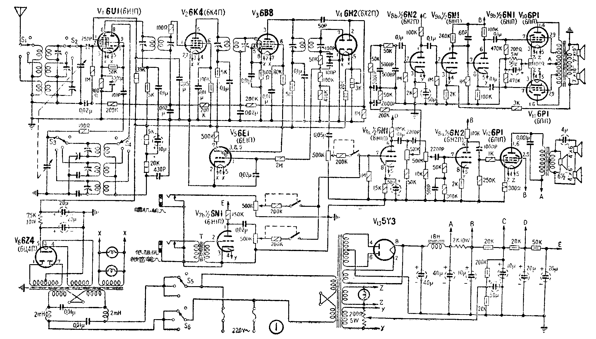
全机共用13个电子管。V\(_{1}\)为6U1本机振荡及混频;V2为6K4第一中放;V\(_{3}\)为6B8第二中放;V4为6H2检波及延迟自动增益控制;V\(_{5}\)为6E1调谐指示;V6为6Z4高中频部分电源整流;V\(_{7}\)-V9为6N1及6N2音频电压放大;V\(_{1}\)0-V11为2×6P1低音频推挽功率放大;V\(_{12}\)为6P1高音频功率放大;V13为5Y3音频部分电源整流。为配合6U1特性,调谐及振荡线圈选用市售610K、620K、630K型。中频变压器为九股空气式。低音频道推挽输出变压器自行绕制,高音频道输出变压器用市售6P1单端输出变压器改制。
和6A2相比较,6U1的变频跨导高、极间电容小,有利于提高接收灵敏度和工作稳定性。它的内部噪声也小,给采用二级中放提供了有利条件。超外差机的灵敏度主要决定于中频放大器的增益,本机虽未加高放级,由于有了二级中放,灵敏度已相当好。检波和自动增益控制由6H2的两个二极部分分别担任,工作稳定。波段开关、管座和微调电容都选用瓷质的。短波段热整电容及本机振荡耦合电容也都用云母或瓷介质的。中高频部分选用上品元件并遵循合理的原则装配,就可以保证机器工作得很好:例如本机振荡部分和输入调谐部分应妥善隔离;输入调谐回路及天线要和自动增益控制电路、中频电路元件远离;同级元件的接地点应在一起等等。本机在装校过程中曾发现有包括变频级在内的中频寄生振荡现象,致使选择性及灵敏度大大恶化。经检查是中频电压经过自动增益控制导线与输入回路接线间的寄生电容形成振荡回路,在改变了输入调谐回路线圈的位置以后就消除了。如果输入调谐回路线圈位置是无法更改的,则在变频管6U1的信号栅上并联一个中频陷波回路(465KC),同样可以消除这种振荡。
由于采用二级中放,整机的选择性完全得到保证,调谐指示亦比一般一级中放明显得多,尤其在短波段里十分明显。因为中频电路没有另加展宽通带的措施,故在校正中频变压器时不要过分追求最大输出。如以高频信号发生器来调整时,可反复调谐六个中频调谐回路,使检波输出在中频信号偏离465KC±10KC时减小到为在465KC时的70%左右为宜。这一点很重要,否则会严重影响接收广播时的音质。至于中频的绝对值不一定要恰在465KC上,与465KC相差一些倒是没有什么大关系,譬如最大输出是在465±5KC上出现也是容许的。延迟自动增益控制的负压是通过一电位器可以调整的,这样可以适合不同波段的接收情况。
中高频部分使用的电源是与音频部分一套分开的,这样可以避免使用一个大型的电源变压器,并可使用输出电流较小的整流管,更重要的是可以使高、中频部分工作更加稳定。在单独使用音频放大部分时,譬如放唱片,还可通过波段开关把整个高、中频部分电源全部切断,减小耗电和发热。
音频放大部分是本机的重要部分。为了最有效地消除低音调制失真,低频在第一级音频电压放大之后即分成两个频道。低音频道采用超线性推挽输出功率放大电路,在这里由于采取了单管分剖倒相电路,V\(_{9a}\)与V9b之间就可以直接耦合,再加上包括输出变压器在内的大环路负反馈,使低音放送时的非线性失真减至最小,内部交流声也得到充分抑制。为了得到模拟立体声的效果,在低音频道里,在V\(_{8b}\)的栅极之前,增加了一个由R-C组成的延时环节,这个电路的时间常数可以视高、中、低音扬声器的布置位置及室内家具等情况改变选择。本机高音频道的下限频率比通常的低一些,这是因为在本机中中音也经过这个频道放大,到输出端才经不同的扬声器分别放送出中、高音来。中音扬声器为6 1/2寸口径的,它的外接安装位置视具体情况选择。
本机的音质调整电位器实际上就是两个频道的音量调节器,在前面还有总的音量调节器。多次试验证明,这种方法是最能灵活地适合各人对音色的要求,可以平滑地调节音色,同时还改变高、低音的输出功率搭配,以使在各种不同的场合下可以调节到具有最佳立体声效果。
为了使低放部分的交流声水平低到大于—60分贝,除了各级屏极电源供电须经仔细选择外,低放部分接地点的选择也十分重要。整个低放部分的接地应仅仅在输入级才与机壳相连。另外,在电压放大管灯丝绕组上还接有平衡电位器,它的中心抽头接在+10伏左右的一点电位上,这样适当调整该电位器后可以消除第一低放管灯丝与阴极之间绝缘不良和极间电容不平衡所引起的交流声。另外音量控制电位器上所附的开关最好不作电源开关使用,电源开关另装,使其远离低放部分。如果装配得当,甚至可以不用隔离线(这对高音频的放送是十分有利的)交流声就小到实际上听不到的地步。
音频放大部分的非线性失真情况实测结果示于附表,所得数据是分别在高、低音扬声器音圈上测得的,其中包括仪器剩余失真在内。
(附表)
频率(赫) 输出功率(瓦) 失真度(%)
400 4 1.05
300 4 1.5
200 4 1.5
100 4 1.8
50 4 1.8
30 4 2.5
1000 1.5 2.8
2000 1.5 2.2
4000 1.5 2.6
6000 1.5 2.5
8000 1.5 3
10000 1.5 3.5
输出变压器,特别是低音频道的输出变压器是音频放大部分的重要元件,制作时应选用优质硅钢片,应让一次侧其有足够大的电感量,使用较粗的漆包线,以使其效率提高。本机低音频道推挽输出变压器使用的铁心截面积为8.75平方厘米(2.5×3.5厘米),它的具体结构数据和绕组分布见图2。

高音频输出变压器可用售品6P1输出变压器改制,根据原变压器的阻抗和圈数比,按照现在接用的扬声器音圈阻抗计算,将它的二次侧圈数增减改绕。
助音箱的结构设计是作为一个低频倒相箱使用。具体制作尺寸见封四附图。整个箱子要制作得十分坚实。安装低音扬声器的正面面板以厚25毫米的整块硬木制成。它的上下、左右侧板可用厚20毫米硬木拼成,所有结合处都开榫镶接胶合或加木筋,避免使用钉子。因为笔者目前手头没有合适的吸音材料,不得不把助音箱的背后作成为开启式的,因为箱内如果没有足够厚度的吸音材料,密闭式的助音箱反而提高了整个发声系统的谐振频率,对低音频放送十分不利,这一点可以试放一张唱片,在箱的后面加上一块厚板密闭或开启试听,就可证实。现在这里是用一块三合板,在整个面上均匀地钻了若干φ10毫米的小孔,孔的总面积约为整个后板面积的2/3,这样,箱的作用基本上和声阻隔板相似了。如果采用很厚的吸音材料敷于箱的内壁,装上后板并加密闭,效果一定更佳。高频扬声器后加一木制隔音罩,以防沙音,有利于高音频重发。
整个发声系统的安装位置,最好是助音箱置于房间右角,与墙成45°角度,接出来的中音扬声器放在房间的左上角或中上部。这样,在播放交响乐时,站在适当位置收听,立体声的效果就十分明显,使人真有身临大厅的感觉。