(黄锦源)图像中频放大器是电视机中起主要作用的放大器。它把从混频器送来的图像中频信号放大到零点几伏到数伏左右,然后送到视频检波器中去进行检波。另外,整个电视机的频率特性,也基本上由中频放大器来决定。
对于双通道式电视机,伴音中频信号是用单独的伴音中频放大器来放大的。为了避免伴音信号对图像的干扰,图像中频放大器就不必对伴音中频有任何放大。在单通道式电视机中,图像和伴音信号是在视频检波器后面才分开的,而且在检波器中,伴音中频信号应当有一定的电平,才能和图像中频信号差频,产生出频率为6.5兆赫的第二伴音中频信号。因此,图像中频放大器在放大图像中频的同时,也要对伴音中频信号作适当放大。下面主要就单通道式电视机进行讨论。
图像中频放大器的特点
(一)频率高。电视接收机里的中频比收音要中频高得多。这主要是因为电视信号的载波频率非常高(属于超短波),如果中频不够高,镜像干扰就会很严重。我国规定的图像中频是34.25兆赫,伴音中频是27.75兆赫。


(二)频带宽。在收音机里,中频放大器的频带宽度约为15千赫(图1)。但在电视机里,为了获得良好的清晰度,图像中频放大器的频带宽达5~6兆赫(图2)。因此它是一个宽频带放大器。
(三)频带特性曲线的形状比较特殊。在收音机里,中频频带特性的形状,对载波频率来说基本上是对称的(图1)。但在电视机里,中频频带特性的形状,对载波频率来说则是根本不对称的(图2)。图像中频载波刚好处在曲线斜边高度为50%的地方(只有一半的放大量)。这是因为电视发送是采用部分边带抑制法,即只发送图像信号中上边带的全部和下边带中0.75兆赫以下的低频分量(参看本刊1963年第6期“电视信号的特点和传送”一文)。这实际上等于把0.75兆赫以下的低频分量以双边带发送,而0.75兆赫以上的高频分量则仅以上边带发送。经过变频以后,上边带变成了下边带。图2的特性曲线恰好能通过0.75兆赫到5~6兆赫的下边带,并使0.75兆赫以下的低频分量削弱一半,以补偿由于发送特性所造成的低频加重的失真。由图像中频载波至斜边顶端或底端的距离,均应为0.75兆赫。
在伴音中频载波上,频带特性曲线下降到最高处的5%左右(对双通道式来说,则应降到零,即没有放大),以减小伴音信号对图像的干扰。另外,下凹的地方应有平坦的响应,宽度要在20O千赫以上。否则伴音中频信号会落在曲线陡峭部分。这样一来,已调频伴音信号就公由于斜率检波的作用产生附加的调幅。经视频检波器后就会得出音频信号,结果会在图像上出现影条干扰。
为了把伴音中频信号压低到5%左右,常在中频放大器内附加一些高Q值的调谐回路,来滤除伴音中频信号,通称为“吸收回路”。
(四)构成所需频带的方式也比较特别。收音机中常用的双调谐回路在这里用得比较少,原因是调整相当困难。在图像中频放大器中,大都采用多级单调谐回路。不过这些单回路不是调到图像中频载波上,而是分别调到较低的几个不同频率上,以合成一个较宽的通频带。图3表示由两级放大器中的三个回路构成总合中频特性的情况。这种情况叫做“参差调谐”,其优点是容易调整,而相位失真较小。

为了获得较宽的频带,常需要在调谐回路上并联一个数值很小的电阻(几千欧),以降低回路的Q值。这也是和收音机中不同的地方。
(五)在频带很宽的条件下,要想获得较高的增益,就必须尽可能减小回路电容和增大电子管的互导。所以图像中频放大器中常常只使用电子管的极间电容和布线电容作为调谐回路的电容,而不外加任何电容。于是,频率的微调只能借助于旋转电感线圈的磁心。同时,还必须采用输入和输出电容很小,而跨导很高的五极管,例如6J1(6Ж1П)等。
基本电路
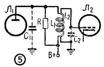
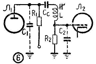
图4是单调谐放大级的基本电路。其中a是串联馈电式电路,b是并联馈电式电路。图中虚线所示的电容c代表极间电容和布线电容,它和电感L形成一个并联调谐回路,给出单峰频带特性。R在这里用来和回路并联以加宽频带,在图4a中,它还兼作栅漏电阻,在图4b中,则兼作直流屏流的通路。C\(_{c}\)是耦合电容。图5是双线并绕变压器单调谐回路放大级。这里线圈 L1和L\(_{2}\)的导线是并在一起绕制的,所以耦合非常紧,漏感可以忽略。因此初次线电路和一个单调谐回路等效,其频带特性也是单峰的。图6是所谓串联调谐放大级。调谐电感L和信号电路是串联的,因此它将总电容分成C1和C\(_{2}\)两部分。这样,有效调谐电容将是C1和C\(_{2}\)的串联值,所以数值变小了,因之电感L就可用得大一些。这个电路实际上就是一个π型滤波器,也给出单峰频带特性。
图4a的串联馈电式有一缺点:当干扰脉冲来到,在电视机荧光屏上产生黑点(或条)时,后面容易出现白色尾巴。这是因为强大的干扰脉冲Л\(_{2}\) 产生栅流时,会将耦合电容C0充电。当干扰过去后,C\(_{0}\)又经R放电产生很大的负偏压,这将使Л2的增益降低,甚至截止。因此这种电路一般只用在前面的级中,因这时干扰还未被放大,影响较小。采用并联馈电式就不会有出现白色尾巴的现象,因为这时栅极到地间的绕组L的直流电阻非常小。双线并绕变压器式电路使用得很广泛, 因为它省去了耦合电容,因而能简化结构,减少分布电容和消灭拖白尾现象。由于初次级间的直流电位差很高,所以线圈间的绝缘要很好。图6的串联调谐电路多用于混频级和第一级中放之间,因为这里通常距离较远,分布电容较大。
中频放大器还可加入自动增益控制电压,图4a的R\(_{a}\)和Ca就是为此而设的。控制电压一般加在前面几级,而不加在最后一级的栅极,这是因为末级的输入信号很强,宜采用不变动的阴极偏压以减少失真。此外,在加有自动增益控制电压的级中,其阴极电阻常不加旁路电容,其目的是加上一点负反馈,使得控制电压变化时输入电容的变动较小,因而总的中频特性比较稳定。
吸收回路
对吸收回路的要求有三:(一)应能将伴音中频信号的放大倍数衰减到5%左右;(二)伴音中频载波附近应有200千赫以上的平坦频带;(三)在它的附近不要过份地影响中频特性的形状,以免减少图像的高频分量而损害清晰度。吸收回路除了滤除伴音中频信号外,有的电视机还用它来滤除邻近频道的图像和伴音载波信号。

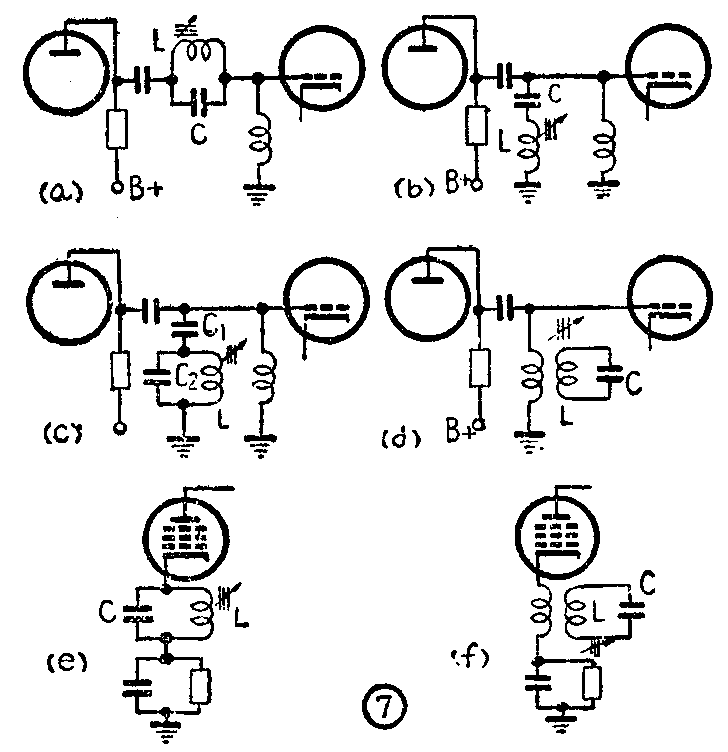
图7示几种形式的吸收回路,其中图a是利用LC并联调谐回路串接于信号电路,这个回路谐振于伴音中频载波频率,阻抗很大,故伴音中频通不过。图b是在电路中并联一个LC串联调谐回路,串联谐振时阻抗很小,故将伴音中频信号短路。图c是图b的改进电路,LC\(_{2}\)谐振频率比伴音中频载波高一些(稍高于27.75兆赫),这时阻抗很大,没有什么分路作用,故图像的高频分量不会削减太多。在伴音中频时,LC2表现为感抗,和C\(_{1}\)恰好形成串联谐振,于是将伴音信号短路。图d中LC调到伴音中频,它和电路作电感耦合,在伴音中频上反射一个很大的阻抗和初级电感串联,因而降低其Q值和该级的增益。图e是在阴极电路加入LC回路,它在伴音中频上并联谐振,呈现很大的电阻,因而产生负反馈以降低该级在伴音中频附近的增益。至于图f则是这种电路采用变压器耦合的形式。
实际电路

北京牌电视机的图像中频放大器(图8)共有两级,调谐回路有三个,以构成所需的频带特性。由混频级到第一级中放的栅极所采用的电路就是图6的串联调谐式,混频级屏极电路的电容及电阻相当于图6的R\(_{1}\)C1, C\(_{3}\)(470pf)相当于耦合电容 Cc,L\(_{2}\)相当于L,R4(8.2K)作为栅偏及加宽频带的电阻,相当于R\(_{2}\)栅极侧总电容相当于C2。电感L\(_{2}\)调谐于f1=30兆赫,给出一个单峰频带特性(参看图3)。由L\(_{1}\)和C4组成的吸收回路采用图7d的形式,调谐于27.75兆赫,将伴音中频信号压低。第1级中放采用6JI(6Ж1П)五极管,它的屏极到第2级中放栅极采用图4b的并联馈电单调谐回路。R6C6作为退耦滤波之用,R\(_{7}\)供给直流屏流,并用来加宽频带。C9是耦合电容,L\(_{4}\)和外加电容C10及其他电容谐振于f\(_{3}\)=33.5兆赫(参看图3)。这里没有自动增益控制电路,R5C\(_{5}\)供给阴极自给偏压。L3L\(_{8}\)谐振于26兆赫,是第二个吸收回路,它的作用是将总合中频特性中频率低于27.75兆赫处所产生的尖峰压下去,以抑制邻近高频道的图像载波的干扰。第二级中放电路完全和第一级相似,L6和电路有效电容调谐于f2=32兆赫。这样三个调谐回路便谐振于不同频率(f\(_{1}\),f2,f\(_{3}\)),而形成参差调谐,并和两个吸收回路构成所需的总合中频特性(图2)。放大后的中频信号由L6送至视频检波器。另外,电容器C\(_{7}\)是用来在接收调频广播时加入第二本机振荡信号之用,而L5是调谐于6.5兆赫,以便在这时能取出6.5兆赫第二伴音信号送到伴音通道去。


