这是一部适合无线电爱好者自制条件的测试仪器。它具有体积小、用途多、有足够的精确度、使用方便和成本低等优点,在上届全国无线电工程制作评比中获得了特等奖。——编者
线路组成

这部测试仪线路如图1所示,全机共用电子管五只,分为两个主要部分:一部分为6A2组成的高、低频振荡器线路,另一部分为6N1组成的电子管电压表线路。高频报荡器利用6A2帘栅的负阻特性,接成负阻振荡器。低频振荡器也用同一个6A2接成阴极回输的三点式振荡电路。同时,利用转换开关,这几6A2还可以作为收音用的再生检波器、讯号寻迹器及低频放大器的前级放大级等使用。6J6(6H15П)作低频放大、音频检波,6E1作低频信号强度指示器。
电子管电压表采用由双三极管6N1(V\(_{3}\))担任的桥式直流放大电路。当它左边三极部分的栅极未加外侧电压时,桥式电路呈平衡状态,电流表中无电流指示。当外测电压输入时,此三极管的屏流发生变化,改变了电子管的内阻,使电桥失去平衡,因此电表就指示出不平衡电流,其大小与被测电压的大小成直线关系。由于采用了桥式电路,电源电压稍有变动,对它影响不大,所以不必采用复杂的稳压装置。测量项目包括:直流电压从1.5伏到1500伏,分为七档。输入总阻为10兆欧。测量交流电压时,信号先经1/26N1(V2)检波,然后再进行放大和指示。交流电压的测量范围与直流电压相同。利用分压与分流的原理,这一部分还可用来测量电阻及直流电流。电阻测量范围从10欧到1000兆欧,分为七档,电流从1.5微安到150毫安,分为六档。
使用方法
(1)低频信号产生器 将S\(_{1}\)放在2,S2放在5,这时在插孔D、E就有低频信号,输出。频率由电位器R\(_{1}\)控制,范围在200~2000赫之间,可以连续改变。
(2)高频讯号发生器 S\(_{1}\)放在2,S2可放在l、2、3、4各点,根据所需频率决定。此时在插孔I上有内调制的高频信号输出。调制的低频频率由电位器R\(_{1}\)控制。高频频率选择由可变电容器C1控制。若需要未调制的高频等幅信号,只要在插孔B插入一只香蕉插头,使V\(_{1}\)阴极直接接地即可。若需要外调制,可在J1插孔输入一低频信号,此时B插孔内的插头仍须插上,以保持V\(_{1}\)阴极接地。这时电位器R1可作调幅度控制。高频振荡各档频率范围为:①250~650千赫,②550~1450千赫,③1.6~5兆赫,④6~17兆赫。
(3)电码练习器 开关位置与(1)相同。在插孔A与E上插入电键,在C及F上插入耳机或舌簧喇叭即可使用。因为当插孔A插入插头时,将S\(_{6}\)顶开,此时V1的阴极回路断开,无信号输出,但电键按下时又接通,故可作电码练习用,音调仍由R\(_{1}\)来控制。
(4)再生式收音机 将S\(_{1}\)放在1,S2放在5或5和6之间,插孔B插入一香蕉插头,使V\(_{1}\)阴极接地,插孔G接天线,插孔C及F接入耳机或舌簧喇叭,此时可变电容器C1作中波电台频率调谐用,电位器R\(_{2}\)作再生控制。
(5)电感的测定 使用方法与(2)相同,只要将S\(_{2}\)拨到7,在接线柱H及E上按入未知电感的线圈与电容器C1组成一谐振振荡回路。按电容器C\(_{1}\)的动片转动的角度确定其电容量(可在手册中查得),另用一刻度指示准确的收音机来指示其振荡频率,此时被测线圈的电感量就可以用下式来求得:
L(微亨)=\(\frac{25300}{C(微微法)×f}\)\(^{2}\)(兆赫)
可测电感量范围为1~1000微亨。
(6)频率的测定 有两种方法。第一种方法是在J\(_{1}\)接入未知频率的振荡信号,并使仪器自己产生一等幅信号(可以约略估计一下未知信号的频率范围,然后将S2放到与未知频率相接近的适当波段位置上)。两个信号同时加在V\(_{1}\)管的第一栅与第三栅极上进行差拍,当这两个信号频率不一致时,则在V1屏极有差频信号输出,使V\(_{5}\)指示管的扇影张开。当未知信号与机内的振荡频率相同时,则产生零拍。V1无信号输出,V\(_{5}\)亦无信号指示。此时电容器C1调谐度盘上所指示的频率即为被测信号的频率。第二种方法是利用示波器观察李沙育圆图来测定频率。这种方法比较精确。这时本仪器作为一台标准信号发生器使用,将输出信号接到示波器的X轴输入端,而将被测的未知信号接到Y轴输入端,S\(_{2}\)放在适当的波段位置,转动电容器C1,当示波器荧光屏上出现圆形或椭圆图形时,C\(_{1}\) 度盘上的指示频率即为被测未知信号的频率。可测量频率范因为250千赫到17兆赫。
(7)唱片放大器 S\(_{1}\)放在2上,S2放在5上,并使V\(_{1}\)阴极接地(在插孔B内插入一香蕉插头),在插孔C及F上接一扬声器(用永磁扬声器时要配10K:3.5Ω输出变压器),此时在J1插孔接入唱机插头即可使用。R\(_{1}\)可控制音量,V5指示低频信号强度。
(8)小小播音机 使仪器产生等幅高频信号,在J\(_{1}\)插孔内接入音频信号(由唱片或话筒送入的声频电压),此时所输出的即为调幅高频信号。若高频频率调谐在中波频率范围(100~200米)内,可用一般五灯收音机收听。
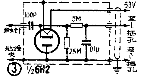
(9)高、低频信号寻迹器 S\(_{1}\)放在2上,S2放在5上,插孔B内插入香蕉插头,使V\(_{1}\)阴极接地,在J1插孔上插入寻迹器探头。探头为一由Д-9二极管组成的检波器,装在一个三线式插头内,线路结构如图2所示。当寻迹低频信号时,使用触针 1。寻迹高频信号时,使用触针2。信号强度由指示管(V\(_{5}\))的阴影大小来判断,也可以在C、F插孔上接入一扬声器,用声音的大小来判断。

(10)电子管直流电压表 将S\(_{1}\)拨到3,S4放在1上,S\(_{5}\)放在1上,S3拨到与被测电压相适应的一档。电子管V\(_{3}\)烧热后调节R3使表头M指到零位。被测电压在插孔L及O输入,从M的指示可以直接读出电压的数值。
(11)电子管交流低频电压表 S\(_{1}\)放在3上,S4放在1上,S\(_{5}\)放在2上,S3拨到与被测电压相适应的一档。调节R\(_{3}\)使指针指零位,测试笔插到插座N及O上,就可以测量频率为100千赫以下的低频交流电压。被测交流电压先经V2检波,然后输入到直流电压表内指示, S\(_{7}\)是由插入N插孔的插头来控制的。
(12)电子管交流高频电压表测量高频电压时,需要单独做一个检波器探头,可装在一个中频变压器的铝罩内。探头内部的接线图如图3所示。引出线用一根三芯电缆与仪器相联接,电缆的外皮必须有金属隔离层,这样可以测量频率范围达100兆赫的高频电压。

(13)电子管欧姆表 S\(_{1}\)放在3上,S4放在2上,S\(_{3}\)放在与被测电阻相适应的位置,电阻测试笔插在M及O插孔上。在未接被测电阻时,调整电位器R4,使指针达到满标度,表示电阻为无限大。当测试笔短路时,指针应回到零位。如不能回到零位,可调整电位器R\(_{3}\)。测量时要注意手不能触及导体或电阻的导电部分,否则会影响指示的正确性。
零件选择与加工
1.线圈:L\(_{1}\)、L2、L\(_{4}\)为市售美通553型两波段天线输入线图,L1为中波天线回路线圈, L\(_{2}\)为中波输入回路线圈, L4为短波输入回路线圈。将553线圈的短波天线线圈拆除不用。L\(_{3}\)需自绕,用7股0.08纱包线在直径10毫米的线圈管上叠绕36圈。L5、L\(_{6}\)、L7为美通336型再生检波线圈。
2.变压器:T\(_{2}\)为一般三灯收音机上使用的电源变压器,高压为200~250伏的均能用。T1为低频振荡线圈,可以同一般小型级间交连用的低频变压器,圈数比为3:1,使用时将B和F连接起来作为线圈的抽头,G接振荡栅极,P接地。
3.电容器:在电子管电压表内所使用的电容器如C\(_{2}\)、C3、C\(_{4}\)等要使用耐压高(在1000伏以上),绝缘性能好的云母电容器,其余的可用纸质、陶瓷或聚苯乙烯电容器。可变电容器C1为一般365微微法空气绝缘单连可变电容器。
4.电阻:固定电阻除了图1中注明瓦数的为线绕电阻外,均可使用1/2或1/4瓦的炭膜电阻。电子管电压表的分压电阻必须使用误差值在1%以下的炭膜或金属膜电阻,并须在精密电桥上测量过才能使用。在1KΩ以下的分压器电阻最好用线绕电阻,并经电桥校准。分压器电阻如不正确,将大大影响电表指示的正确性。可变电阻R\(_{5}\)与R6为一般3瓦型中点可以滑动的线绕电阻,调整时经过一次调试,以后不必再动。

5.开关:S\(_{1}\)使用一般小型四刀三掷波段开关,S2为矿石机分线器,电压表分压器开关S\(_{3}\)须用绝缘高、接触度好的优质开关,这里使用的是瓷质单刀11点开关。S4为手扳式小型双刀双掷开关,装在电表表壳内。S\(_{5}\)为手扳式小型单刀双掷开关,S6为用香蕉插头间接控制的常闭开关,结构如图4。当插头插入A孔时它就断开,拔出后即自动接通,作用是在用作电码练习器时,电键插入A、E插孔时可将V\(_{1}\)阴极回路断开。S7为电子管电压表交流测量档检波器接续开关,也是由接头N来控制的,当插头插入N插座时,即可自动接通,结构见图5。

6.表头:这里用的是一只灵敏度为350微安的磁电式微安表。如能使用灵敏度更高的表头,仪器将更精确。换用灵敏度更高的表头时,只要在调整时将电阻R\(_{4}\)、R5、R\(_{6}\)适当加大即可。表头灵敏度最低不能大于500微安。
安装与制作工艺
本仪器全部装在一只体积为200×120×70毫米的铝质饭盒内。可控元件均固定在204×124×6毫米的胶木面板上。面板上的位置尺寸与内部主要元件布置详见封四所示结构图。由于机内体积小、零件多,内部结构安装紧凑,要利用一切有效空间,因此有些零件要重新安装,并加以改造。为了节省地位,有的电子管如V\(_{3}\)、V4、V\(_{5}\)不用管座,将管子固定在其他元件上,而用管座内拆下的插脚直接插到电子管管脚上。这样不但缩小体积,还可提高管脚之间的绝缘电阻。由于内部零件排列凑,焊接时要用较细的快速铬铁,同时接头焊锡不宜太多,必须注意各管相邻管脚之间不能互相短路。

调整与刻度
1.低频振荡器:按照前述低频振荡器的使用方法,调整时可以在C,F两插孔上接一个舌簧喇叭作监听,转动电位器R\(_{1}\)就可以听到高低频率不同的低频振荡声。这声音与标准的低频振荡器相比较,当声音音调相同时,可以在电位器R1旋钮下按标准频率刻上指示数,一般常用的为400赫和1000赫。如果需要更精确的刻度,可用标准低频信号发生器及示波器,采用李沙育图形的测量方法来刻度。若需改变低频振荡频率的范围,只要变更C\(_{6}\)的容量即可。如果安装地位允许,可以用几个不同容量的电容器C6和一分线器开关来选择频率范围,这样可以把低频振荡频率扩展到20赫到20千赫全部频段。
2.高频信号发生器:在没有标准高频信号发生器的情况下,可借助一台刻度指示正确的中短波收音机,用它来接收仪器所发生的信号以校验仪器的信号频率。这种方法很难精确,因为一般收音机的度盘频率刻度不够精细,同时发生器的谐波也可能被收音机接收,这种现象在短波段的校验中更容易发生。
比较精确的校验方法要用一台标准信号发生器,采用前过使用方法第(6)项的频率测定方法,将原来的未知被测频率改为已知的标准频率,而以本仪器产生的频率作为被校正频率来刻度。其方法可用零差拍法,也可以用示波器的李沙育图形法。校正时每一波段的频率刻度先用一个100等分的度盘用表格记录下来,然后再画成半圆形的频率刻度,画到仪器刻度盘上。


3.电子管电压表:电压刻度共有二条分度标线,一年为5等分,每等分内分为10小格。一条为15等分,每等分内分为5小格,测量交流有效值与直流电压均用这两刻度来指示。电阻刻度是非线性的,中值为1。电阻刻度的校正比较简单的方法可以用一十进位的标准电阻箱,也可以用误差值在1%以下的电阻来校正。表面校正刻度后的情况如图6所示。如果分压器电阻阻值精确度在0.5%~1%以内,则电表指示的误差值可在±5%以内。校正电压刻度时,必须使仪器接通电源预热5分钟,并调整R\(_{3}\)使指针指零位,然后接入输入直流或交流电压,并准确地控制在1.5伏(如图7),将S3放在1的位置,校正直流电压刻度时调整可变电阻R\(_{5}\),校正交流电压刻度时调整R6,使指针指满标度,然后将R\(_{5}\)和R6的阻值固定,以后不必再动。其他各档电压的校准,只要分压器电阻值选择得正确,就不必重新调整了。分压器换档开关S\(_{3}\)的各档测量项目及范围如附表所示,也可直接刻在开关S3的各分档上。

缺点及改进
这部仪器虽然用处较多,使用效果尚好,但还存在着一些缺点,有待改进。
1.高低频信号的输出电压大小不能调节控制,阻抗也不能变动匹配。制作时如果地位能有空余,可以在输出端装一个5KΩ的电位器来调节,或加用一组定压分压器,输出电压用准确的电子管毫伏表加以校正。
2.高低频信号发生器与电子管电压表不能同时使用。这是一个较大的缺点,因为在实际使用时这两个部分往往需要同时使用(如测量收音机灵敏度时须将电压表接到输出端,而将信号接输入端)。在这个线路中这一缺点还不能克服,除非另外加设一套整流电源装置。
3.电子管电压表交流测量档检波管没有起始电流平衡装置,故在1.5伏档测量时,电表指针不能调整到零位,解决办法可在R\(_{6}\)与地间接入一个1~3千欧的可变电阻,将原R7接地一端接到此电阻的动触头上,调整这个电阻使1.5伏档在未接测量电压时表针回到零点为止。
4.高低频振荡器的输出波形均非正弦波,高频振荡的谐波也较强,若度盘未经校正就很难分清主波和谐波。调幅度虽然可用R\(_{1}\)控制,但高频端的调幅度大,低频端的调幅度小,调幅度究竟是多少,不能确定。(金德初)