晶体管变频器和电子管变频器的原理一样,它是把一个比较微弱的外来电台信号和变频器本身所产生的一个较强的等幅振荡信号混合在一起,通过晶体管的非线性作用,使变成另一种频率的信号(中频信号),而原来信号的调制规律仍保持不变。
变频器和混频器
在晶体管收音机中,有单用一个晶体管作本机振荡、而另用一个晶体管作混频的所谓混频电路,也有只用一个晶体管同时兼作本机振荡和混频的所谓变频电路。根据目前晶体管的水平,一般接收中波段信号的收音机多用变频电路,接收中短波、超短波以及全波段的收音机多用混频电路。

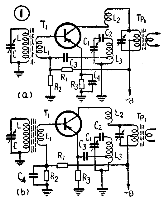
典型的晶体管变频电路如图1a和b。两个电路的区别仅仅在于:前者本机振荡信号由基极注入,因而叫做基极挹注式变频器,后者本机振荡信号由发射极注入,因而叫做发射极挹注式变频器。它们的大致原理是这样的:从磁性天线上感应所得的欲接收信号,经由LC组成的选择性回路选择出来后,利用L与L\(_{1}\)的互感关系,把所接收的信号最大限度地传给晶体管T1的基极。与此同时,晶体管用电感回授式电路产生本机振荡。如果把图1a中有关本机振荡的电路抽出来和电子管电感回授式振荡器进行比较(如图2),就极易了解其振荡原理了。图中L\(_{2}\)为回授线图,L3为调谐线圈,L\(_{3}\)C1振荡回路中能量的损耗,由于L\(_{2}\)的回授而得到补偿,这在晶体管电路和电子管电路是相同的。但是由于晶体管基极或发射极输入阻抗都很低,因此必须在L3抽头上才能接到基板或发射极去,否则振荡回路并联一个小阻抗,不能很好地工作。

电阻R\(_{1}\)、R2是用来确定晶体管工作点的偏流电阻,R\(_{3}\)是用来加强晶体管稳定性的发射极电阻,C3为隔直流电容,C\(_{4}\)为旁路电容,C2为统调用的垫衬电容,Tp\(_{1}\)为中频变压器。
不论是图1a或b电路,变频作用的完成都是利用晶体三极管基极和发射极间二极管特性的非线性原理(图3),因此选择晶体管工作点是一项十分重要的工作,否则变频增益就会下降。


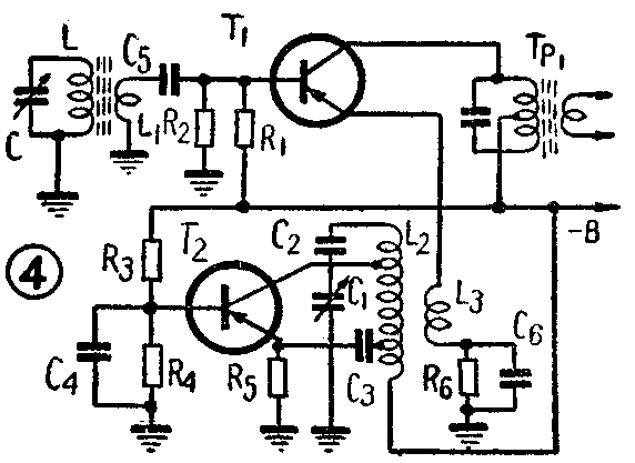
混频器的典型电路如图4。图中T\(_{1}\)为混频管,T2为本机振荡管,接成三点式振荡电路。这里采用的是发射极挹注式,振荡电压由L\(_{3}\)耦合送至T1发射极,同理也可以采用基极挹注式。混频电路的优点是本振电路与信号电路间彼此牵制较少,在工作频率较高时容易调整。
变频管或混频管的选择
并不是所有的晶体三极管都适宜作变频管或混频管,它们的选择原则如下:混频电路中的混频管,要求输入端的高频特性好,就是说要求晶体管发射结的工作频率要高,但输出端(集电结)主要起放大中频信号的作用,只要求对中频放大倍数高即可,不需要频率特性很好;对本机振荡管则要求有较好的频率特性,截止频率要高一些。至于变频管由于它是双重任务的担负者,因此不仅要求频率特性好,而且对中频的放大倍数也要高,总的说来,变频管的要求高于混频管。
对于接收中波段信号的收音机来说,П401、П402、П403型,或ZK306,ZK307、ZK308型晶体管均宜用来作变频或混频之用,对于接收短波的收音机来说,П401型晶体管用作变频器约可工作到10兆赫左右。П-6型管因受频率特性的限制,不适宜作变频管或混频管之用。
变频管的工作点
上面已经谈到变频管的工作点选择必须保证变频管有最大的变频增益。以图1a的电路为例,选择T\(_{1}\)工作点时,可先固定R2值,然后变动R1使集电极电流达到预先规定的数据,按照一般的规律,П401型晶体管用作变频管或混频管时集电极电流多数采用0.4~0.8毫安,以0.5毫安较多,这是因为在这一情况下,增益最大,而噪音较小。如图5的曲线所示。

本机振荡电压的大小

要使变频管有最大的变频增益,除了调整好工作点以外,还要把本机振荡电压的大小调整好,这主要借助于调整L\(_{2}\)的圈数和L3的抽头点来决定。图6是用图1a变频电路实验所得到的变频增益与振落电压的关系曲线,从图中可以看出,当振荡电压为200毫伏时增益最大,超过200毫伏以后增益又逐渐下降,但下降得比较缓慢。另外,如果报荡电压过弱,电池电压降低后则易发生停振;振荡电压过强,在高频端则会发生阻塞振荡。一般对于图1a电路,振荡电压宜调整在200~300毫伏之间,对于图1b的变频电路,振荡电压宜调整在100~150毫伏之间,以上都是指集电极电流为0.5毫安的情况。
振荡电压在整个接收波段内应该比较均匀,否则会造成一部分频段增益高,一部分频段增益低。
天线回路次级线圈
晶体管收音机的输入回路多绕在磁性天线摔上,它的初级圈的电感(图1a或b中L)根据接收频率范围和可变电容C的容量来确定,至于它的圈数则根据所需的电感、磁棒的特性决定。次级圈L\(_{1}\)的圈数与晶体管的输入阻抗有关,要求通过L、L1使晶体管的输入阻抗与调谐回路的谐振阻抗相匹配,如已知L的电感及Q值以及晶体管的输入阻抗R\(_{i}\),那么初次级圈数比n应为n=\(\frac{\sqrt{2πf·L·Q}}{R}\)i
П401型晶体管的输入阻抗在500千赫时约为2千欧,在1500千赫时约为1千欧,如果已知L为290微亨,Q为160,R\(_{i}\)以1.5千欧计算,在1000千赫时
n=\(\frac{\sqrt{2πf·L·Q}}{R}\)\(_{i}\)=6.28×10\(^{6}\)×290×10-6×160;1.5×10\(^{3}\)≈14
如已知L的圈数为70,那么L\(_{1}\)应为\(\frac{70}{14}\)=5圈。次级圈救过多不仅整机灵敏度降低,而且假象干扰也会十分严重,实验证明圈数若过多过少。还会使整个波段内变频增益不均匀。最好根据理论计算再用实验来适当调整。

图7为在不同次级圈圈数下变频增益在接收范围内的变化情形。(思源)