超外差式收音机的音质,除了和低频部分频率特性有关以外,还在很大程度上决定于中频放大器的通频带宽度。中频放大器的通频带越宽,高音频就不致被衰减,扬声器放出来的声音就越加动听。相反地,如果通频带很窄,那么,即使收音机低频部分频率响应再好,也很难发出优美的声音。但是通频带宽了,选择性就相应地下降,收听远地电台时,会发生“串台”的现象,同时各种杂音干扰也会伴随而入。因此我们在收听近地电台的时候,总希望中频放大器的通频带宽一些,使音质可以好一些;而收听远地电台时,则希望通频带窄一些,以提高选择性,减少杂音。为了满足这一要求,在一些音质比较好的收音机里,把中频放大器的通频带作成可以调节的。采用手动调节的方法,比较麻烦,而利用半导体二极管却可以将通频带的调节作成自动的。
半导体二极管加上反向电压时,其自身电容将随着外加电压的大小而改变。当反向电压增加时,P—N结阻挡层变厚,使得电容量减小;当反向电压减小时,电容量将增加。如果利用加反向电压的半导体二极管作为中频变压器两回路间的耦合电容,而利用自动增益控制电压来改变加于二极管反向电压的大小,就可以使得中频变压器的通频带随着外来信号的大小而改变,达到通频带的自动调节。

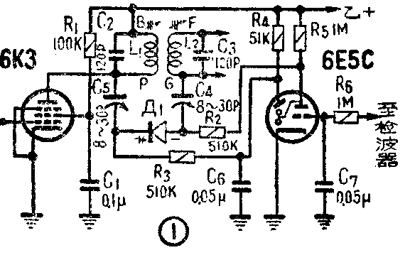
图1就是一种利用半导体二极管作耦合电容的通频带自动调节电路。二极管Д1(Д7Д, Д7E,或ДГЦ25)通过电阻R\(_{2}\)、R3接在收音机的调谐指示管6E5C的屏极和荧光屏之间,6E5C屏极电位较荧光屏为负,给二极管加了一个反向电压。二极管通过隔直流微调电容器C\(_{4}\)和C5接在中频变压器回路L\(_{1}\)C2和L\(_{2}\)C3之间作为耦合电容。当外来信号增大时,自动增益控制电压增加,6E5C栅负压增大,屏流减小,R\(_{5}\)上压降减小,屏极电位增高,使加在二极管两端的反向电压降低,于是耦合电容量增加,通频带自动展宽。当外来信号减小时,与上述过程相反,回路间的耦合电容量减小,使通频带自动变窄,从而实现了通频带的自动调节。调节C4和C\(_{5}\)可以选择两回路间的最佳耦合。为了提高指示管6E5C的灵敏度和电路的作用效果,在指示管的荧光屏电路中接有去耦滤波器R4C\(_{6}\)。当外来信号变化时,Д1的电容可在5微微法到15微微法的范围内变化。
上述的电路是在中放管后面的中频回路中实现通频带的自动调节的,如果在变频级后面的中频回路中进行通频带的调节,那么,电路可以简化如图2。因为变频管的屏极的直流电压与指示管荧光屏的电压相差得很少,并且它几乎与变频管控制栅极的信号大小无关,因此二极管可以接在变频管的屏极的指示管6E5C的屏极之间,这时加于二极管的反向电压同样将随着6E5C栅极负压的大小而改变。在这里微调电容器C\(_{5}\)和去耦滤波器R4C\(_{6}\)就不需要了。

在装制时应该注意二极管极性不能接反,电阻R\(_{2}\)、R3要装在中频变压器近旁,而不要装在指示管管座处。在收音机中加装这种设备时,应该将加装零件的中频变压器重新微调一下,调整时R\(_{6}\)的右端应该接地,使自动增益控制电压和通频带自动调节电路不起作用。(吕秉武、章熙国编译)