由于电波传播过程中的衰落现象, 接收机和发射台相对位置的不断改变(如汽车和飞机上的电台),以及其他原因,接收地点的电场强度会发生很大的变化,因而接收机的输入信号电压也将相应变化。这种变化很难估计,会影响无线电通信的效果。为了使接收机可靠地工作,我们必须在接收机中增加一种设备,使得在外界电场强度变化非常大的情况下,接收机的输出功率仍能保持相当稳定。这种设备就是自动增益控制电路。
自动增益控制电路的原理不外是当信号强度变化时,接收机相应地自动调整放大量使输出接近恒定。从公式
U\(_{输出}\)=K·U输入(其中U\(_{输出}\)—输出电压,U输入—接收机输入信号电压,K—放大倍数)可见当U\(_{输入}\)变大或变小的时候,只要相应地减小或增大放大量K,就能使输出维持接近不变。
控制放大量的办法一般是采用一个大小和信号电压相对应的直流负偏压来控制中频和高频放大器的工作点。当信号增强时,负偏压增加,使电子管的工作点在曲线上左移,因而电子管跨导下降,导致放大量降低;反之,当信号减弱的时候,负偏压减小,因而电子管跨导增加,放大量上升,结果输出信号的大小近似于不变 (图1)。


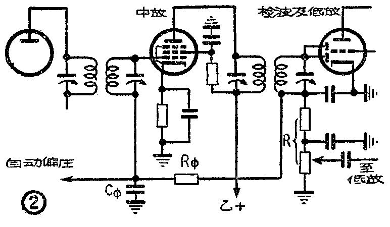
自动增益控制电路的类型很多。最简单的自动增益控制电路就从二极管检波器的负载电阻R上取得负偏压,经过一节R\(_{φ}\)Cφ电路滤波后作为控制电压(图2)。不过这种自动增益控制电路的效果比较差,许多地方还不能令人满意。因为当信号变化很厉害的时候,它输出的负偏压变化却不大,因此放大量变化的幅度远远跟不上信号变化的幅度,于是接收机输出的大小也就很不稳定了。
理想的自动增益控制电路必须在信号电压改变的时候能够输出变化幅度足够大的负偏压, 使放大量相应的变化足以补偿输入信号的变化而维持输出的恒定。

为了在信号电压一定的变化范围下增大自动负偏压的变化幅度, 常采用放大式自动增益控制电路(图3) 。这种电路中,在自动增益控制检波前采用了专用的附加中频放大级(图3a),或在自动增益控制检波后采用专用的直流放大器,以放大检波后的直流控制偏压(图3b)。由于采用了附加放大器,在相同的信号电压变化范围下,控制偏压的变化幅度就比从检波器直接输出(图2)要大得多了, 因此接收机输出也就稳定得多。自动增益控制系统中的放大量越大,并且受自动偏压控制的级数愈多,那么控制作用愈良好。为了得到满意的控制作用,就必须增加放大器的级数,于是就增加了接收机的复杂程度。
具有直流正反馈自动增益控制电路的接收机,复杂程度和具有放大式自动增益控制电路的相同,但能得到更稳定的输出。它的方框图如图4所示。

在附加中频放大器的输出端接上两个检波器,一个输出正的直流电压,另一个输出负的直流电压,它们的绝对值都正比于信号的大小。其中正的直流电压反馈到附加中频放大器的栅极,形成附加中频放大器的直流正反馈; 而负的直流电压则反馈到接收机中受控制的各级放大器的栅极,作为自动偏压。每当信号电压增强的时候, 正的直流电压使得附加放大器的栅偏压减小,其相应的放大量也因而加大。由于附加放大器放大量的增大, 输出负直流电压的检波器的输出电压也就要比没有采用正反馈前要增大得更多。同样,当信号电压减弱的时候,正反馈电压减小,附加放大器的栅偏压加大,放大量也减低,由于附加放大器放大量降低,负电压的输出相应地要比没有采用正反馈前要减小得更多。也就是说在采用了直流正反馈电路后,在相同的输入信号变化范围下,自动控制偏压变化的幅度就变得更大,因此它的控制作用就更完善了。
笔者根据原理方框图设计了具体电路(图5),通过试验证明性能的确比一般放大式自动增益控制电路优越。

图中Л\(_{1}\)是变频管,Л2、Л\(_{3}\)是中频放大级,Л6是自动增益控制附加放大器,其输入中频电压通过C\(_{7}\)由Л3 屏极上取得。双二极管Л\(_{7}\)作为自动增益控制检波器,其右半部作为输出直流正电压的检波器中频电压通过C20由Л\(_{6}\)的屏极加到Л7右半部的阴极上,而其屏极接地,由并联检波负载电阻R\(_{26}\)上输出正电压,经R27C\(_{22}\)滤去中频和音频成分后,通过Л6的栅漏电阻R\(_{18}\)反馈至Л6的栅极,形成附加中频放大器的直流正反馈。Л\(_{7}\)的左半部作为输出直流负电压的检波器,中频电压由中频变压器次级加到屏极上,由串联检波负载电阻R24输出负偏压,经R\(_{23}\)C16滤去交流成分后,分别馈至Л\(_{1}\)、Л2、Л\(_{3}\)的栅极,作为自动增益控制电压,其电路和一般自动增益控制电路类似。此外, R28和R\(_{25}\)构成一分压器,使Л7左半部阴极上约有2伏的直流正电压作为延迟电压,在输入信号太小时使自动增益控制电路停止工作,自动偏压变为零,以保证在接收微弱信号时有最大增益。
帘栅极电压的馈电方式对自动增益控制的性能有相当大的影响。

在信号增强时,自动偏压相应增大,电子管的屏流直流分量和帘栅电流都要相应地减少。当我们采用在帘栅极上串联一电阻R\(_{g2}\)作为帘栅极供电电路时(图6a),由于帘栅电流的减小,在电阻Rg2上的电压降I\(_{g2}\)Rg2也相应减小,于是帘栅电压U\(_{g2}\)=Eo-I\(_{g2}\)Rg2便提高了。帘栅电压的提高促使电子管的跨导变大,这正和我们要求的情况(降低放大量)相反。同样,当信号变弱时,由于偏压减小,帘栅极电流增大,帘栅极电压降低,它有使跨导变小的趋势,于是影响了放大量的提高。所以串联降压电阻的帘栅馈电方法将削弱自动增益控制电路的作用。为了避免帘栅电路的良影响,可采用图6b所示的馈电方法,图中帘栅电压是通过分压器R\(_{1}\)、R2取得的,假若(R\(_{1}\)+R2)的数值取得足够小,使得流经R\(_{1}\)R2的电流比帘栅流大得多,以致在帘栅电流变化的时候并不显著地影响帘栅电压(R\(_{1}\)上的电压降)的稳定,从 而减小对自动增益控制电路的影响。R1和R\(_{2}\)的数值愈小作用就愈好,不过这样在R1R\(_{2}\)上损耗的功率也就变得很可观了。一般R1和R\(_{2}\)取15K左右的电阻就可以了。图5中帘栅电压就采用了这种馈电电路。(徐群济)