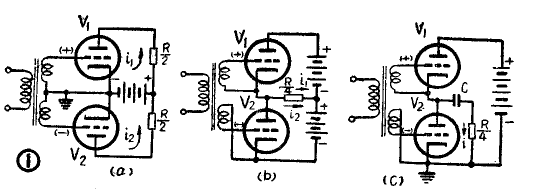
一般音频放大器的推挽输出级都是使用输出变压器和扬声器相连接的,但是由于输出变压器铁心磁化曲线的非线性,会产生非线性失真,另外它又是一个电抗性元件,有相移存在,不能采用深度的负反馈,因而影响了放音质量的进一步提高。近年来,人们研究出一种不用输出变压器的单端推挽电路,它的原理电路如图1b。它和一般的推挽电路(图1a)不同的地方是其中的一只电子管的极性调换了方向,另外,负载和电源也互相对调了位置。在图1a中,而个电子管的直流供电电路是并联的,而交流负载电路是串联的(图中箭头表示瞬时交流电流的方向),总负载等于R。在图1b中,两个电子管的直流电路是串联的,每个电子管各分得电源电压的一半,而负载是接到电源电压的中点,负载两端的直流电位相同,因此在负载里没有直流电流通过。两管的交流电流都通过负载,而且它们的方向相同,相互叠加,所以对交流来说,两管是并联的,因此它的负载阻抗只有一般推挽电路每边负载的1/2,也就是整个负载的1/4。另外再采用特制的低屏压、低内阻的输出管(如EL86,6П18П等)和高阻抗的扬声器,就可以不要输出变压器,而直接和扬声器相连。这种电路的失真很小,放音质量可以显著地提高。可是图1b的电路,电源要有中心抽头,很不方便,突际上都是采用图1c的接法,即负载阻抗(扬声器)经过一个隔直流电容器跨接在两管联接点和V\(_{2}\)阴极之间,这样效果是相同的。

图2是一个实际电路。由电压放大极126H2П(V\(_{1}\))输出的音频电压虽然只加在输出级的一个电子管V3上,但是,接在V\(_{3}\)屏极电路中的电阻R8同时又是电子管V\(_{2}\)的自给栅偏压电阻,它把放大了的极性相反的信号由R6传送到V\(_{2}\)的栅极,因此当信号放大时,和通常的推挽电路一样,两管的屏流是向相反的方向变化着, 交流信号就由C7输送到扬声器上。输出级采用两只低屏压输出管6П18П, 两只扬声器的阻抗共为800欧。负反馈经过R\(_{1}\)0接至V1的阴极电路,反馈深度达20分贝,当输出功率为2瓦时,非线性失真为1.5%。
这个电路的主要缺点是不能消除偶次谐波失真,这是因为V\(_{2}\)的推动电压是由V3的屏极负载R\(_{8}\)供给的,这个电压本身还带有偶次谐波失真, 因而输出信号的非线性失真还比较大。另外,由于电子管V3兼作V\(_{2}\)的倒相器,当V3截止时,就没有反相信号加到V\(_{2}\)了,因此这种电路只能工作于甲类状态, 输出的功率比较小。

如果使用专门的倒相器来供给V\(_{2}\)的推动电压,就可以消除上述的缺点,这种放大器的电路如图3所示。V1作前置放大,V\(_{2}\)作倒相器,末级V3、V\(_{4}\)的推动电压分别从V2的屏极和阴极取得。负载阻抗约800欧。这种电路可以输出较大的功率,而且由于负反馈的加深 (达30分贝),可以大大减小非线性失真。末级的输出功率可达6瓦,非线性失真不超过1%。
在这个电路中,值得特别指出的是它的电源供给部分。先看V\(_{2}\)屏极电路,由于V3的推动电压不能直接从V\(_{2}\)的整个屏极负载上取得,因为那样,信号将加在它的栅极与屏极之间了。因此在本电路中V3的推动电压是从接在V\(_{2}\)屏极与V3帘栅极之间的电阻R\(_{8}\)上取得的,它的一端通过C6接到V\(_{3}\)的阴极。另外,V3帘栅压的供给,也是需要考虑的。为了使帘栅极得到足够的电压,就应该减小降压电阻R\(_{7}\),但是当R7的数值减小时,输出信号通过C\(_{6}\)、R7和电源内阻的分流作用特加大,这样就会无谓地消耗掉一部分输出功率;如果R\(_{7}\)数值增大,帘栅电压将降低,又会使输出功率减小,因此帘栅降压电阻R7的数值需要很好地选择,才能得到较大的输出功率。在图2中,V2帘栅压的供给也是这样考虑的。
作者曾对图2的电路作过实验,用国产6P14代替6П18П,扬声器是用国产130毫米、200毫米扬声器两只改制成的。130毫米的扬声器音圈用0.05毫米线重新绕制,分为6层,共有440圈左右,直流电阻为220欧;200毫米扬声器用0.05毫米线绕制,分为6层,每层110圈,共660圈,直流电阻约440欧。实验的结果很满意,放音比一般推挽电路自然悦耳,交流声很弱。(苏天佑)
