这个测试仪器能测量小功率晶体管的直流放大系数。它配合着一个10伏量程的电压表(电子管电压表或万用表),可以在度盘上直接读出5到100的β值,同时还可以测出晶体管是否有断路或短路现象。

测量的原理见图1。由于一般集电极电流i\(_{c}\)甚大于基极电流ib,所以
β=\(\frac{i}{_{c}}\)ib≈i\(_{c}\)+ib;i\(_{b}\)≈
如果调节R\(_{1}\)使V1=V\(_{2}\),则β=R1R\(_{2}\)。再令R2=1千欧,则R\(_{1}\)的千欧数就直接表明β值。
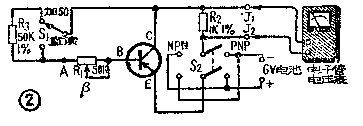
整个测试仪的电路见图2。把电位器R\(_{1}\)装在面板上,并安上旋钮。在电位器中点和左端A点间接一个欧姆表。顺时针方向转动旋钮,并在每5千欧处做一个记号,在第一个5千欧处写5,第二个5千欧处写10,第三个写15,直到50千欧画完为止。线路的其他部分可直按照图装。测量5到50的β值时,把S1掷到“直读”位置,把S\(_{2}\)掷到所需电池极性的位置,然后插上待测的晶体管,旋动R1,使接在R\(_{2}\)两端的电压表准确地指在3伏上,也就是粗略地说把6伏电池电压平均分配到R1和R\(_{2}\)两电阻上(使V1=V\(_{2}\)=3伏)。这样就可以在电位器R1的刻度上直接读出β值。测量β在50到100之间的晶体管时,应将S\(_{1}\)扳到“加50”的位置,然后调节R1,使电压表指到3伏,这时的β值即等于度盘读数加50。如果在R\(_{3}\)的位置多串几个50千欧的电阻,就可以测量更大的β值。每多加一个电阻,β的读数增加50。

如果晶体管的集电极和基极或发射极间短路,则电压表将指在6伏附近,并且变动R\(_{1}\)对电压表读数不起作用。如果基极与发射极间短路,电表将没有读数或读数很小。发射极或基极开路,将没有读数;集电极开路,则读数很小或没有读数。如果电压表读数高于3伏,变动R1虽然可以使读数变化,但不能使它降到3伏以下,则表示晶体管的β值大于50,应当把S\(_{1}\)扳到“加50”的位置。
为了保证测量的精确度,各电阻值的精确度应保证误差不超过1%。电池的电压应准确地为6伏,测量前应作检查。如果电池电压变为5.8伏,则测量时所用电表的读数可相应地从3伏变到5.82=2.9伏。(潘建中编译)