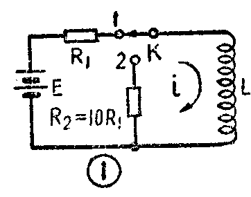
1.设图1电路中的电流已达稳定状态。现在突然把开关K从点1位置转接到点2,问在起始瞬间,R\(_{2}\)上的电压等于多少?方向如何?(工)

2.为什么交直流两用收音机的电源开关,必须接在不连收音机底盘的那根电源导线上(图2)?(礼)

3.收音机中,低频放大器的耦合电容器,用0.01微法就能使音频信号顺利通过。但有些收音机的输出变压器的初级也并联一个0.01微法的电容器,这样岂不是把音频信号旁路掉,使扬声器中没有声音了吗?(继明)

想想看
1.设图1电路中的电流已达稳定状态。现在突然把开关K从点1位置转接到点2,问在起始瞬间,R\(_{2}\)上的电压等于多少?方向如何?(工)

2.为什么交直流两用收音机的电源开关,必须接在不连收音机底盘的那根电源导线上(图2)?(礼)

3.收音机中,低频放大器的耦合电容器,用0.01微法就能使音频信号顺利通过。但有些收音机的输出变压器的初级也并联一个0.01微法的电容器,这样岂不是把音频信号旁路掉,使扬声器中没有声音了吗?(继明)
