懂得了电子管超外差式收音机的电路结构和原理以后,想进一步学习晶体管超外差式收音机的电路并不十分困难。我们只要了解一下晶体管电路的特点,再把它和电子管电路做一番对比研究,就会很容易明白了。
晶体管及其电路的一些特点

晶体管是一个三极管,拿它和电子三极管比较,它的发射极(e)相当于电子管的阴极(K),基极(b)相当于电子管的栅极(G),集电极(c)相当于电子管的屏极(P)。它们常用的基本电路也很相似。例如在图1中,电子管接成共阴极电路(图1a),与此相应的晶体管电路叫做共发射极电路(图1b)。在图1(a)中,输入信号电压加在栅极与阴极之间,输出电压加在屏极与阴极之间,以阴极作为衡量输入、输出电压的公共端点。平常说输入电压或输出电压是多少,都是指对阴极来说的。在图1(b)中,输入信号加在基极与发射极之间,输出电压加在集电极与发射极之间,它们都是以发射极作为衡量的公共端点,输入、输出电压的大小都是对发射极来说的。在电子管电路里一般加有栅负压。在晶体管电路里,基极和发射级之间也加有偏压。它是由电阻R\(_{1}\)和R2分压得到的,不过数值非常小,通常只有零点几伏;电子管屏极一般加有较高的正电压,而通常所用的PNP型晶体管集电极却是接一个较基极偏压为大的负电压,一般为几伏到十几伏。如果使用的是NPN型晶体管,那么图1(b)中电池的极性就应该倒过来。由上可知,晶体管电路和电子管电路是一一相对应的。
它们的区别是:在电子管电路里,栅极和阴极之间一般是没有电流的,在输入电路里不消耗功率,输入电阻很大,工作状态是由栅极和屏极电压来决定。而在晶体管电路里,基极和发射极之间有电流通过,需要消耗一定的功率,输入电阻比较小,它的工作状态是由基极和集电极电流值来决定。由于晶体管输入电路里要消耗一定的功率,而它的输入电阻比输出电阻要小得多,为了得到最大的功率传输,因此级间的阻抗匹配问题就非常重要了。
其次,电子管在广播频率范围内一般都能正常工作,而晶体管则不然。它受截止频率和输出功率的限制。高频晶体管截止频率高而输出功率小,低频晶体管截止频率低而输出功率较大。使用时应该严格区分,收音机的高频部分如变频、中放等级,就一定要用高频管,使用低频管往往不能正常工作。
另外,晶体管的工作状态易随温度而变化,温度增加时集电极电流将升高,加用温度补偿元件后可以减弱这种影响,图1(b)中R\(_{2}\)和Re就是起这种作用的元件。
晶体管超外差收音机电路分析
下面我们就以一般典型的晶体管超外差式收音机的电路为例,分析一下各级电路的特点和各元件的作用。

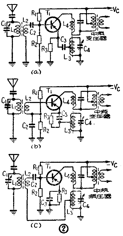
(一)变频级:变频级常用的电路如图2,它是由调谐输入回路C\(_{1}\)、L1、L\(_{2}\),本地振荡回路C4、L\(_{3}\)、L4和晶体管所组成。这同电子管单栅变频电路相似。本机振荡回路所产生的振荡频率始终保持高于输入回路所调谐的信号频率一个中频(465千赫),变频后即得到中频信号。图2(a)和(b)中,本机振荡回路L\(_{3}\)、C4接在发射极电路里,它的下端接地,与输入信号回路L\(_{2}\)串接在某极——发射极之间。对于本机振荡部分来说,基极是接地的,所以叫做共基极调发射极振荡电路。L4是反馈线圈。因为晶体管输入阻抗很低,为了减少它对振荡回路并联的影响,所以发射极是接在振荡回路L\(_{3}\)的抽头上。在图2(c)中发射极是接地的,本机振荡回路接在基极电路里,因此叫做共发射极调基极振荡电路,和电子管调栅振荡电路相似。R1、R\(_{2}\)是一个分压器,供给基极固定的偏压。C2、C\(_{3}\)是作隔直流和偶合用的。R3是发射极接地电阻,起稳定晶体管工作点的作用。输入调谐回路装在天线回路里,通过L\(_{1}\)、L2变换阻抗后,使与晶体管输入阻抗相匹配。收听本地电台时可以不用外接天线。

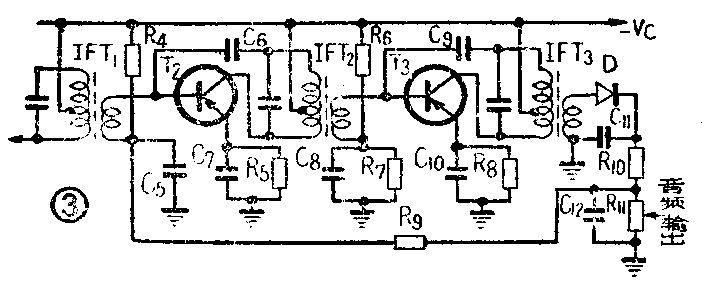
(二)中频放大级:和电子管超外差式收音机一样,它是一个频率固定为中频的频带放大器。为了使接收信号在检波前获得一定的电平,一般晶体管超外差机都是采用两级中频放大,常用的电路如图3。它和电子管收音机中放电路不同之处,第一是要考虑级间匹配的问题,因为晶体管的输出阻抗比电子管低,所以中频变压器的初级是由抽头接到电源,另外,为了和次级较低的输入阻抗相匹配,次级圈数很少,并且是采用不调谐的回路。其次是晶体管集电极和基极的极间电容比较大,作高频式中频放大时通过极间电容的反馈,会产生寄生振荡。为了使中频放大器正常地工作,需要在外电路中加一个中和电容器,即用一个和集电极相位相反的电流输入基极,以抵消极间电容产生的正反馈作用。图中C\(_{6}\)、C9就是中和电容器,它的数值约从几微微法到几十微微法。
在第一级中放里还加有自动增益控制电路。检波后的电流经过C\(_{11}\)、R10、 C\(_{12}\)和R9、C\(_{5}\)滤去交流成分后加到第一中放管T2的基极,由于为个电流和晶体管基极偏流的方向相反,使基极偏流减小。信号越强,检波后的直流电流越大,基极偏流减小得越多,中放的增益越低,这就起了自动增益控制的作用。R\(_{6}\)、R7,R\(_{4}\)、R9和R\(_{11}\)都是分压电阻,分别供给二只中放管的偏流;R5、R\(_{8}\)是发射极接地电阻,是稳定工作点用的。C7、C\(_{8}\)、C10都是旁路电容器。

(三)检波和低放级:电路如图4。从最后一只中频变压器IFT\(_{3}\)输出的中频电压,经二极管进行检波,检波电路和电子管收音机完全相同。滤波器C11、R\(_{1}\)0、C12滤去检波后的高频成分,在R\(_{11}\)上取得音频电压,通过偶合电容器C13送至低放管T\(_{4}\)基极。检波级和低放级之间是用阻容偶合,R11兼作音量控制电位器。低放级电路就是一般的晶体管放大电路,没有什么特殊的地方。低放级和推挽输出级间为了阻抗匹配及完成倒相作用都是采用变压器偶合电路,这只变压器通常叫作输入变压器,次级有中心抽头。C\(_{15}\)作旁路高频用。

(四)输出级:这是收音机的最后一级,从这里获得推动扬声器所必需的功率。由于一般晶体管的输出功率都很小,就要采用乙类推挽电路。这一方面可以增加输出功率;另一方面,在无信号时消耗电流很小,能够节省电池提高效率。这一点是非常重要的。因此几乎所有的超外差晶体管收音机功率放大级都采用推挽电路(图5)。它与电子管的推挽电路是完全相同的。R\(_{15}\)、R16是供给两管固定基极偏压的分压电阻,R\(_{17}\)是发射极接地电阻,它和R16一起构成基极和发射极之间的直流通路。为了不在它们上面消耗过多的信号功率,它们的数值都是很小的。R\(_{17}\)通常只有几欧到十几欧,R16也只有几十欧到几百欧。两管的集电极由输出变压器的中心抽头供电,最后的输出信号由扬声器放出。

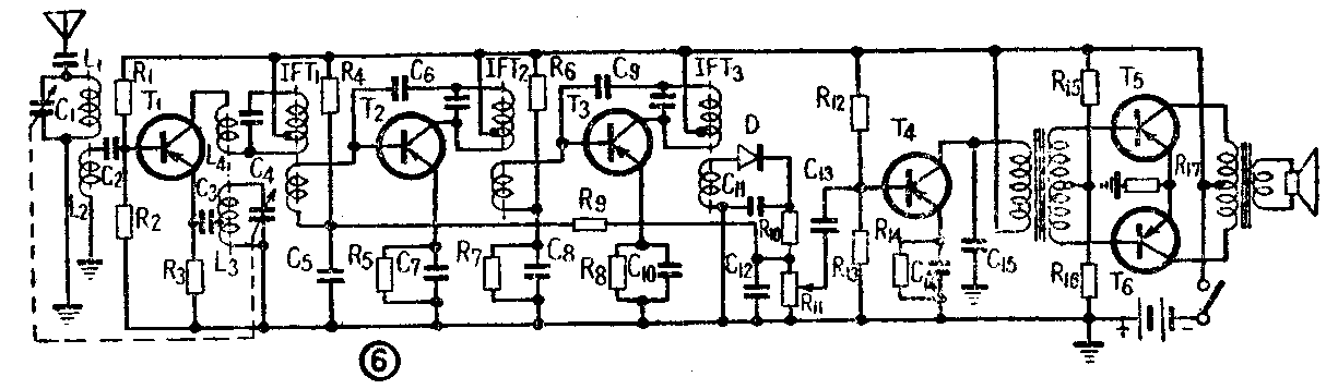
将上面各部分电路综合起来,就是一部完整的晶体管超外差式收音机电路了(图6)。(谭仕匡)