近来,在实验中利用高频电波照射农作物,对缩短农作物的成熟期,提高产量,取得了一定的成效。这里介绍一种电子仪器,可用来进行这种实验。它的构造和工作原理都较简单。用一个振荡器产生高频电波,而振荡器的线圈即作为辐射器。把辐射器对着农作物,高频电波即对农作物起刺激生长的作用。
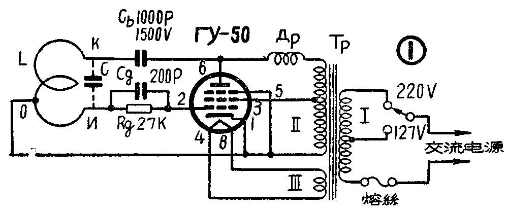
这个仪器的电路如图1所示。可以看出,这是一个并联馈电式的哈特莱振荡电路,振荡回路由线圈L和杂散电容C组成。由于对输出波形没有严格要求,所以可直接应用交流电源,不经过整流,以简化电路。

线圈L用直径2.5毫米的漆包线绕制。线圈直径为190毫米,绕1.8匝,匝间距离为15毫米。在1/3线匝处抽头(即在0.6匝处接一抽头),作为图1中的O点,接至电子管阴极。这个线圈也就是辐射器,它的外形如图2所示。

高频扼流圈Д\(_{p}\)用在直径0.2毫米的漆包线绕在直径为18毫米、高65毫米的线圈管上,匝数为23匝。
电源变压器T\(_{p}\)的铁心用Ш-32型硅钢片叠成,叠厚45毫米。初级绕组(Ⅰ)用直径0.5毫米的漆包线绕725匝,在410匝处抽头。次级绕组(Ⅱ)用直径0.2毫米的漆包线绕850+850匝。灯丝线组(Ⅲ)用直径0.9毫米的漆包线绕44匝,这样可得到12.6伏的灯丝电压,适合作ГУ-50型电子管的灯丝电源。如果采用807、6П13С、6П3С型号的电子管,则灯丝绕组(Ⅲ)只需绕22匝,供给6.3伏的灯丝电压。一般功率不小于60瓦的收音机电源变压器也可应用。在这种情况下,如果需要12.6伏的灯丝电压,可把变压器的供整流管灯丝用的绕组和另一灯丝绕组串联起来。
振荡器的所有元件,除线圈L外,都安装在一个铝制圆筒内(见图2),圆筒直径是200~220毫米。筒盖用夹布胶水板或胶合木板等绝缘材料制成,在筒盖上安装线圈L,作为辐射器。安装时应考虑布线要尽可能短一些,并且应采用直径2毫米的漆包铜线或镀银铜线作连接线。
安装好以后,应检查接线是否正确。如果接线正确无误,才可插上电源。接通电源2分钟后,即可检查振荡器是否正常工作。检查时,用一根导线将一个灯泡(白炽灯、氖灯、稳压管或闸流管都可以)的两个电极连接起来,然后拿到辐射器附近,如果灯泡发光,即表示有高频电波辐射。
用ГУ50型电子管,可得到约10瓦的辐射功率,照射面积可达2~4平方米。辐射器应靠近被照射的农作物放置。
植物的生长速度与照射的电波频率有关。因此,可以作几个匝数不同的辐射器,例如1匝、2匝、3匝等等,分别实验,以求得一个效果最好的频率。注意在采用不同匝数的线圈L时,都应从1/3匝数处抽头接到电子管阴极。(方文、荫华据苏联“少年自然科学家”1962年第8期编译)