1.五灯机中所用小功率整流器,都带有π型滤波器。当收音机中其他电子管都未插入时,整流器没有负载,只是在输出端接有一个滤波电容器。当整流器是以纯电容作为它的负载时,整流后的直流便对电容器充电,而电容器却没有放电通路。这时,电容器将充电到等于交流电压的振幅值(即最大值)。用三用表量得的交流电压240伏是有效值,因此滤波电容端的直流电压将等于\(\sqrt{2}\)×240≈320伏。
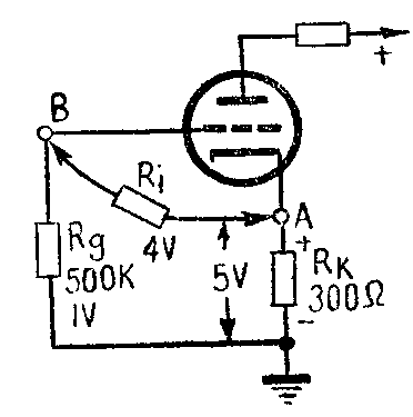
2.由于电子管工作在负栅压状态,基本上没有栅流,所以B点对地电位为零,用万用表测得的B点电压也是零。当用电表测量A点对地电压时,由于电表的内阻R\(_{i}\)甚大于Rk,所以接上电表后不致显著影响电路的状态,量得的电压5伏就是R\(_{k}\)上的实有电压,即电子管的实际负栅压。但是当用万用表测量AB两点的电压时,就把电表的内阻Ri接到AB两点间(见图),改变了电路的工作状态。这时,R\(_{i}\)和Rg构成了一个分压器,R\(_{k}\)上的5伏电压分别降落在Ri和R\(_{g}\)上,测得的电压只有Rk上电压的一部分,即4伏了。这时B点对地的电压为5-4=1伏。由此可见,\(\frac{R}{_{i}}\)Rg=4/1,R\(_{i}\)=4Rg=4×500千欧=2兆欧。

3.原设计电子管6A2与6K4帘栅极用一个电阻R降压。现在6K4不工作,没有帘栅电流,所以流过R的电流减小,R上的电压降减小,而6A2的帘栅电压增高,甚至超过最高额定值(125伏),于是这个管子就严重发热了。