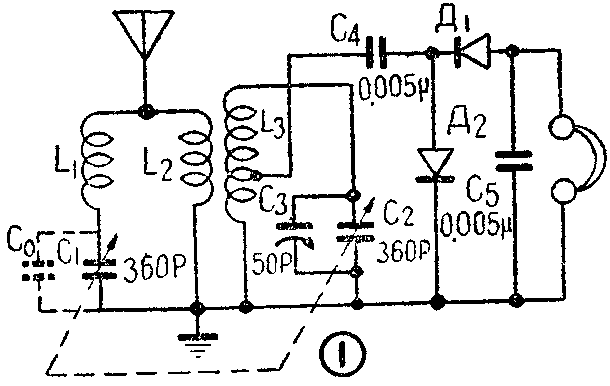
该机线路见图1。高频信号由天线进入L\(_{1}\)、L2和C\(_{1}\)组成的调谐回路,选出需要的信号;通过L2、L\(_{3}\)的电感耦合送入L3、C\(_{2}\)、C3组成的第二个调谐回路;然后经过电容器C\(_{4}\)加到两个晶体二极管Д1、Д\(_{2}\)上作倍压检波;检出的音频信号通过耳机变成声音。

本机的特点是:1.天线回路是调谐的,因而选择性比普通的双回路矿石机高;2.采用倍压检波,可以提高灵敏度;3.天线中有L\(_{1}\)、C1组成的陷波电路,可以消除不需要收听的相邻电台干扰,改善了选择性。
从图1可看出,制作本机很重要的一点是要使两个调谐回路能够同步,即当双连电容器转到一个电台的位置上时,两个回路都对这个电台的频率谐振。为此首先要求两个回路的电感量相等,即L\(_{1}\)+L2=L\(_{3}\);另外在第一个回路内由于连接天线,有较大的分布电容C0存在,使整个回路的电容增大,因此必须在第二个回路的C\(_{2}\)上并联一个适当的电容器C3来补偿其不足,使C\(_{0}\)+C1=C\(_{3}\)+C2。
其次要注意的是L\(_{1}\)与L2的比例,这对选择性有很大影响。例如,收听频率为f\(_{1}\)的电台时,希望消除比f1高的f\(_{2}\)电台干扰,这时L1和L\(_{2}\)应有的比例可以这样计算:为了收听频率为f1的电台,要将回路调谐到f\(_{1}\),化成公式则是:

已知要收听的电台频率f\(_{1}\)和要消除的干扰电台频率f2,就可以按照上式算出L\(_{1}\)和L2的比例。例如,在收听820千赫电台时,为了避免受1000千赫电台干扰,根据上式可算出L\(_{1}\)=2L2。
知道了两线圈的电感和比例以及所用可变电容器的电容量,就可以参考计算线圈的资料算出线圈的绕制数据。这里举出几个实际制作数据(见附表),作为参考。

下面再谈谈本机的调整方法。

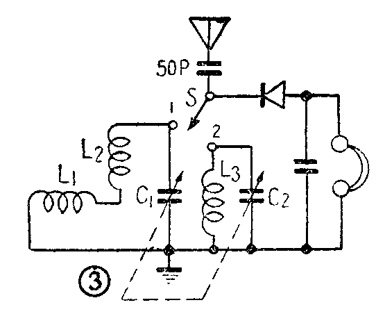
1.L\(_{1}\)与L2的比例的调整。将L\(_{1}\)、L2,以及其它零件接成图2临时电路。L\(_{1}\)与L2应相互垂直地放置,并尽可能分开。先将S拨到“2”,转动电容器C\(_{1}\),使正好调谐到希望消除的干扰电台,即调到耳机里这个电台声音最大为止。然后将S拨到“1”,若这时正好听到希望收听的电台,而且声音最大,则L1与L\(_{2}\)的比例合适。若这时希望收听的电台声音不是最响,可适当增减L2的圈数到合适为止。

2.线圈L\(_{3}\)的调整。按图3接成另一临时线路。应注意三个线圈都不应有耦合。线路接好后,先将S拨到“1”,转动C1,把回路(L\(_{1}\)、L2、C\(_{1}\))调到任一电台;再将S拨到“2”,若听到的正好是刚才调到的这个电台;那么L3的大小合适。若不太响,则应适当增减它的圈数,到最响为止。
线圈L\(_{3}\)的抽头位置与灵敏度和选择性也有关系,可试验确定最合适的位置。线圈调整合适以后,按照图4电路安装起来。L2和L\(_{3}\)套在一个纸筒上,L2和L\(_{3}\)之间的距离为2.0厘米。C3最大容量为50微微法左右即可。

安装好以后,将S\(_{1}\)拨到“1”,S2打开,转动双连电容器,调到一个频率比较高(例如1350千赫)的电台上,然后将S\(_{1}\)拨到“2”,合上S2,慢慢地调整C\(_{3}\),使耳机里听到刚才调到的电台,而且最响。将接线固定。再适当移动L2,改变L\(_{2}\)与L3之间的距离,到一个合适的位置(大约1.8~2.0厘米),将两线圈固定,就可以收听了。
本机的灵敏度和选择性都比较好。在北京郊区收听,用一根约3米长的绝缘线绕在电灯线外面几圈作天线,接上地线,可以收听到中央台的一、二、三台和北京台的820千赫等几种节目的广播。若加上长的室外天线,效果更好,不过改接长天线时,要重调C\(_{3}\)。(林)