在现代的电子计算机和自动装置中,广泛地应用各种逻辑电路。其中有三种最简单的基本逻辑电路——“或”电路、“与”电路、“非”电路。把它们按不同的方式组合起来,就能完成各种简单的或复杂的操作。
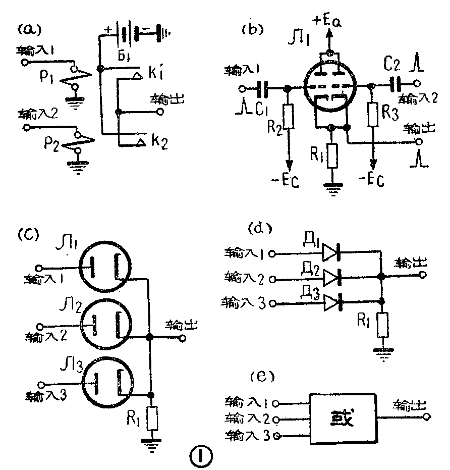
“或”电路
逻辑术语“或”,表示在几个条件中只要有一个条件实现,就会出现某一结果。例如:“如果我买到票(条件1),或朋友请我(条件2),我就去看电影(结果)。”与此相应,能完成逻辑操作“或”的电路应有好几个输入端和一个输出端。当在“或”电路的任一输入端加上信号时,在它的输出端便有信号出现。和“或”电路各输入端相接的电路之间,并不相互耦合。

图1a中示出用两个电磁继电器P\(_{1}\)和P2组成的“或”电路。P\(_{1}\)和P2的线圈分别接到两个输入端。当任一线圈中加有输入信号时,接点K′\(_{1}\)或K′2就闭合,在输出端便有信号出现(接通电池Б\(_{1}\)的电压)。如果两个信号同时加至两个输入端,那么电池Б1的电压将通过接点K′\(_{1}\)和K′2而到达输出端。因为输入信号加在两个不同继电器的线圈上,所以两输入电路间没有耦合。当需要具有三个或更多输入端的“或”电路时,所用继电器的数目应等于所需输入端的数目,而把所有继电器的接点并联起来。
图1b是用双三极管装成的“或”电路。左右两个三极管分别接成阴极输出器,R\(_{1}\)是它们的公共负载电阻,两个栅极作为两个独立的输入端。只要正脉冲加在其中一个输入端上,在“或”电路的输出端上便有电压脉冲输出。当两个输入端上都没有信号输入时,左、右两个三极管都被控制栅极上的负偏压—Ec所截止。
图1c和d分别绘出用真空二极管和晶体二极管装成的“或”电路。当在“或”电路的任一输入端送入一个正电压时,与该输入端相接的二极管便导电,在负载电阻R\(_{1}\)上便输出一个正电压。
“或”电路的代表符号如图1e所示。
“与”电路
逻辑术语“与”,表示只有当几个条件都具备时,才能出现某一结果。例如:“如果我有时间(条件1),而天气又好(与天气好,条件2),我就去公园(结果)。与此相应,能完成逻辑操作“与”的电路有几个输入端和一个输出端。当所有的输入端上同时加有信号时,“与”电路的输出端便有信号输出。

图2a示出用两个电磁继电器装成的“与”电路。当继电器的线圈中没有电流流过时,接点是断开的。由于继电器接成串联,所以只有当两个继电器同时动作时,才有电压输出。
图2b是用五极管接成的“与”电路。五极管的第一和第三栅极上分别加有负偏压E′\(_{c}\) 和E"c,它们都足以使电子管完全截止。因此,如果在其中一个栅极加上正脉冲,那么电子管仍旧截止,没有信号输出。如果在两个栅极上同时加上正脉冲,电子管才导电,“与”电路便有电压脉冲输出。
图2c所示是用两个三极管接成的“与”电路。两个三极管以R\(_{3}\)为公共屏极负载。在两个三极管的阴极上加有直流负偏压Ec,于是当两个三极管的输入端都没有信号时,两个三极管都导电。电阻R\(_{3}\)和接在点А、Б之间的两个并联三极管组成一个分压器,而R3的阻值比三极管导电时的电阻大许多倍。因此,当两个三极管都导电,或一个导电、一个截止时,А点的电压都是很低的。但是当在两个输入端同时加上负脉冲时,两个三极管都截止,АБ两点间的电阻大大增加,于是“与”电路输出端上的电压突然增高到接近于屏极电源电压,也就是在输出端上出现了正信号。
用晶体二极管装成的“与”电路(图2d),其工作原理和图2c电路基本上相同。当两个输入端上都没有加信号时,电源电压对晶体二极管Д\(_{1}\)和Д2来说是正向电压,因此Д\(_{1}\)和Д2都导电。由于电阻R\(_{2}\)和R3选择得比电阻R\(_{1}\)小得多,所以流过Д1和Д\(_{2}\)的电流在电阻R2和R\(_{3}\)上造成的电压降很小,“与”电路的输出电压也就很小。
当数值等于电源电压的正信号同时加在两个输入端上时,二极管Д\(_{1}\)和Д2截止,R\(_{1}\)中没有电流流过,其上也就没有电压降,因此输出电压等于电源电压,即在输出端上出现正信号。如果只有一个正信号加在其中一个输入端上,那么相应的二极管便截止。但是,因为另一个二极管是导电的,A点和B点之间的电阻仍很小,结果仍没有输出电压。
“与”电路的代表符号如图2e所示。
“非”电路
逻辑术语“非”,表示如果某一条件A实现,就不会出现某一结果B;而如果条件A不实现,就会出现结果B。例如:“如果下雨,我就不去公园;如果不下雨,我就去”。与此相应,能实现逻辑操作“非”的电路有一个输入端和一个输出端。当“非”电路的输入端加上信号时,输出端便没有信号输出;相反的,不加信号时,却有信号输出。因此,这种电路好象把信号的相位改变180°,即输入端加上正信号时,输出端便是负信号。

非元件的原理图如图3a和b所示,而它的符号如图3c所示。用电磁继电器装成的“非”电路(图3a),是使用静合接点的继电器。继电器的接点与电源的正极相接,因此当输入端没有信号送入时,接点接通,输出端便输出正电压。相反地,当输入端有信号输入时,电流流过继电器的线圈,接点断开,输出端便没有信号输出。用电子管构成的“非”电路(图3b)的工作情况如下。当输入端上没有信号时,三极管被控制栅极上的负偏压E\(_{c}\)截止,电阻R1中没有屏流流过,电子管的屏压等于电源电压,即“非”元件的输出端有正信号输出。如果在三极管的栅极上加上正信号,三极管便导电,屏流流过电阻R\(_{1}\)而产生电压降,于是屏压大大降低,结果输出端便没有正信号。
自动分拣纱管
下面介绍几个应用逻辑电路的几个例子。

纺织厂中需要将纱绕在空的纱管上。如果纱管上还有剩余的纱,那么就应该送到专门的机器上把剩余的纱去掉。为了自动地区分“空”纱管和“不空”纱管,可以使用由一个光源和两个光电管ΦC\(_{1}\)和ΦC2构成的设备(图4a)。当光电管ΦC\(_{2}\)和光源之间没有纱管时,光线照在ΦC2上,ΦC\(_{2}\)便有电压输出。当ΦC2和光源间有纱管时,光线被纱管挡住,光电管ΦC\(_{2}\)输出端上的电压下降到零。“空”纱管的表面很光洁,能很好地反射光线,而“不空”纱管则使射在其上的光线散射。光电管ΦC1放在反射光照不到的地方。因此,当“空”纱管进入光源和ΦC\(_{2}\)之间时,ΦC1没有电压输出。相反的,当“不空”纱管到达时,其上散射的光线照在ΦC\(_{1}\)上,在ΦC1的输出端上便有电压输出。因此,当光电管ΦC\(_{2}\)没有输出电压,ΦC1有输出电压时,表示纱管是“不空的”,分拣员应把纱管送至去纱机;而当ΦC\(_{2}\)没有输出电压,ΦC1也没有输出电压时,则表示纱管是“空”的,应把纱管送至绕纱机。
如果使用图4a和b所示的逻辑电路,就可以实现自动分拣。在光电管ΦC\(_{的}\)输出端接有“非”电路,所以当纱管进入光源和ΦC2之间时,ΦC\(_{2}\)没有电压输出,“非”电路则有电压输出。如果纱管是空的,那么ΦC1没有电压输出,结果“与”电路就没有输出信号。如果纱管不是“空”的,ΦC\(_{1}\)就有电压输出,“与”电路的两个输入端上同时加有信号,结果便有信号输出。这个输出信号可以用来控制一个执行装置,自动地把“不空的”纱管挑出来送到去纱机中。
电子计算机中的加法电路

用逻辑电路组成的二进制一位加法器电路如图5所示。读者不难自行验证,当两个输入端都无信号时(即都为0时),“和数”端和“进位”端都无信号输出(0+0=00)。当两个输入端有一个有信号(即为1)时,“和数”端有信号,“进位”端无信号(1+0=01)。当两个输入端都有信号时(都为1时),“和数”端无信号,“进位”端有信号(1+1=10)。因此这个电路可以完成二进制的一位加法运算。利用许多这样的基本加法电路,就可以构成多位数加法器。
货车自动编组
设有装载泥炭、矿石、沙子和薄板的四种货车。装泥炭和装簿板的货车重量几乎相等,装沙子和矿石的货车的重量也相等,但比前者重得多。泥炭和矿石对光线的散射很弱,而薄板和沙于则使光线产生强烈的散射。因此,把一辆货车作用于重量传感器时,如果货车装的是泥炭或薄板,那么传感器输出的信号很弱,如果装的是矿石或沙子,传感器输出的信号便很强。这时可以认为:在前一情况下没有信号输出,而在后一情况下则有信号输出。与此同时,使货车从散射强度传感器旁边通过,如果车中装的是沙子或薄板,传感器便有信号输出,如果装的是泥炭或矿石,传感器便没有信号输出。现在把两种传感器对不同货车的反应情况列成下表。

由表中可以看出,对装有不同货物的车辆,两种传感器的输出信号具有不同的组合,根据这点就可以利用图6的逻辑电路将车辆自动编组。重量传感器的输出信号加在输入\(_{1}\),散射强度传感器的输出信号加在输入2。读者不难验证,当两个输入端都没有信号时,“与\(_{1}\)”电路有信号输出,所以Ⅰ端有信号表明货车装的是泥炭。输入1有信号而输入\(_{2}\)没有信号时,“与2”电路有信号输出,所以Ⅱ端有信号表明是矿石。输入\(_{1}\)没有信号而输入2有信号时,“与\(_{3}\)”电路有信号输出,所以Ⅲ端有信号表明是薄板。当两个输入端都有信号时,“与4”电路有信号输出,所以Ⅳ端有信号表明车中装的是沙子。根据Ⅰ、Ⅱ、Ⅲ、Ⅳ各端输出的信号来控制车辆的运行,就可以自动地按照车辆所装货物进行编组。

上面只是几个应用基本逻辑电路的例子。无线电爱好者掌握了“或”“与”“非”电路的基本原理以后,就可以根据需要,利用它们来组成能使某种过程自动化的逻辑电路。(朱邦俊根据苏联“无线电”编译)