各种不同频率的无线电台所发出的无线电波,当它们接触到收音机的天线时,都会在天线中感应出交变电流。因此,收音机必须具有挑选电台的能力,否则,扬声器或耳机里将同时发出所有电台的播音,混在一起,结果什么也听不清楚。用甚么办法来挑选电台呢?原来收音机中有许多由电感线圈和电容器所组成的振荡回路,这些振荡回路具有一个奇妙的特性——谐振,收音机就是利用振荡回路的谐振特性来选择电台的。在这篇文章里,我们就来简单谈谈有关谐振的一些知识。
强迫振荡和谐振
如果把一个简单的摆(见图1)从它的静止位置O移到A点,然后一松手,摆就会来回摆动。由于这种摆动是在没有外力的作用下进行的,因此叫自由振荡。它的频率就等于摆的固有频率。但是如果我们一直用手周期性地推动摆,那么摆就不能“自由”地摆动,而只能随着外加的推动力来摆动。这时摆的振荡频率就决定于手的推动频率:我们每分钟推动十次,摆就每分钟摆动十次。摆在外力的作用(手的推动)下进行的摆动,就叫作强迫振荡。十分明显、强迫振荡和自由振荡是不同的,强迫振荡的频率和固有频率无关,而完全决定于外力的频率。

强迫振荡的幅度不但决定于外力的大小,而且和外力的频率有很大的关系。在外力大小不变的情况下,当它的频率和摆的固有频率相同时,所引起的强迫振荡幅度最大。反之,当频率不相同时,所引起的强迫振荡就很小。外力的频率和固有频率相同时,强迫振荡幅度最大这一现象就叫作谐振。
谐振是一种很常见的现象。例如,我们把发声频率相同的两个音叉并排地放在一起。敲击其中的一个音叉时,周围的空气就会随着音叉的振动频率而振动,这振动的力量虽然很小,但是由于它的频率和另一音叉的固有频率相同,所以能使另一音叉振动发出声音来。又如我们在荡秋千时,也可以体会到,只有当两脚用力得当,和秋千的固有频率“合拍”时,秋千才会越荡越高。

如果我们在LC振荡回路里串接了一个频率力f的交流电源e(图2),那么,回路里就只能有频率为f的交流电流i流过。也就是说,回路中发生了强迫振荡。这个振荡的频率等于外加电源的频率f,而不等于回路的固有频率f\(_{0}\)。和机械振荡时相似,当外加交流电源的频率f=f0时,流过回路的电流i最大而发生了谐振。
振荡电路的谐振有两种情况,一种是串联谐振,一种是并联谐振。下面我们分别来谈谈这两种情况。
串联谐振

在图2的电路中,电感L、电容器C和外加交流电源e是相串联的。在这种串联电路中产生的谐振,就叫做串联谐振。为了便于分析,我们把图2的电路改画为图3a的形式。这时流过L和C的电流是同一个电流i,但是L和C两端的电压u\(_{L}\)和uC可并不一样。U\(_{L}\)比i超前90℃,如图3b中虚线所示;而uC则比i落后90℃,如图中点判线所示(参考本期谈相位一文)。这样,u\(_{C}\)和uL的变化正好是相反的。u\(_{L}\)为正时,uC正好为负。因此,这两个电压在电路中是互相抵消的。

我们知道,电容器两端的电压U\(_{C}\)=XCI(在这里和以后都用大写字母U、I等代表电压、电流的幅度值),其中X\(_{C}\)=\(\frac{1}{2πfC}\),是电容器的电抗。频率f越高,XC越小(参看图4)。电感线圈两端的电压U\(_{L}\)=XLI,其中X\(_{L}\)=2πfL,是电感线圈的电抗,f愈高,XL愈大。从图4可以清楚地看到,在某一频率f\(_{0}\)时,XC=X\(_{L}\),因而UC=U\(_{L}\),也就是说uC和u\(_{L}\)大小相等,方向相反,它们在电路中就完全抵消了。这时ab两点间的总电压uab等于零,这说明ab两点间对电流i毫无阻抗(阻抗Z=U\(_{ab}\);I=0I=0),因此电流i达到极大的幅度(在回路中没有电阻的理想情况下,可以达到无穷大),这就是发生了谐振。谐振时,XC=X\(_{L}\),
即\(\frac{1}{2πf}\)\(_{0}\)C=2πf0L,
所以可以求得f\(_{0}\)=\(\frac{1}{2π}\)\(\sqrt{LC}\),
可见这个谐振频率正好等于振荡回路的固有频率。

当外加电源频率f小于f\(_{0}\)时,由图4可见,XC大于X\(_{L}\),uC大于u\(_{L}\)。这样,uC抵消了u\(_{L}\)以后还有余,ab两点间的总电压等于(uC-u\(_{L}\)),和uC同方向,而整个振荡回路表现为容抗(X\(_{C}\)-XL)。f和f\(_{0}\)相差越大,(XC-X\(_{L}\))就越大,所以回路中的电流就越小。与此相似,当外加电源频率f大于f0时,X\(_{L}\)大于XC,u\(_{L}\)大于uC,ab两点间的总电压等于(u\(_{L}\)-uC),整个振荡回路表现为感抗(X\(_{L}\)-XC)。f比f\(_{0}\)大得越多,(XL-X\(_{C}\))就越大,回路中的电流就越小。由此可以得到回路电流的幅度I随外加电压频率f而变化的曲线,如图5中曲线1所示。这个曲线称为谐振曲线。
在实际的振荡回路中,总有一定的电阻R(如线圈本身的欧姆电阻,电容器的损耗电阻等),因此在发生谐振时,虽然容抗X\(_{C}\)和感抗XL相互抵消,但回路总阻抗仍然不等于零,而是等于R;回路谐振跑流的幅度I\(_{0}\)不能达到无穷大,而是等于E/R。因此实际振荡回路的谐振曲线如图5中的曲线2所示。
振荡回路可以用它谐振时的感抗2πf\(_{0}\)L(或容抗\(\frac{1}{2πf}\)0C对电阻R的比值来说明它的特性。这个比值叫作振荡回路的品质因数或Q值;
Q=2πf\(_{0}\)LR
=\(\frac{1}{2πf}\)\(_{0}\)CR。
R越大,Q值就越小。在良好的振荡回路中,Q值大于100。
Q对回路的谐振特性有很大的影响。回路的Q值越大,它的谐振曲线的形状就越尖锐越高,如图6所示。
串联谐振时,由于回路中的电流I\(_{0}\)很大,因此L和C两端间的电压UL和U\(_{C}\)也很大:
U\(_{C}\)≈UL=I\(_{0}\)×2πf0L
=\(\frac{E}{R}\)×2πf\(_{0}\)L=QE。
从这里可以看到,串联谐振时L和C两端的电压是外加电压的Q倍。因此在Q值很高的情况下,它们就会大大超过外加电压,仿佛回路把电压“放大”了似的。由于串联谐振具有这样的特点,所以又叫作电压谐振。

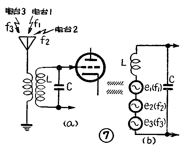
利用串联谐振现象可以选择电台。图7a是大家所熟悉的收音机输入电路。每个电台发出的无线电波接触到天线时,都在天线回路中产生一个高频交变电流,这个电流流过输入变压器的初级线圈,在次级线圈里感应出一个高频电压。这样,图中所示的不同频率的三个电台分别在次级回路中产生频率为f\(_{1}\)、f2和f\(_{3}\)的高频电压e1,e\(_{2}\)和e3(图7b)。但是只有当电压的频率f和f\(_{0}\)相同时才会在回路中产生很大的电流。因此,只要改变回路的L和C,使回路的固有频率f0=1/2π\(\sqrt{LC}\)等于我们所要听的电台的频率,比如说f\(_{1}\),那么这时e1就会在回路中产生很大的电流,而电子管的栅极上就得到一个大小为QE、频率为f\(_{1}\)的高频电压(就是回路电容C两端的电压)。与此同时,由于f2、f\(_{3}\)不等于f0,e\(_{2}\)、e3在回路中产生的电流很小,电子管栅极上频率为f\(_{2}\)、f3的高频电压也就很小。这样,利用串联谐振的这种特性,回路就把电台1挑选出来,收音机的扬声器里就只能发出电台1的播音。
调节回路的L或C,使回路和外来信号发生谐振的这一步骤,就是大家所熟悉的所谓“调谐”。
并联谐振

并联谐振回路如图8a中所示。这里,外加电源e是和L、C并联。
由图中可见,这时L和C两端的电压是相同的,u\(_{L}\)=uC=e,不过流过L和C的电流并不一样。我们知道,流过L的电流i\(_{L}\)在相位上比e落后90°,如图8b中虚线所示。流过C的电流iC在相位上比e超前90°,如同一图中点划线所示。从这里我们可以清楚地看到,不论在任何一个时刻,i\(_{L}\)和iC的方向总是相反的。如果i\(_{L}\)是正的,由a端流向b端,那么iC就是负的,由b端流向a端,而流入回路的总电流i是i\(_{L}\)和iC的和。由于i\(_{L}\)和iC的方向恰好相反,因此它们在电路中有相互抵消的趋势。
当外加电源的频率f等于固有频率f\(_{0}\)=\(\frac{1}{2π}\)\(\sqrt{LC}\)时,就发生并联谐振,这时由于f=f0时,X\(_{L}\)=XC,因此I\(_{L}\)=E;XL和I\(_{C}\)=\(\frac{E}{X}\)C相等,也就是说,i\(_{L}\)和iC大小相等,方向相反,它们就完全相互抵消了。这样一来,尽管ab两端间加着一个交流电源e,但是流过ab的总电流i却等于零。这说明f=f\(_{0}\)时,ab两端间的回路阻抗ZK等于无穷大。在其他的频率时,由于XL和X\(_{C}\)不相等,iC和i\(_{L}\)不能完全抵消,i不等于零,而回路阻抗是比较小的。当f小于f0时,X\(_{L}\)比XC小,因而i\(_{L}\)比iC大,这样i\(_{L}\)抵消了iC后还有余,总电流i和i\(_{L}\)同方向而落后于e90°,因此这时的回路阻抗是个感抗。而且f越小,这个感抗就越小,总电流i就越大。与此相反,当f大于f0时,X\(_{C}\)比XL小,因而i\(_{C}\)比iL大,i\(_{C}\)抵消了全部iL后还有余。总电流i和i\(_{C}\)同方向而超前于e90°,这时的回路阻抗是个容抗。而且f越大,这个容抗就越小,总电流i就越大。

上面所谈的是理想情况。实际上由于回路里总有一定的电阻R(如图9),要消耗一定的能量,因此并联谐振时的回路阻抗并不等于无穷大,而不过是一个相当大的电阻。通过计算可以求得这个电阻值等于L/CR。同时,谐振时的总电流不是等于零,而是等于E/\(\frac{L}{CR}\)=I\(_{0}\)。考虑了R以后,回路阻抗ZK、总电流I和f的关系如图10中的曲线所示,这条曲线就是并联谐振曲线。

并联谐振回路同样用Q值来说明它的特性。和串联谐振回路一样,Q值是谐振时的感抗(或容抗)和电阻R的比值,即
Q=2πf\(_{0}\)LR=1;2πf0CR。
当电路发生并联谐振时,
I\(_{C}\)≈IL=\(\frac{E}{2πf}\)\(_{0}\)L=I0L/CR;2πf\(_{0}\)L=QI0。
这就是说,谐振时i\(_{C}\)和iL是i\(_{0}\)的Q倍,因此如果回路的Q值很高,iC和i\(_{L}\)就会比i0大得多。由于并联谐振具有这样的特点,因此它又叫作电流谐振。
从上面的介绍中,我们看到并联谐振和串联谐振之间有相同的地方,也有不同的地方,为了更好地了解它们,在表1中对它们作了一个比较。

尽管并联谐振和串联谐振时的特性不一样,但同样可以用来选择电台。收音机里的高频放大器(如图11中所示)正是以并联谐振回路的谐振特性为基础的。在高频放大器中,接在电子管屏极电路中的谐振回路是和交流电源(电子管)并联的。放大器的栅极上加着要放大的交变电压,放大了的输出电压则从并联谐振回路两端取得,其大小为I\(_{a}\)ZK。由于高频放大器中一般采用五极管,内阻R\(_{i}\)很大,要比ZK大得多,所以屏流i\(_{a}\)的大小主要决定于电子管的内阻Ri,而基本上和Z\(_{K}\)的大小没有关系。因此,ZK越大时,输出电压就越大。这样一来,如果我们要从输入电压中挑选出频率为f\(_{1}\)的信号,就可以改变回路的L或C,使它的固有频率f0等于f\(_{1}\)。这时,对于频率为f1的信号,回路就发生并联谐振,回路阻抗Z\(_{K}\)最大,因而输出电压很大。对于输入端其他频率的信号来说,ZK要比谐振时小得多,因而输出电压就很小。这样,就把频率为f\(_{1}\)的信号挑选出来了。

回路的通频带
从上面的介绍中可以知道,由于回路的谐振特性,无论对串联谐振回路也好,对并联谐振回路也好,只有频率在f\(_{0}\)两侧的一个频带内的信号,才能被回路挑出来而能良好地通过,这个频带就叫做回路的通频带。通频带一般是以回路电流I(或回路电压)减小到谐振值I0的0.7倍为标准的。例如图12中由f\(_{1}\)到f2之间的频带就是回路的通频带。
通频带说明了回路选择性的好坏。它的宽度△f和谐振曲线的形状有很大关系。如果回路的Q值越高,谐振曲线就越尖锐,通频带就越窄,回路选择电台的能力就越强。通过计算可以证明:通频带的宽度△f和f\(_{0}\)、Q之间有一个简单的关系:
△f=f\(_{0}\)/Q。
这就是说,回路的Q越高,通频带就越窄。(莫愁)