收音机由于用的零件不合适,或装配不当、零件损坏等原因,可能出现一种嗡嗡的哼声。由于来自供电的交流电源,所以称为“交流声”。这里打算谈谈交流声产生的几种原因和消除的办法。
1.电源滤波不够完善
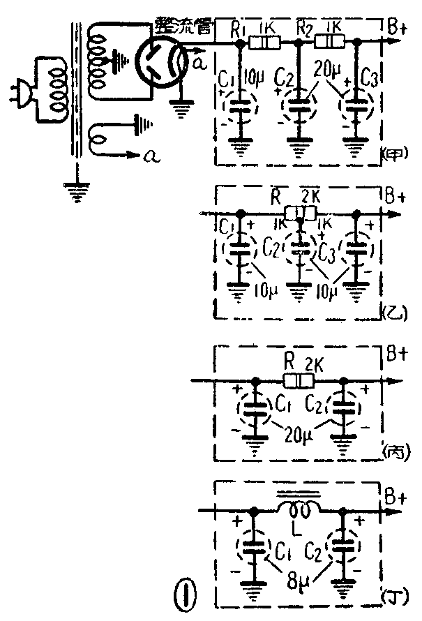
收音机整流管输出的还不是纯直流电流,还有脉动的交流成分,需要用滤波电路滤去这些交流成分。通常用得最多的滤波电路如图1所示。其中用两级滤波的电路(图1甲、乙)效果较好,能够将交流声压低到比较小的程度,但需要的零件较多,因而费用要增大。另外R的数值用得大,虽然可以更好地阻止交流成分通过,使交流声减小,但过大了也会使直流高压在它上面的降压太大,以致乙+电压低落,不能满足各电子管的需要。如果为了能用较大的R而设法提高供电电压,虽可满足上述要求,但又会使变压器负载加重,以及第一只滤波电容器两端电压太高,容易被打穿。

图丁中用低频扼流圈L的电路比用R的好,但费用要增加,体积也大,不如R使用方使。
各种滤波电路中电解电容器C的作用是使脉动交流成分旁路入地。C的数值越大,旁路作用越好,交流声也就越小,但能耐高压(一般为450伏)的电容器,电容量越大,体积也要增大很多,费用也要相应增加;况且C的电容量要大大增加,减小交流声的效果才比较显著。此外,输入滤波电容器(例如图中C\(_{1}\))的电容量不宜用得太大,否则将影响整流管的寿命。
由上面分析可知,滤波电路中各元件的数值与交流声有关,因此数值用得不合适是产生交流声的可能原因之一。当然这些元件中有一个损坏,都将减弱滤波功能,从而产生交流声。检修方法如下:
①用欧姆表测量各电解电容器(C\(_{1}\)、C2、C\(_{3}\))正极片对机壳的电阻,一般应为30千欧,如小于这个数值就有问题。也可以用一只耐压450伏、容量充足的20微法电解电容器先后并联在各个所怀疑的电容器上试试。如接上去交流声立刻显著减小,则说明这只电容器容量太小、击穿、漏电,或时间过久电解液枯干,失去滤波性能,这时需要更换新的。
②用欧姆表测量滤波电阻R的阻值,看是否安装时用错,或数值有变化。
此外,也可能是有地方接触不良,或脱焊、虚焊等,需要仔细检查。
2.零件安装位置不当,接线不合适——一般有以下几种情况:
①输出变压器离电源变压器太近,放置方向不妥当。由于它们都是由磁元件,产生的磁场相互耦合,使电源变压器的50赫交流磁场切割了输出变压器的线圈,就会出现交流声。因此应该使它们相互尽可能远离,或垂直放置,也可以试放几个位置,以选定一个使交流声最轻的合适的位置。
②电阻、电容等元件排列不合适,或是有的接线太长,与流通交流电流的接线相互交迭在一起,或靠得太近,也会通过线间耦合产生感应交流声。比如低频电压放大管栅极接线过长,也未用隔离线,没有屏蔽作用,当它和灯丝接线平行或靠得太近时,会通过感应产生交流声。有时隔离线外皮或其它屏蔽外壳接地不良或脱焊,也将由于失去屏蔽作用而感染交流声。修理时可以整理一下导线的布置和元件的排列位置,可能见效。
③音频电压放大管靠电源变压器太近,也会引起交流声。安装时应尽可能使它们远离,并在电子管上加隔离罩试试。
④接地位置不合适。收音机电路图上的各接地点虽然都表示接底板,但各接地点在几个不同地方接底板和在同一处接底板这两种情况下产生交流声的可能性是不一样的。在前一种情况下,底板各点的电位不同,比如在第一低放管栅极接地点与本管阴极接地点之间,尽管电阻很小,也可能有一定的电位差存在。如果通过铁底板恰使这两点间感染了交流电压,那么将送入栅电路,被电子管所放大,产生交流声。如果将同一级电子管的各接地点都在一处接底板,就能消除上述现象。同一点接地的问题在收音机的各级都要考虑,对于中频、高频极尤为重要。这样做不但是为了防止交流声,同时也是为了消除其它不必要的寄生交连,防止杂音干扰和寄生振荡等。
3.某些零件漏电
有些零件的绝缘电阻下降,使交流电流漏进电路,经过电子管放大,在收音机输出端产生交流声。一般有以下几种常见的情况:
①音频电压放大管灯丝和阴极间漏电。如果阴极不直接接地,且阴路内又没有旁路电容器,这种漏电的电流将在阴极偏压电阻上产生一个交流电压降,加到栅极经过放大,在输出端出现交流声。因为漏电程度是随电压的高低和温度的大小而变化的,因此这种情况下产生的交流声时大时小。检修时可量一下灯丝和阴极间的绝缘电阻,并与良好电子管作一比较,便可确定是否有毛病。也可以直接换一好管子试试。
②音频电压放大级和末级之间的交连电容器漏电,因而使前一级没有滤净的交流电压通过交连电容器加到末级管栅极上,经放大后产生交流声。
③带电源开关的音量电位器漏电,电源电路的交流电流将漏进电位器,加到电压放大管栅极,引起交流声。
此外,电子管座和接线板的漏电也可能引起交流声,也需要注意。
4.灯丝电源线圈两半不平衡

在采用灯丝电源线圈有中心抽头的线路(图2甲),以及有平衡电阻的线路(图2乙)时,如果中心点不能使两边线圈上的电压相等,或是平衡电阻位置调得不合适,也将产生交流声。
5.电源变压器铁心片未插紧
铁心插得太松,以致受线圈所产生的50赫交变磁场的影响,产生机械振动,出现了交流声。这时可添加铁心片把铁心插紧或将夹条螺丝上紧,毛病就能消除。
6.变压器静电隔离不良
一般电源变压器的初、次极间都加有一层金属片或绕一层线圈,并将它们接地。这样从变压器初级感染到高频电台信号就不致传到次级去。如果这个隔离未加或接地不良,让高频信号耦合到次级,将形成被50赫低频交流声所调制的高频信号,如果这个高频调制信号又通过电磁感应,窜入收音机高频电路中,则将随正常电台信号一齐经过中放、检波、低放,最后除了还原出电台的低频信号外,寄生在它上面的低频50赫交流声也将从扬声器里出现。一般叫它为“调变交流声”。这种交流声由于是高频信号所引起,因此当调谐到电台时它才出现。消除它的办法是在电源变压器初级的一根引线和地(机壳)之间接一个耐压较好的电容器(见图3甲),使高频旁路入地。或者也可以暂时将电源插头两接触柱调换一个位置再插入(图3乙),也能见效;因为电源变压器初级线圈最边上两个引出头与轶心之间的分布电容不同,所以使高频旁路到铁心,也就是旁路到地的能力不同。将电源插头倒换位置后,感染到的高频信号将有可能比较容易地旁路到地,因而传不到次级去。

这里所谈到的也只是一些常见的产生交流声的原因,在各种具体情况下,还可能有其它各式各样的原因,还有待进一步探讨。(王履坤)