下面介绍的晶体管两级低放式收音机是在本刊1962年第7期上介绍过的单管机的基础上再加一级功率放大级而成。由于多加了一级低放,无论灵敏度和音量都比单管机好得多。使用本机在北京地区收听,用三米长天线收听中央和北京各台有充裕的音量,最大输出功率超过10毫瓦,可满足一般家庭收听之用。在距电台较远地区,加接较长的天线和地线仍能获得良好的收听效果。

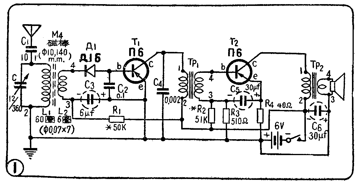
图1是本机电路图,从图上可以看出前面一个三极管T\(_{1}\)和二极管Д1所组成的检波低放电路,和第7期介绍过的单管机电路完全相同,只是原来接扬声器的地方换成输入变压器TP\(_{1}\)的初级而已。第二个晶体三极管仍采用合金小功率管П6,或其他同类型管。输入变压器的次级接在第二个晶体三极管T\(_{2}\)的基极上。R2R\(_{3}\)为供给基极偏压的分压电阻,偏压通过TP1的次级加到T\(_{2}\)的基极。C5是用来沟通低频回路的电容,如果没有C\(_{5}\),那么TP1的输出信号只有一小部分降落在晶体管的输入端(基极和发射极之间),有一大部分降落在R\(_{2}\)R3并联后的电阻及R\(_{4}\)上(图2)。有了C5以后,TP\(_{1}\)的输出全部交连到晶体管的输入端(图3)。因此要求C5的容量要大,否则由于容抗造成的降压也会使交连到T\(_{2}\)的信号减小,这里用的是30微法。

R\(_{4}\)是用来稳定工作点的电流负回授电阻。R4的阻值愈大,则晶体管受温度或更换晶体管时参数不一致的影响愈小,但是R\(_{4}\)太大了,集电极电流流过R4所造成的降压也会增大,使晶体管的有效集电极电压降低,结果使功率增益减小,因此不可能增加到很大。在这电路里R\(_{4}\)用40欧姆左右。这样当集电极电流为6毫安左右时,降压约250毫伏,对集电极电压影响不算太大。R4上没有旁路电容,看来它上面还会产生信号电流的负回授,正象普通电子管阴极电阻不加旁路电容会产生电流负回授的道理一样。但由于C\(_{5}\)的存在,就消除了信号电流的负回授作用。这样做对提高功率增益是有利的,因为在小功率放大器中主要还是要求能提高功率增益。
在T\(_{2}\)的集电极回路上接有用来匹配电动扬声器音圈阻抗的输出变压器,这里我们用市场上能买得到的恒磁扬声器,音圈阻抗为3.5欧姆,如果改用舌簧式扬声器就不再需要输出变压器了。如果用晶体扬声器,需要接一个自耦式输出变压器(图4),圈数比为1:4。
电路中各级的阻抗匹配是极重要的问题,输入变压器TP\(_{1}\)用来匹配T1的输出阻抗和T\(_{2}\)的输入阻抗,因为T1的输出阻抗约为12千欧,T\(_{2}\)的输入阻抗约为500欧,这里我们采用5:1的圈数比,可用特制的晶体管收音机用的铁心或普通电子管收音机用的小型输出变压器改绕。初级用40号线绕1500圈;次级用同号线绕300圈。输出变压器TP2用13:1的圈数比,初级用40号线绕980圈;次级用36号线绕75圈。晶体扬声器用的输出变压器可用40号线绕1000圈,在250圈处抽一头。

输入部分的线圈数据见图上所注。Д\(_{1}\)的极性不能接反,否则声音会减小很多。装好以后首先应调整T1的工作点,先用一个100千欧左右的电位器和10千欧电阻串联后代替R\(_{1}\),并在TP1的初级上接一满度电流为10毫安的直流电流表(图5),调整电位器的阻值使电流表指示为1~2毫安,然后测量一下,此时电位器和串联电阻的总阻值,接上与此总阻值相等的固定电阻作为R\(_{1}\)。然后再调整T2的工作点,接法如图6,将R\(_{2}\)换成一10千欧电位器和1千欧电阻串联,调节R2使电流表读数为6~8毫安,然后与上述相似地换入阻值合适的固定电阻。这两个电阻随着所使用的晶体管不同而不同,就是同一型号也须逐一调整,这一点和电子管收音机的调整方法是有所不同的。
本机各元件的排列方式在图7上提出一种方案供参考。组装时可根据机箱的条件适当配置,两个变压器TP\(_{1}\)、TP2的方位最好装成互成直角,以免发生交连产生啸叫。外罩应接地。磁性天线最好远离变压器和扬声器。电解电容器焊接时一定要注意极性。

低频变压器的初、次级不要搞错,否则声音会变得很小。
在装这架收音机以前,对各元件都需仔细校验,确定其质量是否可靠,特别是晶体管必须性能良好,并挑选质量较好的晶体管放在功率放大级上。
本机使用6伏电池,可用四节手电池串联;也可以用3伏电池,但音量较小,本机共用电流约10毫安,每套电池可用300小时。(镜西)