在优质放音设备中,常用不同的扬声器来分别放出高、低音域,以取得更好的声音效果。尤其是在立体声放音系统里,需要将用来放送不同频带的扬声器放置在各个适当的位置,来取得良好的声音辐射。这些都得借助于分频装置,将各段频带分开,分别送给不同的扬声器。较为简单的分频方法,是在放大器的输出端应用分频网络(滤波器)来实现,但是这种装置有不少缺点:如高、低音调的分隔并不十分显著;扬声器的匹配和阻尼作用变坏;放声系统的频率特性和功率分配也都受到影响;并且无功消耗大,从而使效率减低等等。
采用多频带放大可以免除这些缺点,这种放大方式是在放大器的前面就将予定的放送频带分开,各段音频分别用单独的放大器进行放大,最后送给各自的扬声器放音。由于两路放大器工作在不同的频带上,电路是就可以采取特殊的结构来适应本身的工作,如使用频率负回输和特定的输出变压器等,使放音系统和电路匹配得很好,从而得到高品质的放音效果。
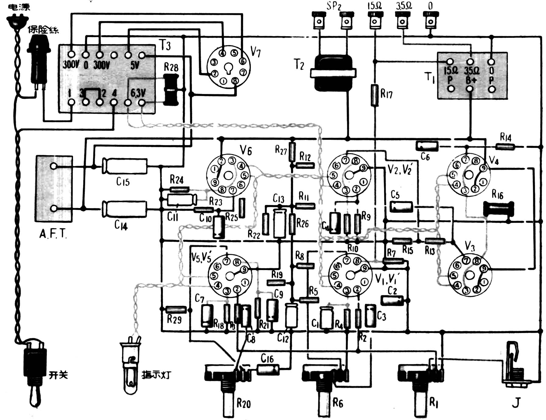
封底电路是一个双频带扩音机,将高、低音分成两个频带分别放大,分界频率约为1千赫。频率范围低音段是从30~1000赫;高音段从1000~15000赫。输入信号的大小,由总的音量控制器R\(_{1}\)控制,经过隔离电阻R2和R\(_{3}\)分别送给两个放大电路工作。
上面的一路是低音带放大器,用以放大1000赫以下的低音频。它的第一级放大管的屏极电路接有旁路电容器C\(_{2}\),将1000赫以上的高音频衰减去。第二级放大管的栅极电阻,即电位器R6是这一路的音量控制器,对整个扩音机来说,它是低音调控制器;此后倒相管V\(_{2}\),V'2 和一对推挽放大管V\(_{3}\)、V4的工作,和普通的放大电路是相同的。为了减小失真和改善扬声器对低音的阻尼作用,从输出变压器次级加有一个深度负回输到第二级放大管去。这一路采用推挽放大,可以使低音部分得到较大的输出功率,弥补了由于听觉上的非线性失真而感觉低音不够强的缺憾,使高、低音调强度的比例,能够符合听觉的习惯。
下面一路是高音带放大器,有两级电压放大,两级之间的电容器C\(_{8}\)容量很小,对低音频的电抗将很大,因此低音频信号被阻断,高音频则畅通无阻。放大管阴极旁路电容器的电容量都较小,以减低这一路低音频的增益。末级管输出端通过R25给它的输入端加上一个负回输。电位器R\(_{2}\)0是高音带的音量控制器,也是扩音机中的高音调控制器。由于听觉对高音比较敏感,所以高频带电路不需要用推挽输出,功率已足够。
低音带的输出变压器T\(_{1}\)只是通过低音频的,初级线圈只要具有足够的电感量就能满足要求。制作数据是:用厚度为0.35毫米的EI—26型硅钢片迭厚26毫米,初级线圈用0.12号线分绕成2376圈的线圈两个;次级线圈用1.0号线绕90圈为0~3.5欧的一段,接着再用0.5号线绕95圈为3.5~15欧的一段、次级线圈就是这样串连起来的。各个线圈在铁心内的位置见图1。绕制时,先在半个框架的位置上绕好w1,然后将木心带线圈在绕线机转轴上卸下,倒一个方向装上再绕w\(_{2}\),使两段线圈的方向相反。最后在这两个绕组上面再绕w3。初级线圈的两个始端各接到一个末级管的屏极上,两个尾端连接起来接到乙+。铁心采用交错插法。绕组间的层间绝缘和档间绝缘和一般电源变压器相同。这个输出变压器是准备配合上海广播器材厂的300—1型扬声器(音圈阻抗15欧),或华北厂的YD6—3双纸盆扬声器(音圈阻抗3.5欧)使用的。

高音带输同变压器T\(_{2}\)只通过1000周以上的高音频,初级线圈的电感量不必很大,但是要尽量减小漏感和潜布电容,绕制数据如下:用厚度为0.35毫米的EI—12型硅钢片迭厚12毫米,初级线圈用0.12号线分绕成1400圈的线圈两个,次级线圈夹在这两个线圈之中,在铁心上的位置见图2。如果选用上海广播器材厂的1/4P1小口径扬声器(口径92毫米,音圈阻抗10欧)时,次级线圈用0.56号线绕126圈。如果这种小扬声器不易找到,也可用一般的125毫米口径的永磁扬声器代替,它们的音圈阻抗多为3.5欧,但这时次级线圈就要改用0.7号线绕73圈。这个变压器铁心的插法是I形片和E形片整迭对镶的,空气隙为0.1毫米(参阅本刊1962年6期的封底电路说明制作)。

电源变压器用厚度为0.35或0.5毫米的EI—35型硅钢片迭厚35毫米,初级线圈用0.5号线分别绕517圈的线圈两个。1—3、2—4并连时接110伏;2—3串连时1、4接220伏。次级高压线圈30O伏×2,200毫安,用0.28号线绕2820圈,在1410圈处抽中心头。次级整流灯丝线圈5伏3安,用1.21号线绕24圈。次级灯丝线圈6.8伏3安,用1.21号线绕30圈。初级线圈与次级高压线圈之间加一层通地的静电隔离。
滤波部分用的低频扼流圈AFT的电感量是10亨利,200毫安,用厚度为0.35或0.5毫米的EI—22型硅钢片迭厚22毫米,用0.28号线绕2650圈,空气隙厚度为0.35毫米。
这个扩音机的装制方法和要点与上几期封底电路的相同。高音带电路尽可能不用隔离线,接线要短捷合理。以免高音受到损失或感染交流声。图3举出一种底盘上主要零件排列的位置,供制作者参考。

两个扬声器最好装在一个助音箱里来得到更好的声音辐射。助音箱的制作数据上一期封底电路已有介绍,如果有双纸盆扬声器,装置时就比较方便。SP\(_{1}\)如使用口径为300毫米的,SP2可以用厚度不小于3毫米的铁板做一对支架支在SP1的边缘上再装入音箱里,如图4所示。SP\(_{1}\)如果口径较小,SP2就不能这样放置了。它们只能各自用一个助音箱,而把小扬声器的音箱放在大扬声器音箱的上面,但要注意工作时不要让它受到振动。

扩音机的校验方法,在低音带的推挽电路是和上一期说过的相同,主要的是调整推挽管的工作状态和倒相电压,负回输等等。调整R\(_{28}\)的中心点,可以减小从前级引起的交流声。高音带的一路则和一般的小型扩音机或收音机的音频放大电路相同。(冯报本)

