“灵敏度”是测向机的一项重要的指标。在这篇文章里打算谈谈如何提高测向机灵敏度的方法,并介绍一部具有较高灵敏度的测向机的电路,供作参考。
提高测向机灵敏度的主要途径
一、选择优良的电路结构
不管是普通的接收机或者是测向机,所采用的电路的程式首先就决定了它的灵敏度高低。矿石收音机的灵敏度就远不如超外差式收音机来得高;而普通的一级中放的超外差接收机的灵敏度,也不如带高放或者是具有二级中放的超外差式接收机。为了得到较高的灵敏度,测向机最好采用一级高放和二级中放的超外差式电路方案(图1)。采用这种程式的电路,测向机的灵敏度一般可以达到10微伏以上,也就是说可以收听1.5瓦小功率电台达到五公里以上。而具有一级中放的测向机仅能收听小功率电台达三公里左右。

在采用图1电路时,要用六只电子管,耗电量相当大,以“北京”牌小型管为例,总灯丝电流为210毫安,用一节平常手电筒电池(额定放电电流150毫安)来供给甲电是不够的,需用两节电池。乙电的耗电量也相应地增加了。而测向机对输出功率的要求是不高的,只要有0.1毫瓦的输出就已足够测出电台的准确方向,因此可以考虑不要功率放大,而只用五个电子管组成有一级高放和二级中放的超外差式电路。这对于提高灵敏度是很有利的,同时机器的耗电量也可减小不少。
在电路方案确定以后,如何尽量提高每一级的增益,也是值得考虑的问题。测向机的增益主要是从中放级取得的。高放级的增益要比中放小得多;加一级高放的作用主要是为了减小本机振荡器向外辐射信号的强度,以免影响其他接收机。因此提高测向机各级增益主要应该从提高中放级的增益来考虑。提高中放级增益的办法是,提高中频变压器谐振回路的Q值,在谐振回路中采用较小电容(120~150微微法)和较大电感相配合,以提高回路的谐振电阻,从而提高每级中放的放大量。但每级中放的放大量也是有一定的限度的,如果超过了它的稳定放大量,就会产生自激振荡,影响机器的工作,这也是在设计和制作中需要考虑的。
二、提高天线的效率
测向机中多用磁性天线,如何提高磁性天线的效率,使它感应到的信号电压比较强,也是提高测向机灵敏度的关键之一。一般可以选用频率范围较高和导磁率较大的磁棒(如M\(_{1}\)或M4型);磁棒长度和直径的比要大,这样磁棒的有效导磁率可以高些,从而天线的效率也可以高些。其次应该考虑天线回路的设计和线圈的绕制问题。
要想使天线回路与预定频率(比如短波测向中的3.55兆赫)谐振,我们可以选择适当电感量的线圈与电容来配合。但是磁性天线所感应的信号电压大小是与线圈的圈数成正比的,所以在设计磁性天线回路时,应尽量设计大电感配小电容,即尽量提高L与C的比值。C用得小了,分布电容的影响就比较大,机器的工作稳定性要差一些,但只要我们注意减小分布电容,使天线效率提高,还是合算的。
此外,磁性天线的感应信号电压大小还与线圈在磁棒上的位置和线圈的长度有关。线圈愈绕在磁棒中心,线圈的长度愈短,天线的感应电压就愈大。所以一般都是将线圈绕在磁棒的中心,并尽量减少线圈的长度,例如采用密绕和选用绝缘厚度较小的多股线等。
高灵敏度测向机线路介绍
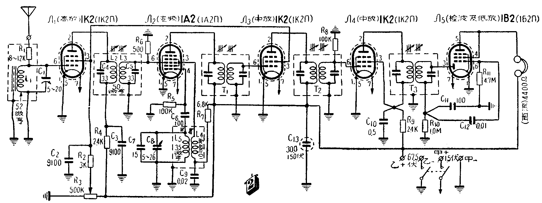
图2就是一架为提高灵敏度而设计的测向机,它具有一级高放、二级中放,没有功率放大。由于被测电台频率一般是在3.55兆赫附近,因而天线和高放回路均固定谐振于3.55兆赫,只是本机振荡回路是可调的,调节C\(_{8}\)来选择电台。收听1.5瓦电台距离可达五公里以上。现扼要说明电路工作情况与装置要点如下:

高放级:高放是采用双回路的(相当于一个频带放大器)。初、次级回路的谐振频率都是3.55兆赫(可由调节L\(_{2}\)、L3的电感来达到)。高放回路线圈可用一般中频变压器改制。我们是用AP1000/70型中周将原线圈拆除2/3~3/4(初、次级所拆圈数要相等),而将原电容改用33微微法的代替。为了展宽回路的通频带,在L\(_{3}\)、C5两端并联了一个500欧电阻,使3.5~3.6兆赫(隐蔽电台的频率范围)的信号都能输入。
变频级:采用电感回授式本机振荡电路。振荡栅负压3~5伏。本机振荡的中心频率是3.085兆赫,比外来信号频率(3.55兆赫)低一个中频(465千赫),优点是易于起振,灵敏度可以高一些。L\(_{4}\)、L5是用直径14毫米线圈管,内插磁心,用0.45毫米线径的导线绕制,L\(_{4}\)20圈,L554圈。调C\(_{8}\)时,本机振荡的频率变化范围是3.035~3.135兆赫。
中放级:两级中放都采用一般的中放电路,只是因为本机无功率放大,低频音量控制作用不大,为了保证近距离信号强时也能有良好的方向性,而改用高频增益控制,到近距离时将高频增益减小,使方向性准确,利于测向。高频增益控制是依靠调节电位器R3,改变高放和第一中放管的帘栅极电压来达到的。R\(_{8}\)也起加宽通频带的作用,它使回路的Q值降低,对灵敏度虽然有些影响,但测向时收听信号比较清晰。
检波与低放:由一个二极五极管担任。将五极部分改接成三极管,因4400欧耳机与1B2并不匹配,改接成三极管后,内阻减小,输出音量可有较显著的增加。如果认为输出音量仍太小,可换用1S5管。

装置:本机因零件多,要求体积小,结构紧凑,为了使零件能够排得开,特将底盘制成“Г”型(图3)。将高放、变频管与二级中放管装得相互垂直,电子管加用外屏蔽,以减少杂音和干扰。另外加装了去耦电路(如图中R\(_{4}\)C3,R\(_{7}\)C9,R\(_{9}\)C10等),以消除寄生振荡。天线部分采用直径1厘米、长17厘米M\(_{4}\)型磁棒,用0.16亳米线径多股纱包线密绕25圈。装置要点与一般测向机相同。全机零件布局及尺寸见图3。(苏锦澄)