“红星”牌612—1型收音机是南京东方无线电厂的新产品。在去年10月第三届全国广播接收机评比中,曾荣获一等奖。这是一架交流六灯三波段超外差式收音机,可以满意地收听国内外调幅广播电台的播音,并有拾音器插孔,可以另加电唱机放送唱片。本机采用直径168毫米扬声器,加以机箱宽大,所以音质优美动听。机箱采用高级木材,经过精工处理。外形富有民族风格,美观大方。
一、主要特性指标
本机能接收下列三个波段:中波,520~1600千赫;短波1,4~9兆赫;短波2,9~18兆赫。
中波灵敏度不劣于200微伏;而短波段灵敏度均不劣于300微伏。额定输出功率不小于0.5瓦。在额定输出功率时,全机非线性失真系数在200~400赫频率范围内不大于9%;400赫以上不大于7%。 最大不失真输出功率不小于1瓦。最大消耗功率约45瓦。
中频频率为465千赫。中频通频带宽度在7~9千赫范围内。
中波选择性在偏调±10千赫时不小于26分贝。中频波道衰减不小于20分贝。
全机性能指标符合国家标准中对三级收音机规定的技术条件。
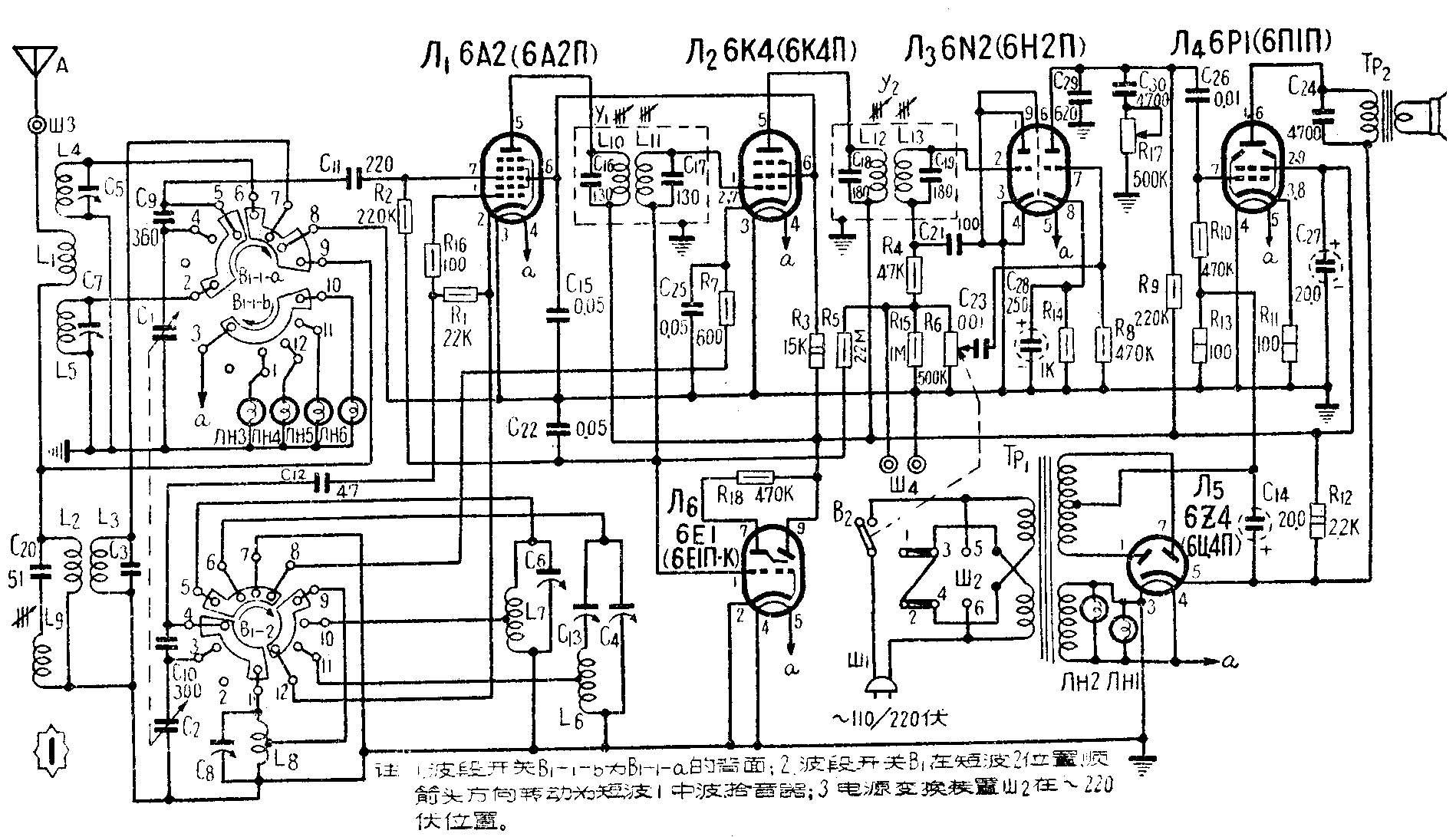
二、工作原理简介
变频——由6A2但任。在图1电路图中,波段并关是停在短波2的位置。如按箭头方向转动,将顺次转换到短波1、中波、拾音器几种工作伏态;并将ЛH3~ЛH6四个指示灯中的一个点亮,以指示所处工作状态。在图1的状态时,短波2调谐线圈L\(_{5}\)下端接地,L5上端经过接点2、5和电容器C\(_{11}\)接到变频管的信号栅极(7)。振荡线圈L8下端接地,上端通过1、4和电容器C\(_{12}\)等接到变频管的振荡栅极(1); L8的抽头经过9、12接到变频管的阴极(2)。此时开关并将短波1段和中波段的调谐线圈和振荡线圈都短路接地,以免吸收正在工作的短波2段线圈中的能量,影响工作。天线线圈L\(_{1}\)则通过9、8接点到地。如此便接成短波2波段所需要的变频级电路,进行信号的变频。

在转换到拾音器工作状态时,收音机变频管6A2和中放管6K4的阴极电路被切断,便不工作,同时并将调谐回路的电容短路到地,这样收音信号不能进入,以防止干扰电唱机的工作。
变频管6A2振荡栅极上的电阻R\(_{16}\)是用以防止产生高频寄生振荡。C20和L9是中频干扰陷波器。
中频放大——由6K4担任。在它前、后的两个中频变压器Y\(_{1}\)、Y2,都是采用调铁粉心式的。
检波和低频电压放大——这一级采用一个6N2双三极管,其一半接成二极管作检波;另一半作低频电压放大。放大管屏极电路中的 C\(_{3}\)0和R17用作音调控制。电位器R\(_{17}\)滑臂向下端移动时,被电容器旁路掉的高音频分量增多,高音被削弱,低音突出,反之向上移则高音突出。
低频功率放大——应用电子管6P1。放大管所需要的栅偏压,是利用回到乙-端去的电流在电阻R\(_{13}\)和阴极电阻R11上的二电压降之和。R\(_{ll}\)旁边因为没有用旁路电容器,所以放大管阻级电流的音频成分在它上面产生的电压降,将通过栅极电阻R10回授到栅极,形成电流负回授,这样将使音质得到改善。
整流——采用6Z4作全波整流。整流后所得直流电流由整流管阴极输出。末级功率放大管的屏极电源就在整流管阴极取得,通过输出变压器初级线圈加到屏级,因为整流输出电流中的一些脉动,对屏极电路影响不大;而该管的帘栅极和其它各管的直流高压都是经过C\(_{14}\)、R12和C\(_{27}\)组成的π型电源滤波器供给的。
调谐指示——由谐调指示管6E1担任。
三、使用
本机面板上有各工作状态时的照明指示小窗。当转换到某个波段上工作时,指示相应波段的小窗即明亮。右边的中心小旋钮是波段转换旋纽;其外套大旋钮用以调谐频率,寻找电台。左边中心小旋钮用以调节音量,并附有电源开关;外套大旋钮用作音调调节。
本机适合用50~60赫的220伏(或110伏)交流市电供电。电源电压变换是利用改插保险丝位置的办法实现,具体请看图2。

本机能在-5℃~+40℃的环境下连续使用8小时。可以耐受50~80%的相对湿度。(潘