收音机的低频电压放大器也叫做“前级电压放大器”。它的任务是将检波器输出的音频信号的电压放大到足够的振幅,来推动末级功率放大器。
一、放大倍数的确定
前级电压放大器应有足够的放大倍数,以达到整个低频放大器所需要的灵敏度。此外,还要求频率特性均匀;以及放大后的信号不失真等。
灵敏度是以使输出变压器次级输出额定功率时从低频放大器输入端所需要的电压来表示,并以频率400赫时的数值为准。灵敏度的高低应同时满足收音机和使用电唱机的需要。一般电唱机晶体拾声器的输出电压大都为0.1~0.3伏,比收音机检波器输出的电压要小。所以灵敏度主要是根据电唱机输出电压来决定,并称为“拾声器插口灵敏度”。按规定输入电压不应大于0.25伏,一般都设计在0.1~0.2伏之间。
三级机(五、六管机)的额定功率为0.5伏安;一级机为2伏安。计算灵敏度即以此为准。例如扬声器阻抗为3.5欧,则0.5伏安时相应的电压V=\(\sqrt{P}\)\(_{0}\)R=0.5×3.5=1.32伏。而末级放大器连输出变压器在内的放大倍数约为0.5倍左右,末级栅极所需要的电压,也就是前级电压放大器所输出的电压应为1.320.5=2.6伏。设灵敏度设计在0.1伏,则前级电压放大倍数就需要2.6;0.1=26倍左右,但通常还要加6分贝左右的负反馈,即电压放大倍数还要再增加一倍,才能达到0.1伏灵敏度,所以共需要26×2=52倍左右。对这样的放大倍数,我们只要用一只高放大因数(高μ)三极管就可以达到,故三级机里前级电压放大器通常只有一级;而一级机因额定输出功率较大,同时音调控制器较为复杂,需要一定的增益来抵偿,所以常用两级高μ三极管放大,或一极五级管放大,前一种用法较普遍。
目前低频电压放大级普遍采用双二极—三极复合管(如6Г2П-К等)和双三极指形管(如6Н2П等)。本文主要就讨论这类高μ三极管的设计问题。
二、放大电路的分析


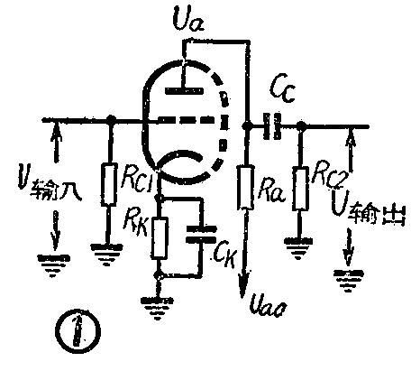
前级电压放大器一般多采用电阻电容耦合式电路,并用在甲类放大工作状态,其线路如图1。对交流成分来说,又可画成图2的等效电路。其中以μU\(_{输入}\)代替输入信号电压U输入;Ri是电子管内阻;C\(_{0}\)为本级输出电容、下级输入电容和按线分布电容的总和,C0比C\(_{c}\)要小得多。输出电压U输出由C\(_{0}\)两端取出。这时放大倍数为:

在整个频率范围内,放大器的K(或是说增益)是不一样的。当频率逐渐低时,C\(_{c}\)的阻抗逐渐增大,其上电压降增大,Rc2上的电压降减小,因此输出电压就逐渐降低。当频率渐高时,C\(_{0}\)的旁路作用变得显著,增益也逐渐下跌,只有在中间约在200~3000赫的一段频率范围内Cc的阻抗很小,C\(_{0}\)的阻抗很大,都可以忽略不计,放大器的频率特性曲线才是平坦的,如图3所示。一般以增益下降3分贝处的频率f1和f\(_{2}\)之间的一段频带,称为放大器的“通频带”。此时
f\(_{1}\)≈\(\frac{1}{2πC}\)cR\(_{c2}\);f2=1;2πC\(_{0}\)R;
上式中R为R\(_{i}\)、Ra、R\(_{c2}\)的并联总阻。
我们计算放大倍数是以中间频率为准,不计所有电容的影响,因此
K=μ\(\frac{R}{_{a}}\)\(^{′}\)Ri+R\(_{a}\)′=SR,
式中 R\(_{a}\)\(^{′}\)是交流负载电阻,它等于Ra和R\(_{c2}\)的并联总阻。

从公式看出,R\(_{a}\)\(^{′}\)愈大,放大倍数也愈高。但实际上,屏极供电电压Ua0是有一定限度的,耦合电阻R\(_{a}\)愈大将愈小,但如图4所示,屏流小时,μ和S下降,而Ri增加。因此放大倍数并不会继续增加。所以增加R\(_{c}\)是有一定限度的。另外,从上面f2的公式也可以看出,要f\(_{2}\)高,R就不能大,也就是Ra不能大。不过收音机中使用三极管时,R\(_{a}\)的大小主要还是根据对增益和失真的要求来确定的。因为三极管的Ri小,而R主要由R\(_{i}\)决定,所以R也小,C0的旁路作用还不很显著。
三、放大管特性曲线的使用

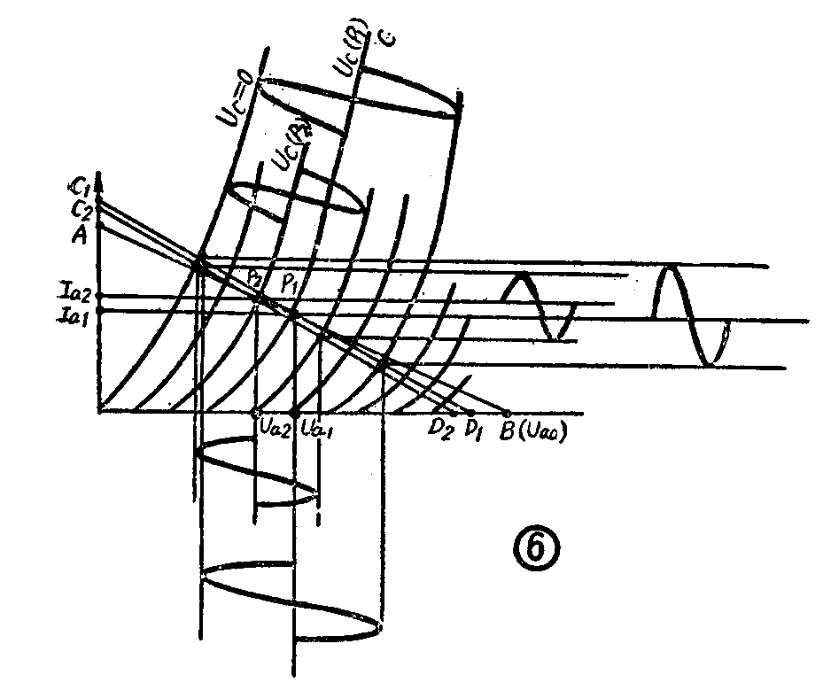
放大器的工作情况还可以用放大管的特性曲线来说明。图5是常见的三极管的I\(_{a}\)~Ua曲线族。斜线AB叫作“直流负载线”B点由U\(_{a}\)0决定。AB线的斜率由Ra值确定,它与横轴所成的夹角为
θ\(_{1}\)=tan\(^{-}\)1\(\frac{1}{R}\)a′。
斜线CD是“交流负载线”,因对屏流交流成分来说负载电阻换为R\(_{a}\)\(^{′}\),
所以,θ\(_{2}\)=tan\(^{-}\)1\(\frac{1}{R}\)a′。
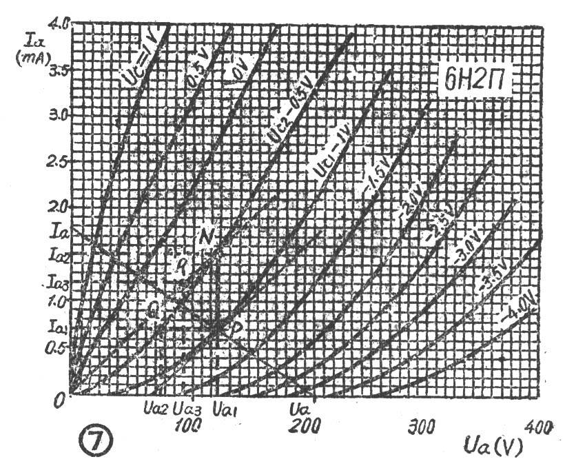
直流负截线和所选用的棚偏压U\(_{c1}\)所对应的一根曲线的交点P,称为“工作点”。P点所对应的Ua、I\(_{a}\)就是静止状态(没有信号)时的屏压和屏流。因此,Ia、U\(_{a}\)确定以后,从横轴上Ua点引垂线,它与纵轴上I\(_{a}\)点所引水平线的交点也就是工作点。当栅极上加上信号时,各电极的电流、电压都将根据交流负载线变化。这时屏压变化的振幅和栅压变化的振幅之比就是放大倍数。从图上我们可以清楚了解,若要信号放大不失真,则应把工作范围选在电子管特性曲线的直线部份,不要落在底部弯曲的地方,同时栅极电压不要摆到Uc=0的范围以外去,以免产生栅流而失真。工作点的位置要根据使用目的来选定,例如在用上述高μ三极管的情况下,如果我们要求不失真的输出电压大,则工作点应设计在使屏流在R\(_{a}\)上的降压IaR\(_{a}\)为Ua0的一半或稍小一些。如果我们需要增益高,而输出电压并不要求很大,则I\(_{a}\)Ra可选得为U\(_{a}\)0的一半以上。从图6可知:当Ra是一定数值时,显然,P\(_{1}\)时电压、电流变化的不失真振幅比P2时要大,但P\(_{2}\)点的屏流Ia2比P\(_{1}\)点的屏流Ia1要大,也就是μ、S较大,而R\(_{i}\)则较小,但Ra是一样的,所以工作点选在P\(_{2}\)时,增益比较高。下面再以6Н2П管为例,说明如何利用它的特性曲线来求μ、S、Ri这几个参量。


在图7上,如已确定工作点P,该处U\(_{c}\)=Uc1那么经过P点作水平线和垂线分别和相邻曲线(U\(_{c}\)=Uc2)相交于Q、N点,设与P、Q点对应的屏压分别为U\(_{a1}\)、Ua2,与P、N点对应的屏流分别为I\(_{a1}\)、Ia2,那么
μ=\(\frac{U}{_{a1}}\)-Ua2U\(_{c1}\)-Uc2;S=I\(_{a2}\)-Ia1;U\(_{c2}\)-Uc1。
经P点作该点曲线的切线,再经过坐标零点作平行于切线的辅助线,在线上任取一点R,设与R点对应的屏压为U\(_{a3}\),屏流为Ia3,则
R\(_{i}\)=Ua3/I\(_{a3}\)
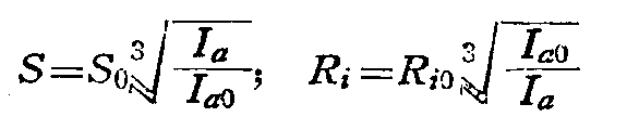
有些电子管手册里附有屏压等于100伏或150伏等数值时三个参数μ、S、R\(_{i}\)对屏流的变化曲线(例如图4所示),我们就可以方便地查出这三个参量。如没有这种曲线,还可以按下列近似公式计算:

式中S\(_{0}\)、Ri0、I\(_{a}\)0都是手册所载典型数据。但如电子管μ值随屏流有较大变化时,这种计算方法的误差较大。
四、设计步骤
1.选定屏极耦合电阻R\(_{a}\):三极管的Ra一般是屏内阻R\(_{i}\)的3~6倍,并为Rc2的0.2~1倍。R\(_{c2}\)通常是按下级电子管的最大允许栅漏电阻值来确定。实际上,三级机的Ra常在200~300千欧之间;一级机在100~25O千欧之间,这时,可以获得40到50倍以上的放大,高音频段增益下降3分贝的频率也在20千赫以上,增益和频率特性都能满足要求。选用C\(_{0}\)的数值时,下级如为中μ三极管,可取100微微法左右;若下级为高μ三极管,则取200微微法左右。
2.确定静态屏流I\(_{a}\)和屏压Ua:对高μ三极管来说,一般是把I\(_{a}\)Ra乘积选为U\(_{a}\)0的0.4~0.65范围内,实际上,三级机常取0.5~0.65,因为三级机大都只有一级电压放大,输出电压较低,一般只有几伏,而失真可以少考虑,故应使增益尽可能高些。而一级机有二极电压放大,增益已够,且第二级电压放大要输出较大的电压,失真要多考虑,故宜于采用0.4~0.55。选定IaR\(_{a}\)后,就可以确定Ia;同时根据给定的U\(_{a}\)0,可按下式确定Ua:
U\(_{a}\)= Ua0-I\(_{a}\)Ra。
一般U\(_{a}\)多选为Ua0的一半。
3.根据上述选定的静态屏压U\(_{a}\)和屏流Ia确定偏压U\(_{c}\):自Ua作垂线和自I\(_{a}\)作水平线,两线的交点P就是工作点,与该点对应的Uc,就是所求的直流栅偏压,而连接U\(_{a}\)0和P点的斜线也就是直流负载线。
需要注意,氧化物阴极的电子管,当负偏压太小时,即使没有到零偏压,也会产生正栅流而引起失真,故偏压最好不要小于-0.5伏;最小应为
U\(_{c1}\)=1.4U输入+0.5伏。
如果发现小于上式算得的结果,最好重新选择屏流,使U\(_{c1}\)合适。
4.求出阴极电阻R\(_{k}\),使得到所需的偏压:此时Rk=U\(_{c1}\)/Ia。此外,尚有栅漏偏压的一种方法,常为收音机内采用(如图8),即将阴极接地,而把栅极电阻R\(_{c1}\)改成5~10兆欧,由栅流形成一个负偏压,约有1伏左右。这时输入阻抗约为Rc1/2。这种方法的优点是线路简单,偏压也稳定,不受更换电子管的影响。缺点是交流声和失真较大,输入信号不能过高,而且管座受潮绝缘降低时电路性能变环,所以潮湿地区不宜采用。

5.旁路电容C\(_{k}\)的选择:Ck应选得使它在最低工作频率f\(_{1}\)时的阻抗小于Rk的1/10。但有时为了有效地减小灯丝对阴极漏电所产生的交流声,而把C\(_{k}\)用得大一些,以降低阴极对地的交流声频率的阻抗。一般大都用在25微法以上。
6.耦合电容C\(_{c}\)的计算。Rc2按上述要求确定后,C\(_{c}\)即由f1确定,即C\(_{c}\)≈1/(2πf1R\(_{c2}\)),式中f1主要是受输出变压器的限制。在前级放大器里,适当地选用C\(_{c}\)值,一般为0.01~0.05微法,即能使放大器的通带够宽。
7. 确定放大倍数K:按前述K的公式求出中音频的放大倍数,但此时μ、S、R\(_{i}\)要取用工作点的实际数值。
8.关于失真:只要按照正确的方法设计,前级放大器的谐波失真约在1~2%以下,可忽略不计。
9.本级与其它部分的关系:为了避免本级与前面中频放大级间发生交连,通常总在本级的屏极上接一个100~300微微法的电容器到地。
如果本级与检波器合用一个阴极,例如用6Г2П-К时,不要把栅偏压接入检波回路,以免栅偏压加到检波屏极上,使小于这偏压的信号不能被检波。此外,前级放大器的交流输入阻抗应尽量高,使检波交、直流阻抗比大,从而使允许的调幅百分比高,故检波音量电位器和本级栅漏电阻一般都在500千欧以上。
五、设计举例
例 试用电子管6Г2П-К设计一个三级收音机的低频电压放大器。已知U\(_{a}\)0=200伏。

解 1.选定屏极耦合电阻R\(_{a}\)。 按一般三级机通用的数值,我们选定Ra为250千欧。
2.确定I\(_{a}\)及Ua。设选用I\(_{a}\)Ra为U\(_{a}\)0的一半,则
I\(_{a}\)=0.5Ua0/R\(_{a}\)=\(\frac{100}{250×10}\)\(^{3}\)=0.4毫安。
U\(_{a}\)=Ua0-I\(_{a}\)Ra=200-100=100伏。
3.找出U\(_{c1}\)。在6Г2П-К的Ia~U\(_{a}\)曲线族上自Ua引垂线和自I\(_{a}\)引水平线得交点P,即为工作点。此时Uc1约为-1.1伏。从U\(_{a}\)0连P点的斜线即为直流负载线。
我们来检查一下栅偏压是否合适。设输入电压U\(_{输入}\)为0.2伏,则
U\(_{c}\)=1.4U输入+0.5=1.4×0.2+0.5=0.78伏,
上面确定的-1.1伏比-0.78伏大,可见所定栅偏压是合适的。
4.求阴极电阻R\(_{k}\)。 设采用自给栅偏压,则
R\(_{k}\)=Uc1I\(_{a}\)=1.1;0.4×10\(^{-}\)3=2.75千欧。
选用一个整数标称值的电阻,例如2.7千欧即可。C\(_{k}\)按前面所述要求可选用25微法。
5.选定耦合电容C\(_{c}\)。设Rc2为500千欧,我们选用C\(_{c}\)为0.01微法。这时增益下降3分贝处的f1=1/(2πR\(_{c2}\)Cc)=32赫。
一般三级机的低频特性要求整机在150赫时的不均匀度小于10分贝,这里低到32赫处只下降3分贝,所以富余量很大,足够应用。
6.计算放大倍数K。此时R\(_{a}\)\(^{′}\)为
R\(_{a}\)\(^{′}\)=RaR\(_{c2}\)Ra+R\(_{c2}\)=250×500;250+500=167千欧,
从图4曲线查出I\(_{a}\)=0.4毫安时,μ=81,Ri=82千欧,所以
K=μ\(\frac{R}{_{a}}\)\(^{′}\)Ra′+R\(_{i}\)=81×167;167+82=54倍。
7.最后我们再计算一下高音频下降3分贝处的频率。此时
R=11;R\(_{i}\)+\(\frac{1}{R}\)a+1;R\(_{c2}\)=55千欧。
设下一极为末级功率管,则C\(_{0}\)可取100微微法,故f2=1/(2πRC\(_{0}\))=29千赫。(俞锡良)